QQ登录

只需一步,快速开始

登录 | 注册 | 找回密码

三维网

 找回密码
 注册

QQ登录

只需一步,快速开始

展开

通知     

全站
4天前
查看: 2379|回复: 8
收起左侧

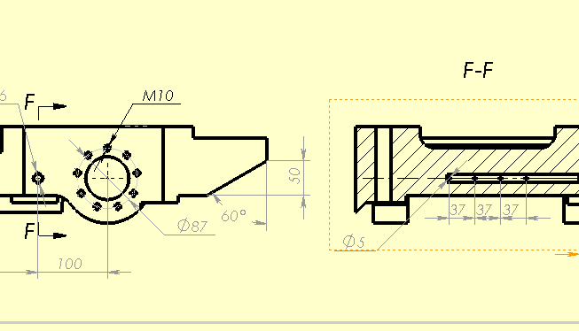
[已解决] 旋转视图怎样加“旋转”两个字

[复制链接]
发表于 2010-8-26 09:27:24 | 显示全部楼层 |阅读模式 来自: 中国江苏泰州

马上注册,结识高手,享用更多资源,轻松玩转三维网社区。

您需要 登录 才可以下载或查看,没有帐号?注册

x
1.png
发表于 2010-8-26 09:56:21 | 显示全部楼层 来自: 中国湖北武汉
有必要加“旋转”这两个字吗?要加也可以:右键点F-F/注解/注释A/写上文字旋转就可以了!
发表于 2010-8-26 10:02:07 | 显示全部楼层 来自: 中国广东汕头
他的图幅排不下,将它转了90度,如果不加旋转字样或者符号,图就是错的
6 b, ^4 w4 k4 G3 C- z# T
  t0 u& Y, b! j表示旋转的有专用的标注符号,建议使用制图标准中规定的旋转符号
发表于 2010-8-26 11:50:11 | 显示全部楼层 来自: 中国北京
用插入注释,文字就行了赛
 楼主| 发表于 2010-8-26 12:42:03 | 显示全部楼层 来自: 中国江苏泰州
用插入注释,文字就行了赛
/ f1 e7 [4 K, d7 w, k1 X* X  K3 \" ^fgshrl 发表于 2010-8-26 11:50 http://www.3dportal.cn/discuz/images/common/back.gif
/ `! h$ y% t& M) r
3 g4 ?# q' s0 @8 p
有必要加“旋转”这两个字吗?要加也可以:右键点F-F/注解/注释A/写上文字旋转就可以了!
- g% k3 D" X+ K- i. s: Vxuxinzhi2006 发表于 2010-8-26 09:56 http://www.3dportal.cn/discuz/images/common/back.gif

9 G! G3 T; k/ x2 Z/ I( Z  T) _! T. P" t8 m
很明显,这种方法是错的,不是关联的
发表于 2010-8-26 16:06:35 | 显示全部楼层 来自: 中国河南郑州
双击F-F,在其后面添加“旋转”两字即可,但注意在属性栏中选上“手工视图标号”选项。 1.jpg
发表于 2010-8-26 16:14:40 | 显示全部楼层 来自: 中国江苏无锡
昏..这是软件拜托...什么叫关联...只不过它被设计成这样摆上去..你就叫它是关联的..., C; q% @/ i1 i; n

( f: V  O2 u, W( a6 W其实,你自己放上去..又有什么关系呢...你只要把它放在你的视图中,不主是关联了吗..
$ Y: L. |0 v) X' x; U! v2 g. n  [, p2 v# U: {8 a- H
所以说都弄不懂你在说什么....你非它让软件自己做一个属性或什么的在里面.让你好去显示它.并且和你的视图  x3 }7 o  s4 M' ]; s  h
& R5 T8 H) [7 j) |9 R
不分开,这样就叫关联了..汗..# L: Y0 S& m  e+ s7 Z2 F

5 L* `$ r: m( ^& C# D实在想不开..你给它在零件中增加一个属性...然后在工程图中再增加一个注解连接到它.就是了.
2 n4 h. N% C+ [( |2 d  ]
: f* e0 a+ {8 S不过这样就好笑了..
头像被屏蔽
发表于 2010-8-27 07:18:34 | 显示全部楼层 来自: 中国天津
提示: 作者被禁止或删除 内容自动屏蔽
 楼主| 发表于 2010-8-27 09:59:40 | 显示全部楼层 来自: 中国江苏泰州
昏..这是软件拜托...什么叫关联...只不过它被设计成这样摆上去..你就叫它是关联的...
6 q8 N& o& M. P5 A- C% M" Z$ N' t* d+ C6 e2 E5 K
其实,你自己放上去..又有什么关系呢...你只要把它放在你的视图中,不主是关联了吗..
- t7 a4 b6 \: S5 e
3 x4 B( \% k, ~所以说都弄不懂你在说什么....你非它让 ...
0 k6 Z% U/ R+ R: O# u, kvotasee 发表于 2010-8-26 16:14 http://www.3dportal.cn/discuz/images/common/back.gif

; j! C2 R" J% ^+ S# Q" J; I; v+ B# E7 S4 C: ~1 u# @! Y
我更晕,什么叫关联,还理直气壮。- @( e* }$ x6 w1 t

" p% c$ s. K8 y* i1 f 9.png 2 E* }; \" P% D7 z) c
0.gif
! F8 d" {# _& v2 a
发表回复
您需要登录后才可以回帖 登录 | 注册

本版积分规则


Licensed Copyright © 2016-2020 http://www.3dportal.cn/ All Rights Reserved 京 ICP备13008828号

小黑屋|手机版|Archiver|三维网 ( 京ICP备2023026364号-1 )

快速回复 返回顶部 返回列表