QQ登录

只需一步,快速开始

登录 | 注册 | 找回密码

三维网

 找回密码
 注册

QQ登录

只需一步,快速开始

展开

通知     

全站
5天前
查看: 2440|回复: 3
收起左侧

[讨论] 如图的标注是否有问题以及对称度怎么测量?

[复制链接]
发表于 2010-8-29 10:19:34 | 显示全部楼层 |阅读模式 来自: 中国辽宁沈阳

马上注册,结识高手,享用更多资源,轻松玩转三维网社区。

您需要 登录 才可以下载或查看,没有帐号?注册

x
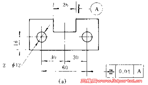
具体见图片,如果说标注有问题,那把两个30的尺寸去掉应该没有问题了。不过一直在怀疑,对称度这种东西有测量方法吗,三坐标?还是需要制作专用的检具?都太复杂,成本高,而且不一定准确,是否有简单可行的方法?
图片 1.png
发表于 2010-8-29 10:55:43 | 显示全部楼层 来自: 中国江苏常州
去掉一个30,行不?
发表于 2010-8-29 11:26:23 | 显示全部楼层 来自: 中国浙江绍兴
1  这个图标注有毛病,两个30没有尺寸公差或者是自由公差,却要求了较高的对称度公差,虽然是独立的但前者对后者有较大影响。" D4 }5 i. ~. [  {  {3 A9 m0 S
2  孔中心对称度测量:将此件立起,若是薄片可用精密平口虎钳夹住放在平台上,对缺口上下两面打表测出高度,可算出缺口基准中心线高。再测出上孔下面和下孔上面的高度,可根据加工的孔径算出孔中心线高,就可得出孔中心线的对称度。

评分

参与人数 1三维币 +2 收起 理由
天际孤帆 + 2 技术交流

查看全部评分

发表于 2010-8-29 15:34:04 | 显示全部楼层 来自: 中国安徽淮南
两个30可以去掉,因为有60和对称度来控制了孔的位置了。
# P  Q4 ~7 u4 b& L/ E- w测量方法,可以在槽中插入一个合适的量块,用量块来模拟基准,再分别测量量块的平面到孔的距离,再做差值,其值即为对称度。1 r$ }* C$ E) q2 t  |6 b; Z
用三坐标测量比较方便,先以槽的两边来建一个中心基准面,则两孔到基准面的距离之差为对称度。做检具不太方便,因为对称要求的比较严,而尺寸要求的比较宽松。
发表回复
您需要登录后才可以回帖 登录 | 注册

本版积分规则

Licensed Copyright © 2016-2020 http://www.3dportal.cn/ All Rights Reserved 京 ICP备13008828号

小黑屋|手机版|Archiver|三维网 ( 京ICP备2023026364号-1 )

快速回复 返回顶部 返回列表