QQ登录

只需一步,快速开始

登录 | 注册 | 找回密码

三维网

 找回密码
 注册

QQ登录

只需一步,快速开始

展开

通知     

全站
2天前
查看: 1450|回复: 5
收起左侧

[求助] 帮忙分析一下这个图

[复制链接]
发表于 2010-8-31 11:47:00 | 显示全部楼层 |阅读模式 来自: 中国重庆

马上注册,结识高手,享用更多资源,轻松玩转三维网社区。

您需要 登录 才可以下载或查看,没有帐号?注册

x
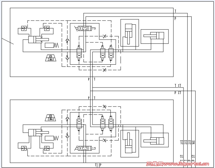
1111.jpg 这个图看的我很迷糊,尤其是缸的接法,哪位高手指教一下。
发表于 2010-8-31 12:01:49 | 显示全部楼层 来自: 中国辽宁大连
都迷糊,说说是干什么用的
 楼主| 发表于 2010-8-31 14:49:27 | 显示全部楼层 来自: 中国重庆
这是盾构机上注浆系统图,我看不懂缸的动作是怎么控制的,还有左面两个液压缸的的两头安装的单向阀是做什么用的。新手上路,请多多指教。
发表于 2010-9-5 20:26:55 | 显示全部楼层 来自: 中国河南洛阳
那两个单向阀是接在液动换向阀上面的,油缸活塞如果往右边走,右腔的油就有压力,推动中间竖的那个换向阀动作,右腔的油就回油箱了
发表于 2010-9-6 23:20:16 | 显示全部楼层 来自: 中国湖南
注浆系统,可以参考三一的混凝土泵车的液压系统。
发表于 2010-9-7 00:07:59 | 显示全部楼层 来自: 中国湖南长沙
这个好比是两套泵送系统,不过都是单油缸的。
# k3 ~- L6 |& E右边的互动的两个小油缸是用来换向的,进行吸料和泵送的切换。/ s0 @$ p6 q8 Y  A7 \! d: m0 B  s
关于你说的缸的接法,其实末端看起来象‘液控单向阀’的东西,实际是简化的画法,它的作用:1—起到缓冲的作用,2-起到获取一路控制流的作用,用来控制换向。这里也不好说具体结构
发表回复
您需要登录后才可以回帖 登录 | 注册

本版积分规则

Licensed Copyright © 2016-2020 http://www.3dportal.cn/ All Rights Reserved 京 ICP备13008828号

小黑屋|手机版|Archiver|三维网 ( 京ICP备2023026364号-1 )

快速回复 返回顶部 返回列表