QQ登录

只需一步,快速开始

登录 | 注册 | 找回密码

三维网

 找回密码
 注册

QQ登录

只需一步,快速开始

展开

通知     

全站
2天前
查看: 1518|回复: 2
收起左侧

[讨论] 萨奥90闭式系统 讨论

[复制链接]
发表于 2010-8-31 11:57:45 | 显示全部楼层 |阅读模式 来自: 中国山东济宁

马上注册,结识高手,享用更多资源,轻松玩转三维网社区。

您需要 登录 才可以下载或查看,没有帐号?注册

x
原理示意图0 W0 V9 L. T$ t, i8 n
示意图.jpg   X; X5 g( C' f2 m& W
' _8 i9 W+ s( m7 L( ]$ F" L8 F& a
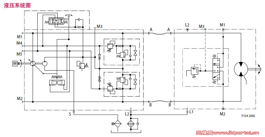
液压原理图
8 \( g! Q: }& D4 n) L" c. Y! f 原理图.jpg
发表于 2010-9-6 12:53:39 | 显示全部楼层 来自: 中国浙江杭州
这个系统相对还是简单的
发表于 2010-9-6 15:44:12 | 显示全部楼层 来自: 中国山西太原
烦请2楼能详细解释一下
发表回复
您需要登录后才可以回帖 登录 | 注册

本版积分规则

Licensed Copyright © 2016-2020 http://www.3dportal.cn/ All Rights Reserved 京 ICP备13008828号

小黑屋|手机版|Archiver|三维网 ( 京ICP备2023026364号-1 )

快速回复 返回顶部 返回列表