QQ登录

只需一步,快速开始

登录 | 注册 | 找回密码

三维网

 找回密码
 注册

QQ登录

只需一步,快速开始

展开

通知     

全站
2天前
查看: 2250|回复: 6
收起左侧

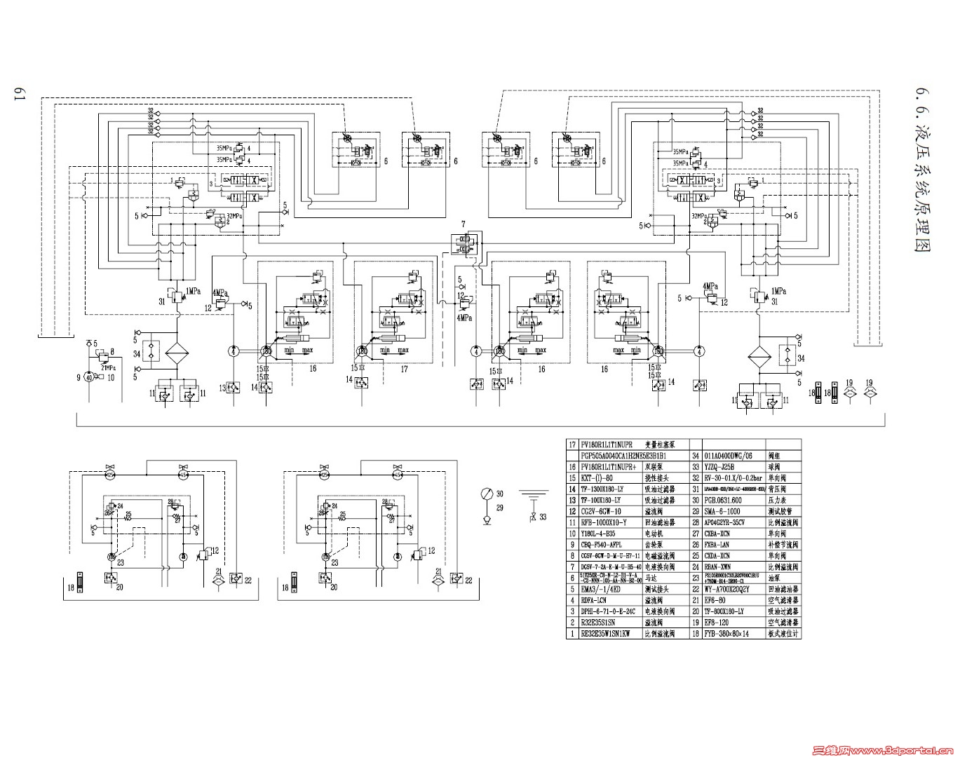
[求助] 请大虾分析图中开式系统压力不稳定原因(铁路养路机械)

[复制链接]
发表于 2010-9-4 11:14:05 | 显示全部楼层 |阅读模式 来自: 中国湖南长沙

马上注册,结识高手,享用更多资源,轻松玩转三维网社区。

您需要 登录 才可以下载或查看,没有帐号?注册

x
图中的开式系统为国内某大型养路机械(工程列车)的液压原理图,是国内第一次设计和生产的,它用以驱动该养路机械以3-24公里的时速走行。运用几个月的时间内,发现有几个问题:1,压力不稳定,导致走行速度也很不稳定;2,有时候无法达到18公里以上的时速;3,有时候在负载过大时,会出现全车距离震动的情况,甚至烧毁液压马达或马达齿轮箱。这里的“负载”需要特别解释一下:当时设计者考虑的可能只是牵引力,即全车的重量约450吨,但实际上,该养路机械作业时,还会出现有别的作业装置向钢轨加载(通过PWM控制)的情况,就是说负载不仅仅是450吨。另外还需要特别说明的是,图示是双系统,可以通过一个沟通阀进行双机作业,但是经常发现单机作业比双机稳定。/ H: y  ^1 n6 O, M! v
    我自己分析,是不是跟设计时没有加设蓄能器有关呢?还是有别的原因?; d1 `( X0 Z5 C8 w
( c, ~/ o5 O* t8 f; P
走行液压原理图.jpg
发表于 2010-9-5 20:12:55 | 显示全部楼层 来自: 中国江苏苏州
马达损坏或减速机损坏应该和超载或马达质量有关系。或者机构设计问题。具体到你说的震动不知道你能不能说的仔细点,震动在多大压力下震动,震动的情形是什么样的。你说的有时候无法达到18KM以上,这个有时候指的是什么状态。在马达损坏或者压力很高的情况下这套系统是很难高速运转。你可以将泵的压力调高2Mpa试试,这个只是建议,一定要根据实际情况来,因为你的系统安全阀标定的是32,马达的安全阀标定的是35,要是没有把握就不要调了。

评分

参与人数 1三维币 +3 收起 理由
9619 + 3 技术讨论

查看全部评分

发表于 2010-9-5 20:24:47 | 显示全部楼层 来自: 中国江苏无锡
计算一下马达的流量和泵的流量,很可能流量不够
! R& s% J/ L4 o6 z" v4 m此设计理念是很有问题的,采用恒压变量泵加比例阀控制(开环)不能保证负载变化的情况下输出流量稳定,而且能量损失大,采用开式回来,油箱势必很大,对于行走机械是个很大的负担/ L9 i5 M6 O8 E5 v$ T
补油管设计位置错误,不能实现补油
; Z) v, B; y8 G; G2 q/ M既然采用恒压变量就没必要外置油泵作为控制回路,直接加减压阀就行0 P: M3 \7 B$ M5 t: i
还有几处溢流阀回油管串联的情况,可能是绘图错误+ I4 Q, m0 ?! S" p3 }
仅仅看了右半部分

评分

参与人数 1三维币 +3 收起 理由
9619 + 3 技术讨论

查看全部评分

 楼主| 发表于 2010-9-5 20:43:03 | 显示全部楼层 来自: 中国湖南长沙
2# jinxialover 5 V" h4 ~! J, L! N/ T0 F6 A3 j$ q% D
首先,对回复表示感谢!然后根据你的描述我再详细说明一下。
5 n; q4 \0 Y9 {5 m9 P马达损坏或减速机损坏应该和超载或马达质量有关系————该系统用的都是进口的帕克泵和帕克马达,减速箱用的据说是日本的。6 i" K5 A8 R7 g  Y
或者机构设计问题——这个我不是很清楚
$ I/ e; X) V% ^' F2 ]具体到你说的震动不知道你能不能说的仔细点,震动在多大压力下震动,震动的情形是什么样的。——震动是全车很明显的震动,就像理发用那种推剪一样的震动,具体压力当时没有测。* T& l# P8 ?5 h% ~7 W
你说的有时候无法达到18KM以上,这个有时候指的是什么状态。——就是平时作业状态,有时可以有时却又不行。' d$ E1 y! f8 L2 }- g+ G" K: s
在马达损坏或者压力很高的情况下这套系统是很难高速运转。——我所说的都是没有损害前的,它就达不到工况。有时又可以达到,为什么这样?
( U! ~. r! J$ H6 b8 M! ?$ C' A! C& W% b4 k" ^* ^

8 I5 ~% m( r0 e" w5 \+ r. A8 e5 e——谢谢,麻烦再分析分析。
发表于 2010-9-5 20:45:19 | 显示全部楼层 来自: 中国河南安阳
1、个人感觉不应该使用恒压变量泵控制。调整不好会使系统在高压下流量不稳定。- r4 p( A4 m2 |
2、7号阀原理看不清楚,是不是有问题。; |0 o" |2 m- S! D0 e
3、没看明白,为什么溢流阀回油加一次背压,又加二次背压。
 楼主| 发表于 2010-9-5 20:49:31 | 显示全部楼层 来自: 中国湖南长沙
3# yinxinyi ; Z: y/ C4 p& p6 v6 [2 {
1 F9 N9 l2 \" ^
感谢回复。我针对你的分析,有些疑问,你请看。
( j" D4 W9 ~( H6 t
+ a$ ]- F* s4 w' r计算一下马达的流量和泵的流量,很可能流量不够————我其实是使用者,对于设计不懂,请问如何计算系统需求的流量,又如何知道它流量不够,可以从运行中的一些症状看出吗?
5 ^9 f- x6 _. {. a
$ L7 {+ m7 e" A" e此设计理念是很有问题的,采用恒压变量泵加比例阀控制(开环)不能保证负载变化的情况下输出流量稳定,而且能量损失大,采用开式回来,油箱势必很大,对于行走机械是个很大的负担————邮箱的确很大,估计无法进行大的改动。请问如果用蓄能器可以解决能量损失的问题吗?功率应该是足够的,我觉得负担应该不成问题吧?& ]$ z5 _7 ~0 B" X8 D

5 N* z2 w+ k3 z补油管设计位置错误,不能实现补油
' {7 I4 n) C' L; ?既然采用恒压变量就没必要外置油泵作为控制回路,直接加减压阀就行——这个我不是很理解,回头再认真看看。/ ^3 h& g5 e2 B* F" x
) J$ ?& u! Q0 ~1 H8 s* J
还有几处溢流阀回油管串联的情况,可能是绘图错误6 w0 j1 i. I7 v9 O& E' `
仅仅看了右半部分————这个的确是绘图的问题。
: y2 U& T7 c' b3 O! P. y) C
* d" @$ a; |) c% p+ a% A7 K
! E5 j6 p7 O. P1 R4 m! S+ D5 ~3 v请再分析分析,谢谢。
 楼主| 发表于 2010-9-6 13:03:53 | 显示全部楼层 来自: 中国湖南长沙
5# 9619
) C) D+ Q4 i1 S7 g1 a8 R8 o' f; L# P" Z" ~- W; M& C
1、个人感觉不应该使用恒压变量泵控制。调整不好会使系统在高压下流量不稳定。——能不能说详细点?
0 ], w' Q3 N' w' _3 [9 D9 q9 M/ l$ F& t2 ^5 b7 F0 z" J
2、7号阀原理看不清楚,是不是有问题。——该阀是沟通阀,用于双系统并联运行,防止速差。
. x9 ]7 y9 ]4 z5 P6 z3、没看明白,为什么溢流阀回油加一次背压,又加二次背压。——这个1MPa的背压阀是用来防止马达启动时吸空用的。而上面那个比例控制的溢流阀是让车辆在下坡时通过计算机进行液压制动用的。
发表回复
您需要登录后才可以回帖 登录 | 注册

本版积分规则

Licensed Copyright © 2016-2020 http://www.3dportal.cn/ All Rights Reserved 京 ICP备13008828号

小黑屋|手机版|Archiver|三维网 ( 京ICP备2023026364号-1 )

快速回复 返回顶部 返回列表