QQ登录

只需一步,快速开始

登录 | 注册 | 找回密码

三维网

 找回密码
 注册

QQ登录

只需一步,快速开始

展开

通知     

查看: 2388|回复: 15
收起左侧

[求助] 求力士乐A8VO140LA1S5_原理

[复制链接]
发表于 2010-9-4 20:43:38 | 显示全部楼层 |阅读模式 来自: 中国上海

马上注册,结识高手,享用更多资源,轻松玩转三维网社区。

您需要 登录 才可以下载或查看,没有帐号?注册

x
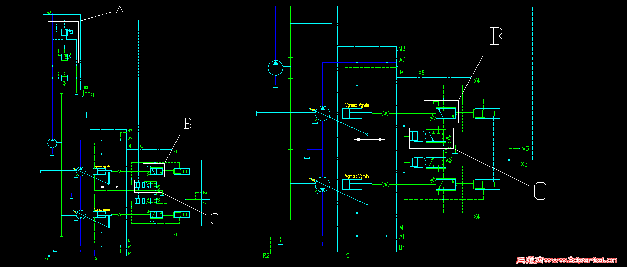
这是力士乐A8VO140LA1S 原理图,大家能否帮我解释一下 A,B,C 阀的功能和工作过程及与马达排量变化的关系。
4 j/ o$ y, o% H谢谢了 0001.png
0001.png
 楼主| 发表于 2010-9-6 20:29:18 | 显示全部楼层 来自: 中国上海
都好几天了怎么一个回复的都没有,是图不清楚,还是没有人是这方面的高手," L5 \! i9 V3 l- t( S
我只是部分理解:
9 [( h) J, ^' }, u) Z 1.A阀是两个比例减压阀,上面那个是恒工率控制阀,当功率大于设定的功率时,它才会动作,使排量减小;
9 v( q2 X' i9 @. G3 S 2. 下面那个比例减压阀是根据负载需求调节流量的(我们机器上是用手柄控制),即当负载需要流量大时,它会改变泵排量变大;反之依然;动做过程为, 当 手柄摆角增大时,比例阀电流升高,比例阀输出压力升高,然后改变泵去大排量。但是从图上她好像是改变泵去小排量,所以迷惑。
% ?, H! l2 I5 Q0 u$ y- Y9 V' q3.X4口是经M7多路阀的LS口过来反馈过过来,我理解应该是当X4口压力增大时,泵排量应减小,但从图上看它是增大的,所以希望高手可以指点一下。3 y( l1 I* c# {7 z0 S1 @* N: k' p4 J
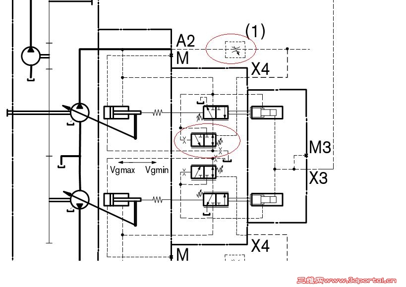
003.png
 楼主| 发表于 2010-9-7 17:54:55 | 显示全部楼层 来自: 中国上海
哪位大侠能出来帮忙解释一下 可以吗?
发表于 2010-9-7 23:40:09 | 显示全部楼层 来自: 中国安徽合肥
首先,楼主的图不是很清楚,其次,本人液压水平一般,给楼主猜下吧。. Q7 C1 P# U8 c4 C3 Z- M
1.A号上面那连个比例减压阀,下面那个接X3的是总功率控制阀,可以通过改变电流改变泵的最大吸收功率,上面那个比例减压阀接的是B号阀的左侧,C号阀的右侧是接的X4口,X4口貌似是负荷传感口,就是通常说的LS口,力士乐样本上可以找到,那我就确定C号阀为负荷传感阀,由此我认为接在C号阀左侧的减压阀是改变负荷传感阀ΔP的,就是某些书上说的精细模式,通过减少ΔP,(Q=K*A*ΔP公式有误,不会打根号。就是流量公式了。满世界都是,楼主自己找吧。)就可在不改变开口面积A的情况下通过改变ΔP来改变通过M7阀的流量,达到精细操作的目的。
  g8 N) E9 C3 ^' m+ c2.楼主所标的B号阀,明显为功率阀。随着压力的增大,泵摆角减少。! |7 j2 z: k  V7 h  L/ |
  解释完毕。楼主不明白的可以再参看一下力士乐样本。
发表于 2010-9-7 23:41:01 | 显示全部楼层 来自: 中国安徽合肥
1.A号上面那(连)两个比例减压阀,
发表于 2010-9-7 23:43:32 | 显示全部楼层 来自: 中国安徽合肥
1.A号上面那两个比例减压阀,下面那个接X3的是总功率控制阀,可以通过改变电流改变泵的最大吸收功率,上面那个比例减压阀接的是C号阀的左侧,C号阀的右侧是接的X4口,X4口貌似是负荷传感口,就是通常说的LS口,力士乐样本上可以找到,那我就确定C号阀为负荷传感阀,由此我认为接在C号阀左侧的减压阀是改变负荷传感阀ΔP的,就是某些书上说的精细模式,通过减少ΔP,(Q=K*A*ΔP公式有误,不会打根号。就是流量公式了。满世界都是,楼主自己找吧。)就可在不改变开口面积A的情况下通过改变ΔP来改变通过M7阀的流量,达到精细操作的目的。2 x0 J) y4 _9 |" G: r
2.楼主所标的B号阀,明显为功率阀。随着压力的增大,泵摆角减少。
+ r4 I6 c  [9 E  a: T刚才有几处书写错误,改正下,不好意思,以上纯属推测,还请高手继续指导。
发表于 2010-9-8 13:10:10 | 显示全部楼层 来自: 中国辽宁本溪
本帖最后由 bohaiyan 于 2010-9-9 10:40 编辑
! v0 A/ U3 ~" z2 c: j
* b/ W! G  j8 {5 z% y再顶一下。2 `% N4 T- U  r$ Y9 S# T
试着解释楼主的第3个问题。; q  s5 F9 q8 ]/ O. h9 R( Q( X
      LS控制,一般情况下,当负载压力升高时,泵的排量都向增大的方向调整,以使泵的出口压力同时升高.因为压力高,泵的内泄和控制油用量是增加的.  t6 s' J) ?: E2 ^# l, p
     对于楼主的图,当X4口压力增大时,敏感阀处于图示位置,泵变量缸无杆腔的油经C阀和B阀向油箱排出油,变量活塞左移,泵排量增大.
发表于 2010-9-9 18:35:35 | 显示全部楼层 来自: 中国安徽合肥
楼上的好像说的有点不对,LS就是负载与压力无关,为什么压力大了流量就要小啊。负荷传感阀就是维持主泵输出流量与所需流量相同。就是维持一个恒定的ΔP。
 楼主| 发表于 2010-9-11 12:36:43 | 显示全部楼层 来自: 中国上海
002.png
3 d5 P; a  W) B  u感谢大家参与讨论,这两天我又请教了高人:2 @/ L; H* t9 F3 K8 D
1.A阀中下面那个减压阀,用来调节泵功率的,他是跟发动机功率相匹配,当发动机怠速时,泵的排量也减小。( L/ p& f) E6 C/ k: G% m/ G0 c
   上面那个减压阀是用来控制泵的最大排量的,其实也可以去掉,因为此泵是负载敏感控制,泵的排量是通过C阀两端的压差控制的。
) `  h3 }+ I3 C' r2 h# u# C2.B阀为负载敏感阀,也称流量控制阀,当M7开口减小,B阀左端的压力将升高,所以B阀两端的压差升高,B阀芯向右移动,泵的排量减小。1 D5 f& k3 Q' B2 n( u  V, k1 o. e
  达到泵的排量与负载所需排量相匹配的功效。( ^" N3 q! ~5 N" w
5 }1 c/ D' P; W' s. A" v& o( U! F
不知上面的解释对否,希望大家给个评论。
发表于 2010-9-11 13:29:36 | 显示全部楼层 来自: 中国辽宁本溪
个人认为,C阀应该是负载敏感阀。
A8.JPG
发表于 2010-9-11 23:25:23 | 显示全部楼层 来自: 中国浙江温州
看来你的高人说错了。C阀才是负载敏感阀。我还是比较坚持我的观点。等你有合适解释了再解释下吧。。# J. @0 Z0 H  A7 f
1.A号上面那两个比例减压阀,下面那个接X3的是总功率控制阀,可以通过改变电流改变泵的最大吸收功率,上面那个比例减压阀接的是C号阀的左侧,C号阀的右侧是接的X4口,X4口貌似是负荷传感口,就是通常说的LS口,力士乐样本上可以找到,那我就确定C号阀为负荷传感阀,由此我认为接在C号阀左侧的减压阀是改变负荷传感阀ΔP的,就是某些书上说的精细模式,通过减少ΔP,(Q=K*A*ΔP公式有误,不会打根号。就是流量公式了。满世界都是,楼主自己找吧。)就可在不改变开口面积A的情况下通过改变ΔP来改变通过M7阀的流量,达到精细操作的目的。5 @: D2 d8 {3 M2 k
2.楼主所标的B号阀,明显为功率阀。随着压力的增大,泵摆角减少。
发表于 2010-9-11 23:26:42 | 显示全部楼层 来自: 中国浙江温州
上面那个减压阀明显改变的是C阀的ΔP,应该属于精细模式,貌似不能省去吧。除非你机器不好精细模式。
发表于 2010-9-11 23:28:08 | 显示全部楼层 来自: 中国浙江温州
B阀为功率的。随着压力升高,流量减少。保证  功率=流量*压差
 楼主| 发表于 2010-9-15 20:40:07 | 显示全部楼层 来自: 中国上海
感谢大家的讨论,我同意楼上几位的看法:/ e, z9 G' Q8 {, ~& h6 ~
1.B阀为功率阀,通过A阀下面的比例减压阀和泵的压力可以调节泵的排量,但是它是否可以用来设置泵的初始功率?如何设置泵的初始功率?  v5 v# W0 k( h+ @
2.C阀为负载敏感阀,也可以叫做流量阀,它可以通过阀左侧过来的泵主油路的压力和右侧的X4口的压力的压差来改变泵的排量,这也就是负载敏感控制了,所以如果再用A阀上面那个比例减压阀调节压差就有些重复了,它的作用只是用来设置泵的最大排量的。不知对否?
发表于 2010-9-20 21:28:42 | 显示全部楼层 来自: 中国山东青岛
一般都有电流和功率的曲线的,没有的话就比较麻烦了。以下为比较麻烦的方法:直接加载,直到发动机掉速。慢慢给电流,直到发动机对应档位比较稳定后就算差不多了。再换个档位,每个档最好对应相应的电流。不合适再稍微调调就可以了。
# H6 ^3 `; u( @  J; ~4 G2 e& pC阀可以调精细模式,参看附件,

HPR-02泵样本.pdf

805.13 KB, 下载次数: 14

发表于 2012-9-20 14:26:58 | 显示全部楼层 来自: 中国江苏徐州
看看怎么样。
发表回复
您需要登录后才可以回帖 登录 | 注册

本版积分规则


Licensed Copyright © 2016-2020 http://www.3dportal.cn/ All Rights Reserved 京 ICP备13008828号

小黑屋|手机版|Archiver|三维网 ( 京ICP备2023026364号-1 )

快速回复 返回顶部 返回列表