QQ登录

只需一步,快速开始

登录 | 注册 | 找回密码

三维网

 找回密码
 注册

QQ登录

只需一步,快速开始

展开

通知     

查看: 1742|回复: 2
收起左侧

[求助] 求一主轴轴承选用

[复制链接]
发表于 2010-9-6 11:52:00 | 显示全部楼层 |阅读模式 来自: 中国广东惠州

马上注册,结识高手,享用更多资源,轻松玩转三维网社区。

您需要 登录 才可以下载或查看,没有帐号?注册

x
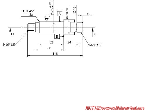
俺设计了一根轴,轴颈直径25mm,两个轴承之间10mm,要求安装完成后主轴跳动0.01mm以内,负载很小,转速也很小1 r/s,除了轴承误差外其它的可以不考滤,我选用NU205U可以达到要求吗?达不到要怎样改?
/ x: s6 l+ _1 l- `没有说到的部分可不不想它,关键是轴承选用的方法与技巧。9 o. s8 p0 q) Z& z" Q5 i& s
http://file:///C:/Documents%20and%20Settings/jason/Application%20Data/Tencent/Users/398069056/QQ/WinTemp/RichOle/T`8$L0ODO({4`QNQJ(_R9C4.jpg
 楼主| 发表于 2010-9-6 13:49:13 | 显示全部楼层 来自: 中国广东惠州
01.JPG
发表于 2010-9-6 21:41:03 | 显示全部楼层 来自: 中国湖南岳阳
主轴轴承的选用和结构设计很有讲究,请参考有关资料。
1.jpg

金切机械.rar

1.74 MB, 下载次数: 5

评分

参与人数 1三维币 +2 收起 理由
hero2006 + 2 应助

查看全部评分

发表回复
您需要登录后才可以回帖 登录 | 注册

本版积分规则


Licensed Copyright © 2016-2020 http://www.3dportal.cn/ All Rights Reserved 京 ICP备13008828号

小黑屋|手机版|Archiver|三维网 ( 京ICP备2023026364号-1 )

快速回复 返回顶部 返回列表