QQ登录

只需一步,快速开始

登录 | 注册 | 找回密码

三维网

 找回密码
 注册

QQ登录

只需一步,快速开始

展开

通知     

全站
5天前
查看: 3706|回复: 3
收起左侧

[已答复] 电机和减速箱如何选择 (,已知负载转速和基本尺寸)

[复制链接]
发表于 2010-9-7 23:16:10 | 显示全部楼层 |阅读模式 来自: 中国江苏南京

马上注册,结识高手,享用更多资源,轻松玩转三维网社区。

您需要 登录 才可以下载或查看,没有帐号?注册

x
http://file:///D:/Drawing1-Model
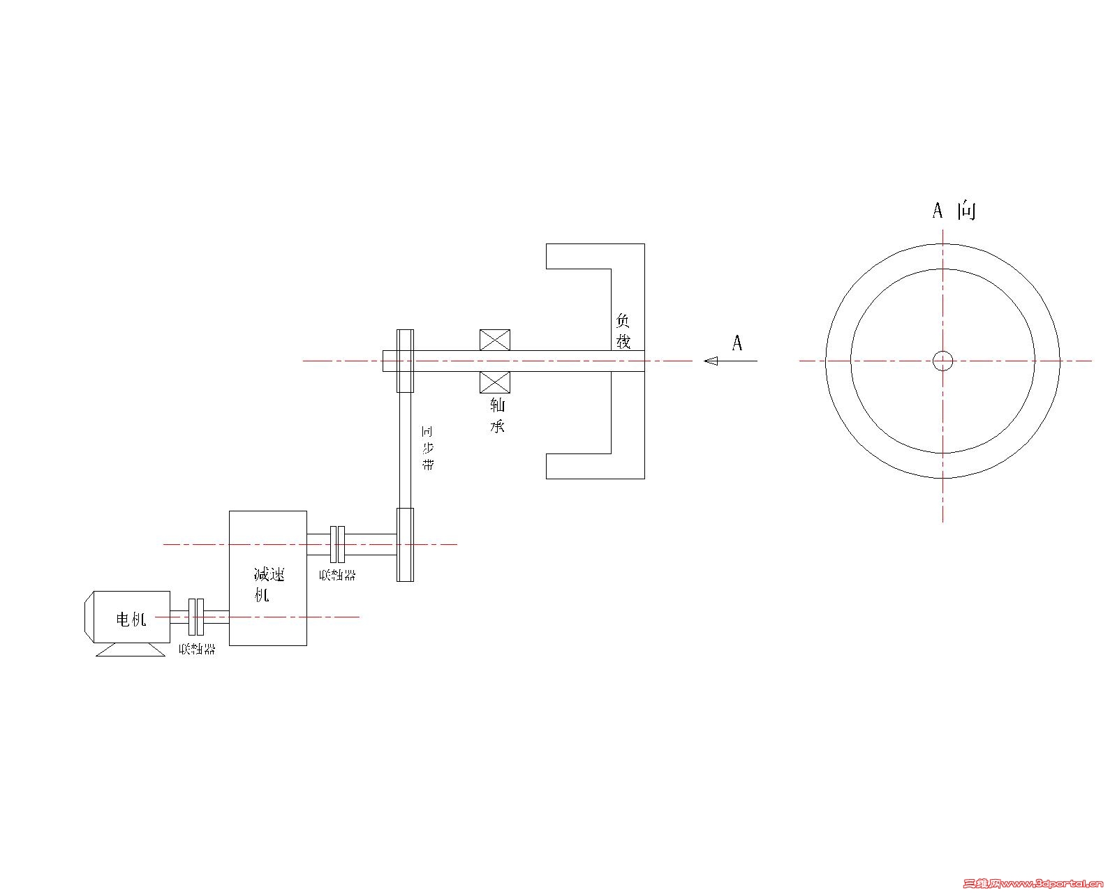
: ~3 Y3 B, J: X2 T' {5 G# `( G$ I如图,负载做旋转运动, 不只道改怎么计算应选用的电机功率和减速箱.& @+ n; f1 ?6 C
2 q  Y9 `+ _0 v+ w- \
已知负载转速、负载基本尺寸(重量可计算出)、总传动比为12' b3 `/ X, P: t! v

, q2 ~2 d9 {; R2 w8 t3 h! [  V求高手指导,需要用到哪些公式,还有哪些参数需要确认?谢谢
Drawing1-Model.jpg
发表于 2010-9-8 08:30:26 | 显示全部楼层 来自: 中国河南郑州
靠,你轴承悬臂啊?这样不好/
) t6 t0 q" Y6 V" R总传动比有了你可以根据自己需要分,减速机和带的传动比和是12就行,看你负载, 电机功率就是效率和你负载再加个安全系数,都不是大问题
发表于 2010-9-8 10:03:14 | 显示全部楼层 来自: 中国山西太原
首先应知道装置主轴的负载(力或扭矩),已知扭矩 T 和转速 n 就可算出功率P:P=nT/9550
' w1 l9 o0 E- I6 m% r( T9 _# T由上式可以看出,在功率不变的情况下,转速n与扭矩T成反比,即转速越快扭矩就越小,根据处的转速就可算出该处的扭矩,这样就可算出电机的扭矩T,已知电机的转速就可求出电机的功率,再引入各处的效率,就可算出电机的实际功率。
2 T$ t+ S+ \; L6 w! C0 Q9 X6 X! ?减速机的选择根据传递的扭矩就可根据样本选择。7 l0 J+ ~& U: Z' E0 e# a
图中有些不合理处,如装置由一个轴承支撑是不稳定的。

评分

参与人数 1三维币 +2 收起 理由
天际孤帆 + 2 应助

查看全部评分

发表于 2010-9-9 13:22:31 | 显示全部楼层 来自: 中国安徽马鞍山
LZ的图纸有好几处不合理的地方。, ~( J! X5 i: M) p3 S
计算电机的功率基本如3楼所说,但选择电机还要看转数。
. F2 Q. r+ q& V% {还有传动比的问题,皮带传动的传动比一般推荐为i=2~5。把总传动比分成两部分,一部分皮带,一部分减箱。
2 d( I5 w+ U5 E根据你选皮带的传动比,可求得减速箱的传动比。在根据负载转数,求出各段的输入、输出转速。减速箱也就基本确定了。
发表回复
您需要登录后才可以回帖 登录 | 注册

本版积分规则

Licensed Copyright © 2016-2020 http://www.3dportal.cn/ All Rights Reserved 京 ICP备13008828号

小黑屋|手机版|Archiver|三维网 ( 京ICP备2023026364号-1 )

快速回复 返回顶部 返回列表