QQ登录

只需一步,快速开始

登录 | 注册 | 找回密码

三维网

 找回密码
 注册

QQ登录

只需一步,快速开始

展开

通知     

查看: 1848|回复: 14
收起左侧

[求助] 这个零件怎么加工比较好

[复制链接]
发表于 2010-9-10 09:53:10 | 显示全部楼层 |阅读模式 来自: 中国浙江杭州

马上注册,结识高手,享用更多资源,轻松玩转三维网社区。

您需要 登录 才可以下载或查看,没有帐号?注册

x
本帖最后由 clcx001 于 2010-9-10 10:10 编辑 8 T. _. C) s" o  }$ t: [

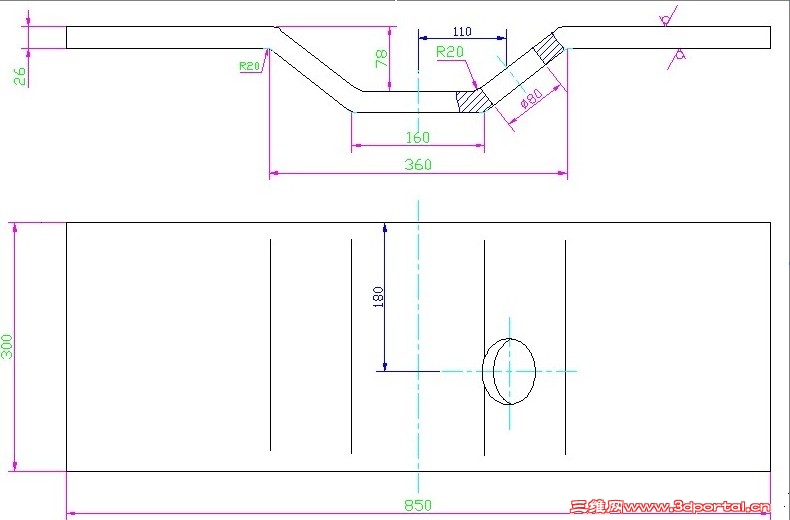
& f% n7 V/ n4 K; F附图如下 大家交流下这个零件怎么加工出来,主要是直径80孔的加工。
EX0CUMNA86PE}@XBZGKNH@B.jpg
发表于 2010-9-10 11:15:26 | 显示全部楼层 来自: 中国江苏南京
板材先压成型,然后划线镗床开孔。
发表于 2010-9-10 12:33:38 | 显示全部楼层 来自: 中国河北石家庄
冲压+钻孔。
发表于 2010-9-10 13:16:03 | 显示全部楼层 来自: 中国内蒙古呼和浩特
先折弯,后镗孔。要做简易工装。
 楼主| 发表于 2010-9-10 13:31:51 | 显示全部楼层 来自: 中国浙江杭州
这个工件其实挺简单,主要是那个80mm孔的加工,因为是以板的中心线定位的,所以必须先弯曲才能打空,而这种形状打孔的话工装很难弄,我想问的是有没简单的办法做到。谢谢
发表于 2010-9-10 14:04:26 | 显示全部楼层 来自: 中国四川资阳
冲压(普通的)能达到折弯的效果?T25厚的扳子
发表于 2010-9-10 14:19:39 | 显示全部楼层 来自: 中国浙江宁波
先折弯,然后炮塔铣床调角度镗孔
发表于 2010-9-10 21:29:32 | 显示全部楼层 来自: 中国江苏南京
折弯后镗孔!
发表于 2010-9-11 08:19:58 | 显示全部楼层 来自: 中国辽宁沈阳
折弯后镗孔!
6 i/ D$ U2 F/ ^0 }; T$ n. jdoghog 发表于 2010-9-10 21:29 http://www.3dportal.cn/discuz/images/common/back.gif

; r! l6 _$ I2 P4 C7 ?4 U. X! \2 O% S26mm厚的材料,什么设备可以折弯它。
发表于 2010-9-11 08:24:36 | 显示全部楼层 来自: 中国辽宁沈阳
用板材锻造成形状,再机加工外形,孔可先钻,再镗至尺寸。
 楼主| 发表于 2010-9-13 09:06:21 | 显示全部楼层 来自: 中国浙江杭州
用板材锻造成形状,再机加工外形,孔可先钻,再镗至尺寸。" u/ d* z+ r( B, F* {( p
hxg168 发表于 2010-9-11 08:24 http://www.3dportal.cn/discuz/images/common/back.gif
0 J0 W, G  Y! l  M4 ^  s
1 P" p* f' O& I4 V  ~$ M
孔不能先钻的 因为这孔是以折弯后的中心线为基准的,另外这孔的加工怎么装夹,难题主要是装夹问题
发表于 2010-9-13 14:24:51 | 显示全部楼层 来自: 中国山东青岛
孔不能先钻的 因为这孔是以折弯后的中心线为基准的,另外这孔的加工怎么装夹,难题主要是装夹问题7 X  G) }. z9 |# D# ]6 J' t; v
clcx001 发表于 2010-9-13 09:06 http://www.3dportal.cn/discuz/images/common/back.gif
& U0 b+ ]& a! E
人家说的对,板材锻造后,机加外形,然后先钻孔 再镗孔 ,至于装夹我觉得很简单。做一个简单的V型夹块,用钻床 钻-扩-铰
发表于 2010-9-13 16:09:59 | 显示全部楼层 来自: 中国河南洛阳
钻完压比较好
头像被屏蔽
发表于 2010-9-13 18:01:47 | 显示全部楼层 来自: 中国上海
提示: 作者被禁止或删除 内容自动屏蔽
发表于 2010-9-14 20:24:19 | 显示全部楼层 来自: 中国河南济源
先冲压成型,然后划线确定孔的中心线位置,用镗床先钻后扩,主要是装夹不好装,可以在装夹的时候把工件调整角度,也可用旋转动力头转角度加工
发表回复
您需要登录后才可以回帖 登录 | 注册

本版积分规则


Licensed Copyright © 2016-2020 http://www.3dportal.cn/ All Rights Reserved 京 ICP备13008828号

小黑屋|手机版|Archiver|三维网 ( 京ICP备2023026364号-1 )

快速回复 返回顶部 返回列表