QQ登录

只需一步,快速开始

登录 | 注册 | 找回密码

三维网

 找回密码
 注册

QQ登录

只需一步,快速开始

展开

通知     

查看: 1988|回复: 9
收起左侧

[求助] 求助零件加工方法及流程

[复制链接]
发表于 2010-9-19 10:16:46 | 显示全部楼层 |阅读模式 来自: 中国浙江杭州

马上注册,结识高手,享用更多资源,轻松玩转三维网社区。

您需要 登录 才可以下载或查看,没有帐号?注册

x
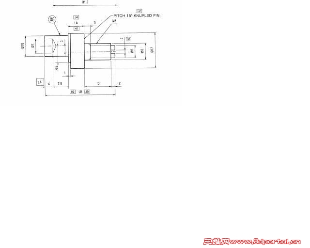
附件为求助各位加工方法及流程.
零件.JPG
发表于 2010-9-19 11:25:27 | 显示全部楼层 来自: 中国湖南长沙
这是曲轴的加工,最好是先划线找中
发表于 2010-9-19 13:02:39 | 显示全部楼层 来自: 中国四川资阳
先车右端,调头上夹具车偏心轴,再加工其他工序
发表于 2010-9-19 15:05:21 | 显示全部楼层 来自: 中国河北石家庄
这个零件的加工分三道序,' m8 a; n% `8 O" }# c& x
1,以中肩左边的毛坯定位装夹中肩,加工右端及端面,普通三爪。6 A& _( T$ m) s6 a" a$ z4 V: O
2,做专用工装装夹上序加工的右端及端面定位,加工左端。
9 d+ g- s- L/ t, X! U4 L( V3,加工中肩。
发表于 2010-9-19 15:15:17 | 显示全部楼层 来自: 中国广东中山
图纸看的不是很清楚,一般的工艺和4楼说的应该差不多,中间中肩处没看明白,感觉好像不是单单用车就能加工出来的
发表于 2010-9-19 16:17:59 | 显示全部楼层 来自: 中国江苏徐州
单件小批量生产可以用垫片。
发表于 2010-9-20 10:23:12 | 显示全部楼层 来自: 中国浙江宁波
这个零件看图纸不是很复杂,关键要看批量,如数量不大,用楼上几位讲的都可以加工。如批量很大,则专用仪表车床加工,7道工序(不包括热处理)。
发表于 2010-9-20 14:36:07 | 显示全部楼层 来自: 中国台湾
用偏心夾筒或偏心模具
发表于 2010-10-8 16:23:36 | 显示全部楼层 来自: 中国河南信阳
此零件加工不是很难。关键是看偏心的要求是否严格?批量大考虑做工装,单件划线车床即可加工。简单工艺流程如下:. `$ I. e. Z% i5 j6 d" C+ q6 _/ H3 Z/ p
  1.下料
$ H0 S5 P: M/ C* k. |+ z  2.车外形尺寸及左端台阶
. j0 I0 _/ g6 B) a( }# I/ p& H. v  3.按图纸划两端偏心线
; @2 J+ j& C- Z! ~/ B! a  4.卡右端,车左端并钻孔(偏心套工装)5 {+ H% q4 O# ^. }: q
  5.调头,按图加工右端
: a) i) m# i( x4 h  6.按图铣槽
发表于 2010-10-8 20:34:37 | 显示全部楼层 来自: 中国河北石家庄
单件上四爪批量上花盘加工装,中级以上车工都会干
发表回复
您需要登录后才可以回帖 登录 | 注册

本版积分规则


Licensed Copyright © 2016-2020 http://www.3dportal.cn/ All Rights Reserved 京 ICP备13008828号

小黑屋|手机版|Archiver|三维网 ( 京ICP备2023026364号-1 )

快速回复 返回顶部 返回列表