QQ登录

只需一步,快速开始

登录 | 注册 | 找回密码

三维网

 找回密码
 注册

QQ登录

只需一步,快速开始

展开

通知     

全站
6天前
查看: 2967|回复: 8
收起左侧

[原创] 经典卷圆排样

[复制链接]
发表于 2010-9-23 15:38:37 | 显示全部楼层 |阅读模式 来自: 中国江苏无锡

马上注册,结识高手,享用更多资源,轻松玩转三维网社区。

您需要 登录 才可以下载或查看,没有帐号?注册

x
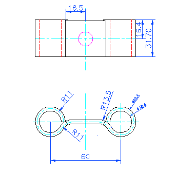
此产品已经生产4年了,跟大家分享一下其排样!
% h0 n0 }1 [- B1 {' U" n材料是:QSTE380 TM  `+ e* x3 n5 x! C* @
T=3.56 }* ~0 Y: x7 P1 j, _  q6 J9 r5 Q* {
2212.jpg 9 v7 a/ _; r0 c' }$ G' G& R
221.rar (37.14 KB, 下载次数: 55)
发表于 2010-9-25 17:14:11 | 显示全部楼层 来自: 中国广东江门
感谢楼主的分享精神,能把难度高点的也分享下吗?
发表于 2010-9-29 13:54:27 | 显示全部楼层 来自: 中国广东江门
下载了,对我很有帮助。
发表于 2010-9-30 16:31:45 | 显示全部楼层 来自: 中国浙江宁波
不错,方式可行
未命名.JPG
发表于 2010-9-30 20:36:51 | 显示全部楼层 来自: 中国山东济南
lz有没有模具图纸啊,分享一下,呵呵
 楼主| 发表于 2010-10-1 10:51:05 | 显示全部楼层 来自: 中国江苏连云港
5# wxt20082009 % b  u% V/ l" v- @6 j
有了排样,其实模具结构就差不多应该知道了
发表于 2010-10-9 13:56:51 | 显示全部楼层 来自: 中国广东深圳
感谢楼主,值得借鉴!
发表于 2010-10-15 22:32:35 | 显示全部楼层 来自: 中国广东深圳
谢谢楼主的分享。学习中!
发表于 2012-6-19 19:31:43 | 显示全部楼层 来自: 中国广东深圳
向下包圆吗?
发表回复
您需要登录后才可以回帖 登录 | 注册

本版积分规则


Licensed Copyright © 2016-2020 http://www.3dportal.cn/ All Rights Reserved 京 ICP备13008828号

小黑屋|手机版|Archiver|三维网 ( 京ICP备2023026364号-1 )

快速回复 返回顶部 返回列表