QQ登录

只需一步,快速开始

登录 | 注册 | 找回密码

三维网

 找回密码
 注册

QQ登录

只需一步,快速开始

展开

通知     

查看: 3640|回复: 15
收起左侧

[求助] 蜗杆的加工方法

[复制链接]
发表于 2010-9-23 20:46:35 | 显示全部楼层 |阅读模式 来自: 中国山西太原

马上注册,结识高手,享用更多资源,轻松玩转三维网社区。

您需要 登录 才可以下载或查看,没有帐号?注册

x
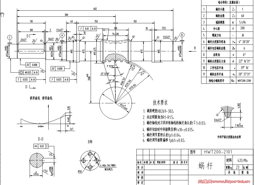
大家知道这种蜗杆的加工方法吗?知道的指点一下
gfdsgdf.jpg
发表于 2010-9-24 09:37:49 | 显示全部楼层 来自: 中国山东威海
蜗杆处铣刀铣削加工
发表于 2010-9-24 09:47:25 | 显示全部楼层 来自: 中国广东肇庆
蜗杆件不多一般在车床上加工
发表于 2010-9-24 14:02:53 | 显示全部楼层 来自: 中国台湾
用滾齒機加工
发表于 2010-9-24 20:54:22 | 显示全部楼层 来自: 中国江苏苏州
车刀肯定不能走直线:lol::lol:  j" v; {: X2 ~3 P: L  w$ \
车刀也不能走圆弧,因为齿形是向心的
; E8 l' Z0 X+ q, {那车刀只能圆周方式运动6 u, h% J. T$ X4 x8 h/ J6 c5 M' S
以上只是个人看法
发表于 2010-9-25 16:13:54 | 显示全部楼层 来自: 中国上海
蜗杆处在车床上面车出R160.761,在滚齿机上加工蜗杆
发表于 2010-9-25 16:46:08 | 显示全部楼层 来自: 中国湖北黄石
蜗杆处在车床上面车出R160.761,在滚齿机上加工蜗杆 ( x% z+ x* o2 L! N
================================7 u) k! @. D' G: Q# M& @4 d- D( ^: g4 s
这种方法可以 ,还有没更简单的方式。要装夹2次,精度不好控制
发表于 2011-5-24 14:35:31 | 显示全部楼层 来自: 中国吉林长春
数控车+滚齿机
发表于 2011-5-24 21:51:27 | 显示全部楼层 来自: 中国山东青岛
蜗杆这么设计我第一次看到,蜗杆外圆一般是圆柱的,涡轮界面才是你的图纸的形状,如果你的蜗杆做成这样的那你的涡轮设计成什么样了,界面做成凸的?蜗杆一般都是车的,涡轮一般是滚齿机滚得,涡轮滚刀只做径向进刀,所以涡轮一般都是内凹的。
发表于 2011-6-10 13:37:37 | 显示全部楼层 来自: 中国浙江杭州
此类蜗轮蜗杆属于双包覆的了,只是不知道这蜗杆是怎么加工的,滚齿机是怎么加工,希望有人能出个简易图看看
发表于 2011-11-13 21:16:13 | 显示全部楼层 来自: 中国河北沧州
二包蜗杆,数控车可以直接搞定,我们群里有个大师就会 ,但是程序很贵万元级别的,宏程序编写的
发表于 2011-11-13 21:34:47 | 显示全部楼层 来自: 中国山东滨州
11楼那你给请教一下写个程序把
发表于 2011-11-13 22:40:10 | 显示全部楼层 来自: 中国广东东莞
二包蜗杆,数控车可以直接搞定,我们群里有个大师就会 ,但是程序很贵万元级别的,宏程序编写的
( c& o& A( `0 E# \4 drqsyk 发表于 2011-11-13 21:16 http://www.3dportal.cn/discuz/images/common/back.gif
) Z0 n, ~- s+ T  N% a/ M, Q
“程序很贵万元级别的”比一根蜗杆还贵?这根蜗杆值多少钱?
发表于 2011-11-15 11:06:51 | 显示全部楼层 来自: 中国山西太原
本帖最后由 gaoyns 于 2011-11-16 09:10 编辑
) ~0 @% G3 y; v$ U* N
: a  L- K! b4 w' @' _: T+ o这是平面二次包络蜗杆,与其相配的蜗轮齿面上,是以平面齿齿轮的齿面为母面经共轭运动包络形成的。可用与该蜗杆参数、形状完全一致的滚刀在滚齿机上展成。构成传动副需两次包络运动,故称为平面二次包络环面蜗杆传动。
平面包络蜗杆形成原理.jpg
发表于 2011-11-15 16:52:51 | 显示全部楼层 来自: 中国山东济南
听说有这样的靠模机构,打听一下
发表于 2011-11-16 09:36:41 | 显示全部楼层 来自: 中国上海
6楼、14楼说的在点子上。这也是最为经典且经济的做法。
发表回复
您需要登录后才可以回帖 登录 | 注册

本版积分规则


Licensed Copyright © 2016-2020 http://www.3dportal.cn/ All Rights Reserved 京 ICP备13008828号

小黑屋|手机版|Archiver|三维网 ( 京ICP备2023026364号-1 )

快速回复 返回顶部 返回列表