QQ登录

只需一步,快速开始

登录 | 注册 | 找回密码

三维网

 找回密码
 注册

QQ登录

只需一步,快速开始

展开

通知     

goto3d 说: 在线网校重磅上线MC2022&Inventor2022全新课程,虞为民老师、大表哥同事精彩讲解,快去围观!
2021-06-25
查看: 1609|回复: 7
收起左侧

[求助] 谁帮助画一下这个机械图!

[复制链接]
发表于 2010-9-28 21:16:23 | 显示全部楼层 |阅读模式 来自: 中国广东惠州

马上注册,结识高手,享用更多资源,轻松玩转三维网社区。

您需要 登录 才可以下载或查看,没有帐号?注册

x
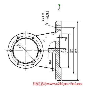
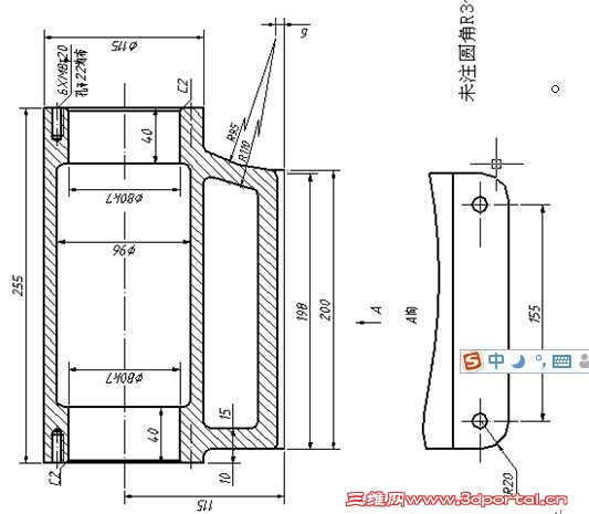
1.jpg 2.jpg 3.jpg
发表于 2010-9-28 23:00:34 | 显示全部楼层 来自: 中国广东佛山
这个图呀。我试试。。。
发表于 2010-9-29 09:06:17 | 显示全部楼层 来自: 中国江苏徐州
画到这看不清图了,想不来三维图的样子

wangshangdetu.prt.zip

324.67 KB, 下载次数: 11

发表于 2010-9-29 10:20:32 | 显示全部楼层 来自: 中国广东中山
本帖最后由 wod861210 于 2010-9-29 10:21 编辑
9 b8 c* r% m! v5 c; |  c
1 Y( S' E, Z& ?0 ?图纸没表达清楚
; H5 {# R1 M9 J) n' I. v6 C% F! r+ v图1,的15尺寸是什么?凸筋吗?位置在哪,不知道/ f0 `' K3 Y1 w! r' Q2 z1 a
图2、看立体图前后2个筋板形状不同,没尺寸
11.jpg
22.jpg
发表于 2010-9-29 13:42:56 | 显示全部楼层 来自: 中国浙江宁波
尺寸不全 而且有些视图缺省
发表于 2010-9-29 13:59:02 | 显示全部楼层 来自: 中国广东深圳
用2.0版本画了一个,想来应该可以了。
管路附件.jpg

prt0001.prt.rar

123.76 KB, 下载次数: 25

发表于 2010-9-29 15:31:50 | 显示全部楼层 来自: 中国江苏苏州
初用PROE作图,后面的我删了,里面生成的文件太多了.
prt0001.jpg

3d.rar

195.85 KB, 下载次数: 3

 楼主| 发表于 2010-10-1 01:24:11 | 显示全部楼层 来自: 中国广东惠州
这图,我画不出
发表回复
您需要登录后才可以回帖 登录 | 注册

本版积分规则


Licensed Copyright © 2016-2020 http://www.3dportal.cn/ All Rights Reserved 京 ICP备13008828号

小黑屋|手机版|Archiver|三维网 ( 京ICP备2023026364号-1 )

快速回复 返回顶部 返回列表