QQ登录

只需一步,快速开始

登录 | 注册 | 找回密码

三维网

 找回密码
 注册

QQ登录

只需一步,快速开始

展开

通知     

全站
5天前
查看: 2149|回复: 4
收起左侧

[已解决] O形圈轴向密封,经常要拆卸, 孔轴间隙如何控制?

[复制链接]
发表于 2010-9-28 21:47:02 | 显示全部楼层 |阅读模式 来自: 中国江苏苏州

马上注册,结识高手,享用更多资源,轻松玩转三维网社区。

您需要 登录 才可以下载或查看,没有帐号?注册

x
O形圈轴向密封,经常要拆卸, 孔轴间隙如何控制?
发表于 2010-10-23 16:55:32 | 显示全部楼层 来自: 中国重庆
1# zayssb8 ; `% y2 ?1 T* b+ \5 I
4 K5 S5 u7 K' ^$ ^; s: W. w9 ?
O圈的设计间隙,标准中有规定,与经常拆卸无关。满足使用要求是最基本的

评分

参与人数 1三维币 +2 收起 理由
天际孤帆 + 2 鼓励交流

查看全部评分

发表于 2010-10-23 23:47:04 | 显示全部楼层 来自: 中国河北石家庄
O型圈是轴向密封的吗?
发表于 2010-10-24 09:26:15 | 显示全部楼层 来自: 中国四川自贡
应该是控制其压缩的量,一般设计手册上都有。
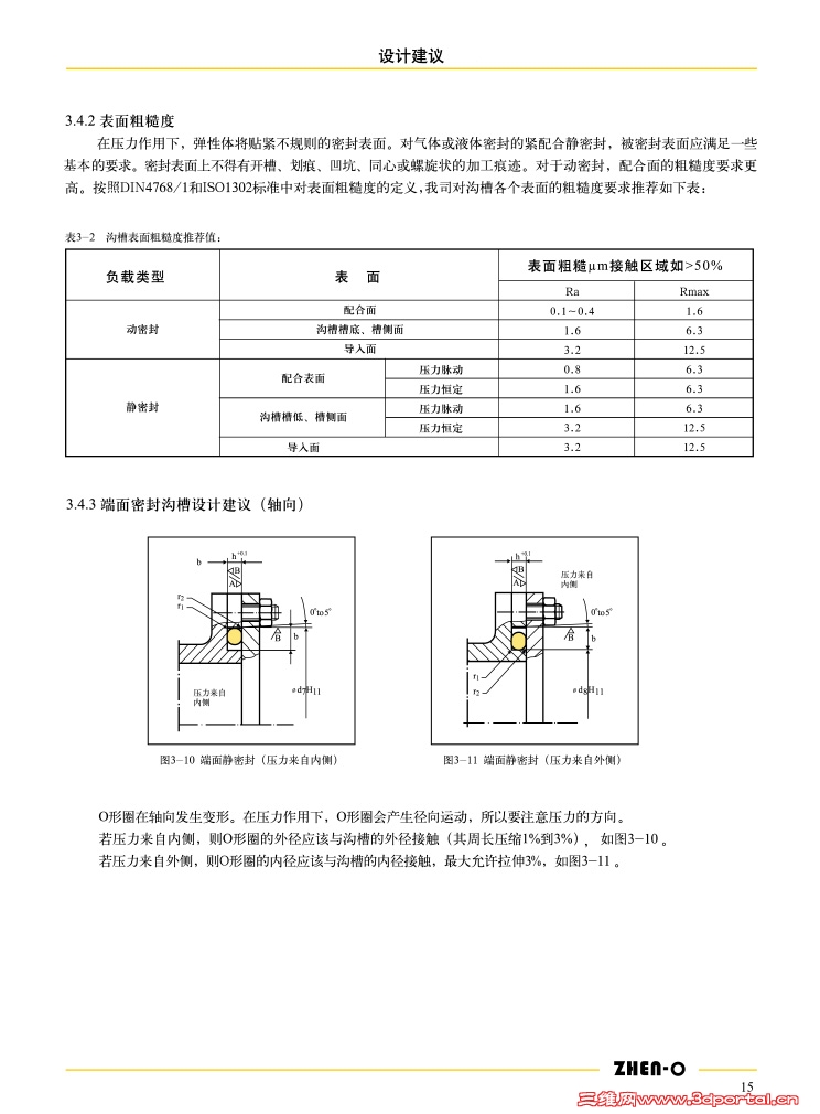
O型圈手册p15.jpg

评分

参与人数 1三维币 +2 收起 理由
天际孤帆 + 2 鼓励交流

查看全部评分

发表于 2010-10-24 18:09:54 | 显示全部楼层 来自: 中国吉林长春
+1mm
- U  g  ]( {9 ^: \+1mm
$ C/ ~8 g& t% r' `7 s+1mm
( V* M, `% |: u; ?+1mm- ~& Q; f. l! m3 F
+1mm
发表回复
您需要登录后才可以回帖 登录 | 注册

本版积分规则

Licensed Copyright © 2016-2020 http://www.3dportal.cn/ All Rights Reserved 京 ICP备13008828号

小黑屋|手机版|Archiver|三维网 ( 京ICP备2023026364号-1 )

快速回复 返回顶部 返回列表