QQ登录

只需一步,快速开始

登录 | 注册 | 找回密码

三维网

 找回密码
 注册

QQ登录

只需一步,快速开始

展开

通知     

goto3d 说: 在线网校重磅上线MC2022&Inventor2022全新课程,虞为民老师、大表哥同事精彩讲解,快去围观!
2021-06-25
查看: 2638|回复: 21
收起左侧

[讨论] 机械图,大家进来画一画!

[复制链接]
发表于 2010-10-1 01:28:46 | 显示全部楼层 |阅读模式 来自: 中国广东惠州

马上注册,结识高手,享用更多资源,轻松玩转三维网社区。

您需要 登录 才可以下载或查看,没有帐号?注册

x
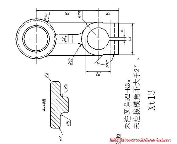
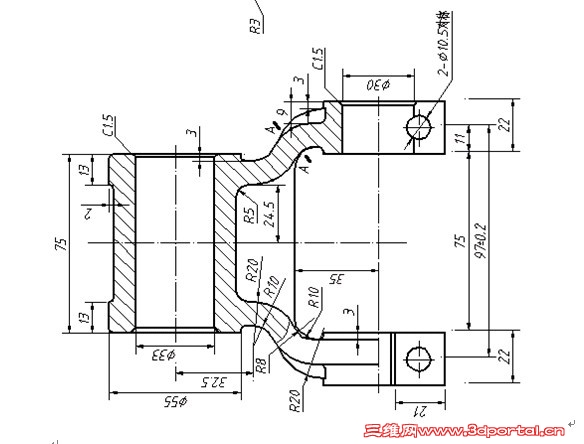
1.jpg 2.jpg 3.jpg
发表于 2010-10-1 09:29:34 | 显示全部楼层 来自: 中国广东肇庆
什么意思?想表达什么
发表于 2010-10-1 12:50:27 | 显示全部楼层 来自: 中国江苏常州
什么意思?想表达什么/ N/ _0 u3 |5 ~& I) l$ H( h/ D# p/ W
未济 发表于 2010-10-1 09:29 http://www.3dportal.cn/discuz/images/common/back.gif

8 \5 E4 i( K( D- C; x楼主的图应该是个铸件,想要我们帮他画三维。。。' n+ [; c. W3 v/ q
楼主时间选错啦,今天是10.1号。。高手都过节去啦。。呵呵
发表于 2010-10-1 15:33:20 | 显示全部楼层 来自: 中国湖北武汉
我来看看 :P
发表于 2010-10-3 17:23:25 | 显示全部楼层 来自: 中国安徽淮北
图片1.jpg % S( ?' q, {9 N. \9 l& z" q! S8 S
prt0001.prt.rar (148.6 KB, 下载次数: 81)
发表于 2010-10-4 11:10:06 | 显示全部楼层 来自: 中国山东青岛
图做的不错,值得学习
发表于 2010-10-4 11:14:09 | 显示全部楼层 来自: 中国广东汕尾
这个图算是比较规则的了!
发表于 2010-10-4 11:15:19 | 显示全部楼层 来自: 中国广东佛山
不错的学习资料,好象是个拔叉类零件.
头像被屏蔽
发表于 2010-10-4 16:44:28 | 显示全部楼层 来自: 中国浙江绍兴
提示: 作者被禁止或删除 内容自动屏蔽
发表于 2010-10-4 18:18:46 | 显示全部楼层 来自: 中国广东深圳
好试题,我也试试看
发表于 2010-10-5 04:18:56 | 显示全部楼层 来自: 马来西亚
下载了,马上学习..
发表于 2010-10-6 21:35:22 | 显示全部楼层 来自: 中国广东深圳
我怎么看像个链条啊
发表于 2010-11-6 12:49:28 | 显示全部楼层 来自: 中国浙江温州
拿来做练习题
发表于 2010-11-6 18:02:13 | 显示全部楼层 来自: 中国江苏泰州
顶顶顶顶顶
头像被屏蔽
发表于 2010-11-7 11:29:26 | 显示全部楼层 来自: 中国浙江台州
提示: 作者被禁止或删除 内容自动屏蔽
发表于 2010-11-11 23:03:05 | 显示全部楼层 来自: 中国江苏苏州
small case!it can spend two hours to complete.
发表于 2010-11-13 16:37:29 | 显示全部楼层 来自: 中国广东深圳
下来试试~~~~
发表于 2010-11-13 21:50:26 | 显示全部楼层 来自: 中国浙江宁波
刚刚看到  不错的教材 挺起来 O(∩_∩)O哈哈~
发表于 2010-11-14 20:53:18 | 显示全部楼层 来自: 中国广东广州
不知道怎么画,看看
发表于 2010-11-15 12:13:41 | 显示全部楼层 来自: 中国浙江宁波
两只脚部分有点迷茫,不知道如何下手
发表于 2010-11-15 13:20:08 | 显示全部楼层 来自: 中国江苏徐州
这个图还好,先练练再和你们交流一下
发表于 2010-11-16 10:54:36 | 显示全部楼层 来自: 中国广东佛山
这个 我看是汽车上的零件  减震钢板吊环
发表回复
您需要登录后才可以回帖 登录 | 注册

本版积分规则


Licensed Copyright © 2016-2020 http://www.3dportal.cn/ All Rights Reserved 京 ICP备13008828号

小黑屋|手机版|Archiver|三维网 ( 京ICP备2023026364号-1 )

快速回复 返回顶部 返回列表