QQ登录

只需一步,快速开始

登录 | 注册 | 找回密码

三维网

 找回密码
 注册

QQ登录

只需一步,快速开始

展开

通知     

查看: 1569|回复: 3
收起左侧

[求助] 大家帮帮我看看这个原理图

[复制链接]
发表于 2010-10-7 11:53:12 | 显示全部楼层 |阅读模式 来自: 中国内蒙古呼和浩特

马上注册,结识高手,享用更多资源,轻松玩转三维网社区。

您需要 登录 才可以下载或查看,没有帐号?注册

x
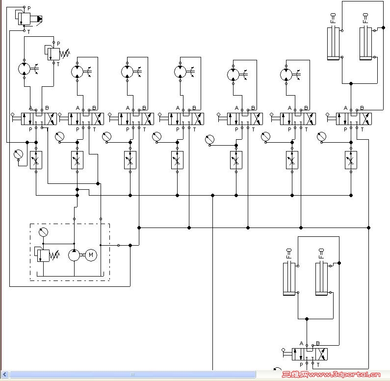
原理.JPG . c! V( y! D0 h  f
液压马达型号AKS05-9025 c& y' M* R7 z$ z  ^
技术性能参数. ]( X# B7 t) ~# l+ t6 a0 M0 I
理论排量
=86ml/r  需要最高转速215 r/min

! R4 q4 e% [1 B3 P液压马达型号AKS05-1701- N$ O9 O; N3 z$ D* r7 H
+ l* A$ G3 P- C0 j. R& I) \" [2 q3 p! K" J
技术性能参数
' ~1 g8 U7 F- d# z7 M' I理论排量
=166ml/r  需要最高转速170 r/min

* M1 B! o0 {, O6 \/ s# o液压马达型号AKS05-1101
) F& t% {& b; f/ L# i技术性能参数% b& _8 m( H2 L5 I5 N8 N6 g
理论排量
=115ml/r  需要最高转速170 r/min

, \0 B7 l) i/ b2 `/ P液压马达型号BMR-502
. c- ?; c: @* `技术性能参数
; q/ \% V" {- w5 D! j( \! S理论排量
=51.7ml/r  需要最高转速389 r/min,输送皮带马达

% J' C3 G1 h* [. f* B! x液压油缸型号HSG50/28E750; Y7 z$ k* z, p6 Y1 }
4
+ Z; C. H3 Q1 k4 z
6个马达各自控制,油缸2对控制,马达各自负载不同,马达工作压力大概在16Mpa,油缸作用是举升输送皮带支撑作用,电机初步选定3745KW4 ]& ~$ h2 f; U8 v2 e5 K
求帮助:这个可行不啊?会不会马达转速不理想,
, d, G! ^4 r! R  ?5 n. z
发表于 2010-10-8 10:14:04 | 显示全部楼层 来自: 中国北京
马达同时动作吗,如果同时动作负载差距较大,这样肯定是不行的
发表于 2010-10-8 23:17:47 | 显示全部楼层 来自: 中国北京
同意楼上,另外你这好像还有一个i发热的问题。
发表于 2010-10-12 23:09:02 | 显示全部楼层 来自: 中国辽宁大连
楼主用的是festo 的fluid3.5??
发表回复
您需要登录后才可以回帖 登录 | 注册

本版积分规则


Licensed Copyright © 2016-2020 http://www.3dportal.cn/ All Rights Reserved 京 ICP备13008828号

小黑屋|手机版|Archiver|三维网 ( 京ICP备2023026364号-1 )

快速回复 返回顶部 返回列表