QQ登录

只需一步,快速开始

登录 | 注册 | 找回密码

三维网

 找回密码
 注册

QQ登录

只需一步,快速开始

展开

通知     

全站
2天前
查看: 2061|回复: 11
收起左侧

[求助] 减压阀出口压力

[复制链接]
发表于 2010-10-18 21:59:25 | 显示全部楼层 |阅读模式 来自: 中国辽宁辽阳

马上注册,结识高手,享用更多资源,轻松玩转三维网社区。

您需要 登录 才可以下载或查看,没有帐号?注册

x
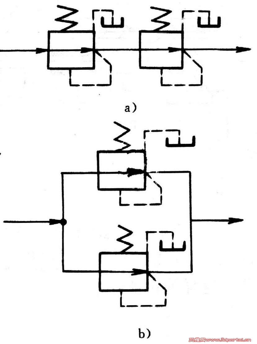
图示两阀组的出口压力取决于哪个减压阀?为什么?设两减压阀调定压力一大一小,并且所在支路有足够的负载。
2.jpg

评分

参与人数 1三维币 +5 收起 理由
46792974 + 5 谢谢参与

查看全部评分

发表于 2010-10-19 08:36:00 | 显示全部楼层 来自: 中国江苏南通
呵呵: I" O1 b( y( q! E2 l7 V: d

' N! D  Q+ Z4 J; @% h" D4 K! ]9 G教科书的呀
发表于 2010-10-19 09:42:30 | 显示全部楼层 来自: 中国河北唐山
情况有点复杂:
  [% H0 c7 W2 N9 v4 {3 n7 I如果负载足够大的话,两减压阀串联的支路出口压力应该取决于设定值较小的那个阀,并联则取决于较大的阀。

评分

参与人数 1三维币 +5 收起 理由
46792974 + 5 解释一下呀。呵呵

查看全部评分

发表于 2010-10-19 10:21:33 | 显示全部楼层 来自: 中国河北秦皇岛
实际中为什么这么用啊 不太符合实际吧
发表于 2010-10-19 12:50:18 | 显示全部楼层 来自: 中国北京
为什么呢?说出理由来呀。
发表于 2010-10-19 19:48:31 | 显示全部楼层 来自: 中国江苏无锡
情况有点复杂:" U: n8 I0 F% w- a- f
如果负载足够大的话,两减压阀串联的支路出口压力应该取决于设定值较小的那个阀,并联则取决于较大的阀。" E, ^2 K- s  q: e; l% I0 ]
tudou198423 发表于 2010-10-19 09:42 http://www.3dportal.cn/discuz/images/common/back.gif

; Q/ O7 B! R5 ^
% k+ L( _/ T8 v# f) g0 P/ L* w我同意这样的说法,但是LZ没有具体的说出负载多少,两个减压阀的压力设定是多少
 楼主| 发表于 2010-10-20 10:01:40 | 显示全部楼层 来自: 中国辽宁辽阳
这是书上的习题,并联的时候请具体讲讲为什么取较大的减压阀
 楼主| 发表于 2010-11-1 11:43:09 | 显示全部楼层 来自: 中国辽宁辽阳
并联时候如果两个减压阀的调定压力分别是5Mpa和10Mpa,负载压力是7Mpa,那么压力由哪个减压阀决定
发表于 2010-11-1 12:34:43 | 显示全部楼层 来自: 中国辽宁本溪
只是与楼上交流哈,不一定对。4 e! ^: R; a' x: a! q" H, z
两个减压阀并联,当负载压力超过5Mpa时,调定值低的减压阀其阀口会关闭,不起作用。
. d3 v+ g  e4 e) t# d% c' E调定值高的减压阀,正常减压的压力是10Mpa。
0 B  L  u7 u  r( F$ d2 Y, Z6 Z所以负载压力是7Mpa,是不是哪个也不起作用?
发表于 2010-11-1 17:50:24 | 显示全部楼层 来自: 中国四川泸州
9# bohaiyan
2 ~7 U5 |4 d) j) |! g/ c后边有负载的话,应该还是7MPa吧,直接从设定为10MPa的阀中流出。+ _6 A8 _" M; x! M! @
没有负载的话,逐渐减小到0吧
发表于 2010-11-1 19:11:11 | 显示全部楼层 来自: 中国上海
1、串联的话,应该后面的调定压力比前面的要小,如果比前面的大就没有什么意义了。3 {! O  ~$ O! i) J( i
2、并联则取决于较大的阀。
$ i' p; m6 E! C2 w' k3、我个人觉得并联没有应用价值,不过串联可以得到一个更稳定的输出压力,不过没有这样用过。
发表于 2010-11-2 08:57:52 | 显示全部楼层 来自: 中国河南郑州
同意11楼的说法。串联就像逐级减压,并联没什么用处
发表回复
您需要登录后才可以回帖 登录 | 注册

本版积分规则

Licensed Copyright © 2016-2020 http://www.3dportal.cn/ All Rights Reserved 京 ICP备13008828号

小黑屋|手机版|Archiver|三维网 ( 京ICP备2023026364号-1 )

快速回复 返回顶部 返回列表