QQ登录

只需一步,快速开始

登录 | 注册 | 找回密码

三维网

 找回密码
 注册

QQ登录

只需一步,快速开始

展开

通知     

查看: 2864|回复: 5
收起左侧

[求助] 关于卡特320C主泵交叉控制的平均输送压力问题

[复制链接]
发表于 2010-10-21 13:04:39 | 显示全部楼层 |阅读模式 来自: 中国辽宁本溪

马上注册,结识高手,享用更多资源,轻松玩转三维网社区。

您需要 登录 才可以下载或查看,没有帐号?注册

x
本帖最后由 bohaiyan 于 2010-10-21 13:06 编辑 $ j7 V; X2 C9 m* H" g8 m

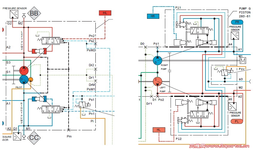
4 A( D* b$ m& K4 A% d! q' n1 ~见贴图。
7 H- a; V' R3 q  ]( W# A+ I. \& D关于该泵的恒功率控制(交叉传感控制),卡特的资料上讲:
0 p- [" n# |! Z5 ?6 P/ c* ]. Z“泵调节器通过交叉传感控制接收左、右两泵的平均输送压力”。
: e6 I8 g% E: h! u7 M我的问题是:  b. U* @/ c- w0 G  U
1.这里的“平均输送压力”指的是贴图中的Ps吗?
% T9 F5 l1 M% i( g2.Ps=(P1+P2)/2吗?(或,如果P1=100BARP2=200BAR那么,Ps=150BAR?
8 p/ |0 [' i: s9 A6 ]" Y
谢谢!
$ v$ g4 b) y4 B) G# [4 f8 t    . P2 w& h3 W+ K- C
+ |% I/ z/ T' Y# ^$ J6 Q
320c.JPG
发表于 2010-10-22 19:10:17 | 显示全部楼层 来自: 中国江苏苏州
1.这里的“平均输送压力”指的是贴图中的Ps吗?+ V& o; P# O+ [# s. q$ g8 H9 K
是图中的Ps.
8 q! w+ G3 w( I2 G6 k+ `  Q2.Ps=(P1+P2)/2吗?(或,如果P1=100BAR,P2=200BAR,那么,Ps=150BAR?)3 w" L& ~1 V: Y  M& z- e
可以这么理解。
 楼主| 发表于 2010-10-23 10:45:57 | 显示全部楼层 来自: 中国辽宁本溪
感谢楼上。
1 Q: r9 s/ Z# _% `4 i. K/ ]其实,我并没有理解这里的“平均输送压力”是如何“平均”出来的。. Q& n  P% s3 p- |5 a
在Ps与P1和P2之间各有一个液阻。
/ v) r0 N5 d9 N如果P2=200BAR,假定液阻的压降是10BAR,我觉得Ps应该=190BAR才对。4 {) E" K: ?, f7 [
真的没理解平均值是怎样算出来的。. B/ j8 e% o* c( a; v6 S
请指点迷津啊?3 i4 G! v+ I) m% |, m
谢谢!
发表于 2010-10-27 10:58:19 | 显示全部楼层 来自: 中国浙江杭州
呵呵,我这段时间刚好在潜心研究卡特的液压系统图。哎,其实呢大多数主机厂在给出整套液压系统图时,都会或多或少故意修改一些局部细节的地方的。如果想弄清你说的这个问题,建议你直接找到卡特用的主泵(我估计是和川崎类似,或者要么就是川崎的负流量控制泵)的说明书,这样可以仔细看看控制原理。按照目前我的理解是,两个主泵的交叉控制,是各自将另一个泵出口处的压力引到自身的控制口处,而并非描述的平均值。这个求平均值的过程在液压系统中操作起来,不可能实现啊。
发表于 2011-1-27 09:28:38 | 显示全部楼层 来自: 美国
有疑问,见图,左侧为CAT320D和LZ图是一样的,右侧为CAT330D这个看上去才是交叉功率控制啊。如果泵的控制一样CAT不会用两种画法吧。3 G3 z. E5 G" S( a" }$ K6 x3 O
未命名.jpg
发表于 2011-1-27 15:59:51 | 显示全部楼层 来自: 中国安徽马鞍山
+ A4 ^% r: \* }* v+ e
% h9 Z! D* j* M, ^, {, ]+ e  b
赞成4楼的观点
% B" ]0 y8 ]: G! K2 {. |1 {7 G国外大多数挖掘机主机厂在给出整套液压系统图时,都会或多或少故意修改一些局部细节的地方的...
" _" E- g$ |$ w4 N( z$ [% i' f& x7 i, |* h4 q
因为正常使用情况下,4 b, I' t0 q: T. R* m' Q# a
液压泵的壳体、控制机构(调节器)的使用寿命是有10,000小时或5年以上的- U0 A; ~1 g7 k0 f6 k1 M8 b7 Z
而一定时间以后需要更换的转子组件(泵胆)、磨损件、密封件等
4 F$ t3 G$ U4 X  ^' M7 K# w! u7 U8 l所以,故意修改或隐藏一些局部细节的地方的...,是一种技术保护
9 \7 r4 I( {$ e- s/ Q4 J% S3 a) Q4 @5 w5 y* a
于多路阀、回转马达、行走马达也是如此
  A5 R3 ?, ?* v9 T) E
# E( D$ ?0 O2 I- i2 B4 F所以,国内挖掘机行业的关键件的国产化还是需要一个长期漫长的过程的, q8 f1 F/ Z$ y9 \3 H' g( E
对我们研究开发、设计验证工作也就提出了更高的要求
. Z5 c$ g. K2 J1 {2 v6 M) r1 Y2 d( r! `- e; _0 e, r7 r3 [0 {
路漫漫其修远兮...
发表回复
您需要登录后才可以回帖 登录 | 注册

本版积分规则


Licensed Copyright © 2016-2020 http://www.3dportal.cn/ All Rights Reserved 京 ICP备13008828号

小黑屋|手机版|Archiver|三维网 ( 京ICP备2023026364号-1 )

快速回复 返回顶部 返回列表