QQ登录

只需一步,快速开始

登录 | 注册 | 找回密码

三维网

 找回密码
 注册

QQ登录

只需一步,快速开始

展开

通知     

全站
1天前
查看: 2372|回复: 23
收起左侧

[求助] 现场问题请教

[复制链接]
发表于 2010-10-26 22:49:50 | 显示全部楼层 |阅读模式 来自: 中国安徽马鞍山

马上注册,结识高手,享用更多资源,轻松玩转三维网社区。

您需要 登录 才可以下载或查看,没有帐号?注册

x
本帖最后由 jerrygang 于 2010-10-27 22:46 编辑
7 y) l0 Q" e  w# q5 n$ I4 `3 p
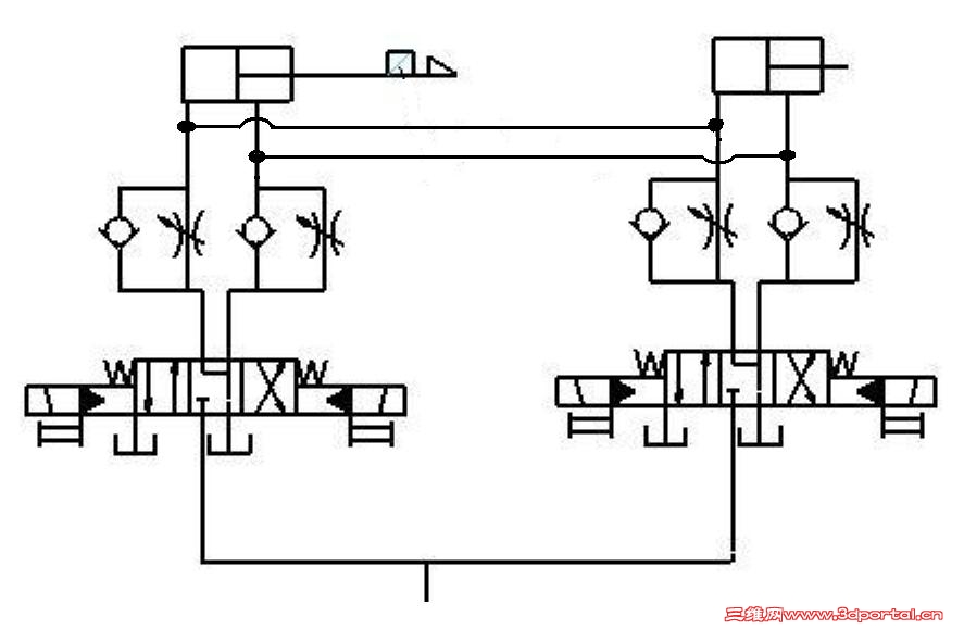
0 }* q  o; S( L7 `& Q现有一个使用A10VSO变量泵和节流阀行程的容积交流调速回路,原理简图见附件。该系统实现收集工件的作用(两个油缸通过机构刚性联接)。当无杆腔进油是活塞伸出,到位后,停顿10s左右,有杆腔进油把工件拉回,到位后再停顿10左右,然后一次循环。系统工作的时候油温有些高,尤其是换向阀处于中位,油缸长时间不工作的时候。   在现场用压力测定的压力是:当活塞伸出是液压缸两腔压力差不多都在1.5MPa左右,当活塞缩回拉工件时有杆腔压力在11.5左右,无杆腔在4MPa左右,并且无论有无工件被拉回,压力都是这样的。中位时两腔都在0压左右。液压缸活塞160 活塞杆80。 ; B0 x; G5 ^  Z! v9 ], h9 @
向大家请教一下两个问题:
+ j6 ~# ~2 p$ l; b( y* C1.系统的设计方案是否合适?
$ A9 |* a  O2 |7 F- J( A- L2.为什么活塞缩回且没有工件时无杆腔的压力和有杆腔的压力和有工件的时候一样,不是应该没有负载吗?
9 R! B, V  k$ j# e谢谢了  现场问题急待解决
未命名.JPG
发表于 2010-10-27 08:11:09 | 显示全部楼层 来自: 中国江苏南通
这么简单的原理图?* ~! m, Q! g, Z! j

* S6 p. V! ?* A- H9 m没冷却、过滤装置啊
% G% `) K# ?' h& V; b2 y  M
( q3 r/ \" ^7 j7 O1 b5 d两缸有简单同步要求吗?
发表于 2010-10-27 08:56:29 | 显示全部楼层 来自: 中国广东深圳
检查一下油管的内径太小,太小的话造成回油的阻力大。
5 d5 Q+ N, H& k$ j有杆腔进油时,无杆腔的流量更大,阻力更大。
' N6 K! C/ l" r可以把泵的排量调小使系统流量小。
 楼主| 发表于 2010-10-27 09:30:58 | 显示全部楼层 来自: 中国安徽马鞍山
回楼上两位大侠,原理图只是一个简图省了一些辅助部分,具体机械机构可以从下面的一个图看清楚,两个液压缸共同驱动一个轴转动。图中只照到一个液压缸还有一个。' V; G7 p1 Y6 X
系统工作的时候流量140L/min左右。当没有工件被拉回的时候为什么液压缸有杆腔和无杆腔的压力是11.5和4左右,通过计算活塞受力计算,液压缸活塞两端的力不能平衡呀
无标题.jpg
发表于 2010-10-27 10:04:58 | 显示全部楼层 来自: 中国辽宁本溪
本帖最后由 bohaiyan 于 2010-10-27 10:10 编辑 0 H* w7 a) Q0 T1 R

* L" E8 H+ |' X. h4 B你的回路采用的是回油节流调速。
1 l- ^1 [+ H) z# A* B/ m8 F1 Y1 d回油腔的压力随外负载的减小而增高。
发表于 2010-10-27 10:06:48 | 显示全部楼层 来自: 中国江苏无锡
节流阀会使油缸两腔产生背压。
4 w- v2 U% y" \( s. M. X  x把节流阀手柄 逆时针旋转松开一些,可以使背压下降。! r  r" g% }* K- t) |8 {" f) n, s# t
如果你的油缸安装正确,没有卡紧现象的话。
发表于 2010-10-27 10:16:18 | 显示全部楼层 来自: 中国辽宁本溪
本帖最后由 bohaiyan 于 2010-10-27 10:27 编辑
2 D! ?: g5 a0 z0 |0 @- V+ y- Q% q
8 ~" q% U6 S: C. x/ ^) w; r! a楼主在1楼和4楼的讲法有矛盾。8 z$ B. M6 a6 i6 v9 w8 G% Z
1楼:“有杆腔压力在4.0MPa左右,无杆腔在11.5MPa”( e( g5 t5 b% I/ E
4楼:“有杆腔和无杆腔的压力是11.5和4左右”7 w4 x  p0 n& |6 ^' U# @3 f$ Q9 F0 z: j
8 C- t" m9 `0 P
另外,两个缸有可能互为负载,或者说是相互干涉的。(很难保证两缸驱动摆臂的角速度相同)
5 F- U* H: m! l7 T        油路设计可能有问题。/ {% m! G8 |+ E6 z% B# v
        两个缸共用一个换向阀和节流阀应该会好些。
发表于 2010-10-27 10:28:06 | 显示全部楼层 来自: 中国内蒙古呼和浩特
本帖最后由 taishen12002 于 2010-10-27 10:30 编辑
, S% q6 P  a# k, D4 `/ X0 ~2 Q: p4 J
$ s: R9 v6 P  n$ ]; a1 e. B# }你怎么计算的活塞及杆的啊?把活塞和杆及转轴拉件的摩擦力, 333333333333333333333.JPG
 楼主| 发表于 2010-10-27 11:19:21 | 显示全部楼层 来自: 中国安徽马鞍山
本帖最后由 jerrygang 于 2010-10-27 11:21 编辑 % C9 k0 I1 c/ g; h: x$ e1 I

0 M/ }) C5 T/ g3 K: ]/ |5# bohaiyan
$ ?; W# e% ^$ ^) H6 J请教一下回油腔压力随负载降低而增加的原因?是不是负载降低了,速度就增加了
, s6 r& q; H6 m* A2 V我现在不明白为什么有没有外负载对油缸两腔没有影响
 楼主| 发表于 2010-10-27 11:22:41 | 显示全部楼层 来自: 中国安徽马鞍山
7# bohaiyan
: J) j  Q, O" }% \+ U# s$ U谢谢您的回答  是我写错了  已更正
 楼主| 发表于 2010-10-27 11:31:51 | 显示全部楼层 来自: 中国安徽马鞍山
8# taishen12002 # o% P9 p& N4 j9 B8 v
系统不是我们设计的,使用过程中发现油温过高的问题,摩擦力等外负载也不知道设计方是怎么考虑的     ?! U& |9 r/ h5 e  S
使用的时候发现液压缸活塞回缩拉工件和空载不拉工件的时候,液压缸两腔的压力不发生变化,按说没有工件的时候外负载肯定是要降低的呀
发表于 2010-10-27 12:27:08 | 显示全部楼层 来自: 中国辽宁本溪
见贴图。
8 {3 j0 p" I' Z3 E当作用在活塞杆端的外负载为零时,如果无杆腔进油压力为10MPA,那么,有杆腔的压力=10MPA×面积比=13.3MPA。(即所谓的增压)
出口节流.JPG
 楼主| 发表于 2010-10-27 21:13:18 | 显示全部楼层 来自: 中国安徽马鞍山
谢谢各位的指教,我计算了一下液压缸两腔的液压力,两端液压力之间有一个92944N的差值,不知道这个差值是对那个负载做功,尤其是没有外工件负载的时候,实在是找不出来还有那个负载这么大  详细见附图
未命名2.JPG
发表于 2010-10-27 22:18:20 | 显示全部楼层 来自: 中国新疆乌鲁木齐
我再想 你那是负载方向 是油缸伸缩方向吗 如果不是 那 就是因为 节流阀的背压
 楼主| 发表于 2010-10-27 22:34:53 | 显示全部楼层 来自: 中国安徽马鞍山
14# zhongjianguo
2 [" v( W" o& K$ b回楼上,液压缸回缩就是把负载拉回去的方向,无杆腔4MPa的压力应该就是节流阀背压产生的吧
发表于 2010-10-27 23:05:03 | 显示全部楼层 来自: 中国内蒙古呼和浩特
1、首先你的泵是恒压变量泵吧,没有到设定压力时,泵始终全流量输出,因此发热严重,当油缸全部伸出或缩回后,如果停留时间长,则泵达到恒压值,泵排量强制减小内泄,会引起发热;建议采用远程遥控或比例恒压变量泵;' ^; T  A9 u% I0 A, P8 \. m
2、系统中是不是没有安全溢流阀啊,这样操作很危险,一旦泵的变量机构出现问题,则有打爆管路的危险;3、感觉你系统流量过大,而节流过渡,用回油节流的方式,一侧进油,另一侧回油,即使空载也会有很大的压力。) Y  g1 Y7 S! r" d5 U. H- I4 r. ^
4、假如泵的流量一定,系统工作时,未达到恒压值时,如果要保证伸出和回缩速度一致,则大腔侧节流阀压降肯定大于小强侧压降,因此缩回时,大腔有很大的背压(你说的4MPa),而小强压力为11MPa;
+ v5 k" o! ^+ u% _9 t5、你的负载不是很大,负载的变化对这个状态下的系统影响不是很大,因此有无工件拉回,压力变化都不太敏感。, Y2 @" R# l' n/ F
6、你用两个电磁阀实现两个油缸同步,很难保证,可能会出现油缸之间互相牵扯或强制憋劲,最终导致机械机构不能正确沿直线动作,而发生侧偏。5 a, M) ~  S9 w0 o6 J* |. V
    以上个人理解,仅供参考!
 楼主| 发表于 2010-10-27 23:23:34 | 显示全部楼层 来自: 中国安徽马鞍山
16# lszdyx
' v* X( {; H+ \7 g3 l5 w1 w谢谢楼上的讲解,楼上的意思是液压缸回缩是有杆腔和无杆腔之间液压力(F)之差是由于同步回路引起的是吗  
6 r- K4 o  A7 O; |7 u9 M5 H我明天上班时看一些机械部分是不是有偏载磨损的现象   谢谢了
0 ?# [! T$ G) m7 g另外:系统中有一个溢流阀,我简化的时候觉得对解决问题没有用,就把没有画他   偷懒了    抱歉
发表于 2010-10-28 10:08:34 | 显示全部楼层 来自: 中国辽宁本溪
本帖最后由 bohaiyan 于 2010-10-28 10:10 编辑
  X1 }* @+ ]- b% v; @, S) y0 A) Y0 G' T9 B' t* s
改成这样,会不会好一些?
并联.JPG
发表于 2010-10-28 10:14:10 | 显示全部楼层 来自: 中国北京
你的油箱多大,冷却器在什么位置,安全阀的压力是多少,油箱的环境是什么样的,你就说几句怎么知道你的发热是什么原因。顺便说一句,你用两个阀就不如用一个阀。用两个阀意义不大,而且还有隐患。
发表于 2010-10-28 10:17:11 | 显示全部楼层 来自: 中国北京
你的油箱多大,系统散热怎么做的,安全阀的设定压力多大,这个是关键。你的原理用两个换向阀不如用一个阀好。
 楼主| 发表于 2010-10-29 08:02:02 | 显示全部楼层 来自: 中国安徽马鞍山
20# jinxialover   o. p# w& W6 G# _
昨天把节流阀开口调大了一些 ,现在空载的时候压力小多了 , 11.5变到3.5左右了  
8 q0 X  ]2 F9 T& t: X系统没有专门的冷却装置,今天看一下油温会不会低一些
发表于 2010-10-29 11:13:05 | 显示全部楼层 来自: 中国北京
基本上同意16楼的说法,只是基本,这个原理,换向阀中位的时候,大量的油液溢流,油温会迅速升高的。可改电磁溢流阀,中位的时候完全卸荷就好的多。这两缸既然已经机械同步了,干嘛还要两个阀控制?流量不够?电液阀流量再不够,换插装阀。
 楼主| 发表于 2010-10-29 17:21:24 | 显示全部楼层 来自: 中国安徽马鞍山
22# angelmale 1 T8 P8 }. d) w! _, z: U& g
谢谢楼上,系统流量最大也就180L/min,还要分到两个液压缸,估计系统用换向阀电磁式的也差不多了;( e. n6 C% e3 ^+ A0 k, K3 M
我也想过中位用电磁溢流阀卸荷,现在对恒压变量泵流量卸荷能产生多大的功率损失不清楚? 还有中位也就10s左右,用电磁溢流阀卸荷是不是合适呢?
发表于 2010-11-13 14:48:09 | 显示全部楼层 来自: 中国安徽马鞍山
这样的原理用电磁溢流阀卸荷是正解。
发表回复
您需要登录后才可以回帖 登录 | 注册

本版积分规则

Licensed Copyright © 2016-2020 http://www.3dportal.cn/ All Rights Reserved 京 ICP备13008828号

小黑屋|手机版|Archiver|三维网 ( 京ICP备2023026364号-1 )

快速回复 返回顶部 返回列表