QQ登录

只需一步,快速开始

登录 | 注册 | 找回密码

三维网

 找回密码
 注册

QQ登录

只需一步,快速开始

展开

通知     

查看: 1702|回复: 6
收起左侧

[求助] 各位论友,想向你们请教一个问题,希望你们看一下……

[复制链接]
发表于 2010-11-3 17:53:06 | 显示全部楼层 |阅读模式 来自: 中国湖北武汉

马上注册,结识高手,享用更多资源,轻松玩转三维网社区。

您需要 登录 才可以下载或查看,没有帐号?注册

x
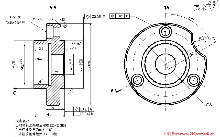
这是一个法兰盘的零件图,想问一下如果用数控的方法加工,合理的加工工序该怎么制定啊?跪求解答……谢谢了…… 法兰盘.jpg
发表于 2010-11-3 22:57:24 | 显示全部楼层 来自: 中国江苏无锡
数控车床加工外圆.内孔.台阶各尺寸到位.
7 M- X* e8 c6 }) c加工中心加工各螺丝孔.R到位.
发表于 2010-11-4 08:09:44 | 显示全部楼层 来自: 中国山东烟台
你的这个图纸就有问题,公差松的有形位公差,公差严格的什么都没有,根据形位公差考虑先干那一侧,然后钻铣就可以了
发表于 2010-11-4 11:23:23 | 显示全部楼层 来自: 中国河南郑州
未注工差7-8级,不知道你想干什么,加工没什么问题,直接上数控车,最后那个r直接铣,感觉你目的不明确,
发表于 2010-11-4 14:08:22 | 显示全部楼层 来自: 中国山东威海
这个图比较简单,先上数控车把各个外圆、内孔车出来,把其中一个外圆尺寸车的精度高一些,然后上加工中心或者数控铣,找正以后加工各个孔,铣削R,然后倒角,完成
发表于 2010-11-4 15:30:07 | 显示全部楼层 来自: 中国江苏无锡
采用2车一加的工艺;
  r# Y8 z8 d& V3 e/ ^   工艺步骤:' D5 n% W+ R) {- [0 u) V) d, T# n
   OP10  车。
+ F+ |; O( P1 X+ Z        夹住法兰左端面外圆,粗精车由端面,120的外圆、70的外圆及7MM的台阶深度、内孔30的孔径、倒角。
7 y5 c7 \7 t! J    OP20 车。: u8 o& h. A) L" k  ?
        夹住右端面120的外圆,右端面靠平夹具,粗精车左端面、70的外圆、60的内孔、倒角,再割内槽至尺寸要求。* u, E4 }5 f, D5 R
     OP30铣。0 |  |9 _  w& u9 ]& w; P
        以右端面及30的内孔定位加紧,钻12的底孔,扩18的沉孔,铣R圆弧。
发表于 2010-11-9 16:11:18 | 显示全部楼层 来自: 中国河南信阳
这个图(未注公差不知是何用途)看上去简单,实际上不好加工。工艺步骤到不难,机床(工人师傅技术低了)精度低了,都保证不了平行与垂直(要是用磨床应该没问题)要求。要加工(保证三孔位置度)三孔及R30用精度稍高一点的铣床,加工中心最好。
发表回复
您需要登录后才可以回帖 登录 | 注册

本版积分规则


Licensed Copyright © 2016-2020 http://www.3dportal.cn/ All Rights Reserved 京 ICP备13008828号

小黑屋|手机版|Archiver|三维网 ( 京ICP备2023026364号-1 )

快速回复 返回顶部 返回列表