QQ登录

只需一步,快速开始

登录 | 注册 | 找回密码

三维网

 找回密码
 注册

QQ登录

只需一步,快速开始

展开

通知     

查看: 3088|回复: 12
收起左侧

[求助] 力士乐A10VSO10恒压变量泵流量手动调节问题

[复制链接]
头像被屏蔽
发表于 2010-11-4 17:49:52 | 显示全部楼层 |阅读模式 来自: 中国上海
提示: 作者被禁止或删除 内容自动屏蔽
头像被屏蔽
 楼主| 发表于 2010-11-4 17:52:31 | 显示全部楼层 来自: 中国上海
提示: 作者被禁止或删除 内容自动屏蔽
头像被屏蔽
 楼主| 发表于 2010-11-4 18:00:23 | 显示全部楼层 来自: 中国上海
提示: 作者被禁止或删除 内容自动屏蔽
发表于 2010-11-4 20:19:26 | 显示全部楼层 来自: 中国重庆
晕没有流量看不到
发表于 2010-11-5 12:29:01 | 显示全部楼层 来自: 中国辽宁本溪
本帖最后由 bohaiyan 于 2010-11-5 12:33 编辑 ' z' Y, Q6 y' p0 Y+ O
$ \1 I8 _$ r9 V
试传一下。
A10.JPG
发表于 2010-11-6 16:29:25 | 显示全部楼层 来自: 中国河北唐山
DR恒压变量泵吧,流量是根据系统需要而改变的。不如在回路中加个节流阀、
发表于 2010-11-6 21:43:06 | 显示全部楼层 来自: 中国河南洛阳
恒压,流量是变化的,上边有一个调节的变量头,那是用来调节压力的
发表于 2011-1-15 15:07:10 | 显示全部楼层 来自: 中国江苏无锡
恒压,流量是变化的,上边有一个调节的变量头,那是用来调节压力的
发表于 2011-1-17 21:13:27 | 显示全部楼层 来自: 中国江苏徐州
2楼正解,但是泵体应该有限位螺钉的,仔细找找,
, {+ v8 C0 H8 u; X) r. [, [0 `, k: C4 j好像限位螺钉被防泄漏螺帽保护
发表于 2011-1-18 08:40:24 | 显示全部楼层 来自: 英国
本帖最后由 icebox 于 2011-1-18 08:56 编辑 3 p& I1 t/ M- K0 T  [0 ?3 h6 D0 D
' E# D1 k8 n3 T6 N% i
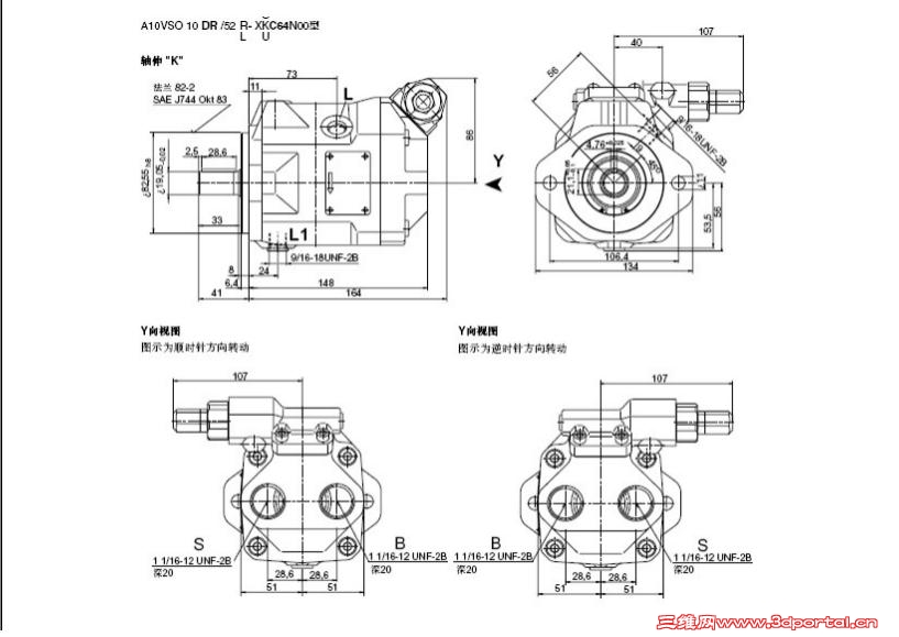
DR.jpg 1 w" N; k. S/ M' J& y6 w- w" j
发一页样本,楼主的泵DR控制,确实只有一个调压螺钉,这种泵调定一个压力后,泵以最大排量输出流量,直到负载压力到达调定的压力,泵的斜盘角度变小,才会变量。如需手动变量,加可调节流阀吧。
发表于 2011-1-18 08:51:02 | 显示全部楼层 来自: 中国山西太原
恒压变量泵的输出流量是根据负载自动调节的,如果你非要手动,建议加入节流阀!
发表于 2011-1-18 19:53:51 | 显示全部楼层 来自: 中国江苏无锡
恒压变量泵的输出流量是根据负载自动调节的,如果你非要手动,建议加入节流阀!
发表于 2011-3-1 23:46:38 | 显示全部楼层 来自: 中国湖北武汉
A10VSO 10规格的泵,好像是没有手动限排量装置的。其它规格的有:, L8 n' e2 Y& k  f1 _2 n
A10.jpg : |1 p9 V- ~, b5 A3 F: i
$ K: H- ]$ b+ a6 h: J
也许可以降低电机的转速来减少它的排量
发表回复
您需要登录后才可以回帖 登录 | 注册

本版积分规则


Licensed Copyright © 2016-2020 http://www.3dportal.cn/ All Rights Reserved 京 ICP备13008828号

小黑屋|手机版|Archiver|三维网 ( 京ICP备2023026364号-1 )

快速回复 返回顶部 返回列表