QQ登录

只需一步,快速开始

登录 | 注册 | 找回密码

三维网

 找回密码
 注册

QQ登录

只需一步,快速开始

展开

通知     

全站
1天前
查看: 2427|回复: 13
收起左侧

[求助] 请高手给指点下液压系统设计

[复制链接]
发表于 2010-11-5 14:30:50 | 显示全部楼层 |阅读模式 来自: 中国河南安阳

马上注册,结识高手,享用更多资源,轻松玩转三维网社区。

您需要 登录 才可以下载或查看,没有帐号?注册

x
如下图,双作用液压缸推动重物左右移动,) M. \( x; a% w  I9 H% Y3 i
学校学点液压全忘了,现在一下子搞这东西不知如何下手,还请达人们给指点下
; t" A, O8 h1 s" ~% P# m0 `( Z这个液压缸的选型,液压压力如何选择,液压系统组成
. p$ y- K; i: K8 k7 e9 |) x有什么需要注意的,谢谢
' _0 Y- x7 t5 C0 q- T- x 液压系统.jpg
发表于 2010-11-7 19:47:58 | 显示全部楼层 来自: 中国广东佛山
为什么要用液压缸呢?用丝杆多好!!!!!
发表于 2010-11-7 20:56:04 | 显示全部楼层 来自: 中国江苏南京
请查阅
2 V' o+ V" D; F9 x5 H& C! j液压缸基本计算:http://www.3dportal.cn/discuz/vi ... =%D2%BA%D1%B9%B8%D7: U2 q1 h( R4 m) Y& V7 R
《液压设计手册(软件版)V1.0》http://www.3dportal.cn/discuz/viewthread.php?tid=129819
发表于 2010-11-7 23:45:48 | 显示全部楼层 来自: 中国湖北孝感
谢谢3楼的资料 我也不懂液压 是少有人学着个
发表于 2010-11-8 10:29:30 | 显示全部楼层 来自: 中国贵州黔西南布依族苗族自治州
1、根据重物计算滑动摩擦力。
* U$ w: h7 m  \9 b4 w2、根据摩擦力计算油缸活塞杆直径。! d0 F7 U' `% L: U# J
3、根据活塞杆直径选择油缸型号(缸径、杆径)。3 `  C5 t. x/ x8 h  s( D- J2 r
4、根据重物的滑动距离选择油缸的行程。
5 j$ I# }0 y! s+ R5、根据重物滑动速度决定油缸活塞杆运动速度。
. l6 f0 b8 @$ J4 q& R( u6、根据重物滑动摩擦力计算油缸所需液压压力。9 [9 h, m3 Z/ g) K0 t3 b% o5 f
7、根据重物滑动速度选择油缸所需液压油流量。
) A( x; e0 J$ f3 N% t8、根据上述计算所得的系统压力和流量,可选择泵、电机、操作阀、和液压附件即可。
 楼主| 发表于 2010-11-25 10:22:39 | 显示全部楼层 来自: 中国河南安阳
5楼厉害,谢谢大家,有问题再问
发表于 2010-11-25 13:54:03 | 显示全部楼层 来自: 中国辽宁鞍山
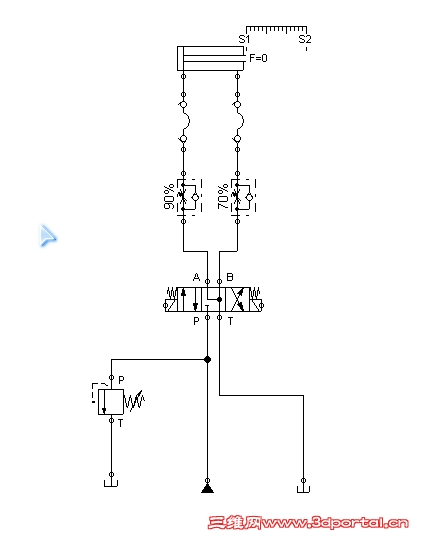
液压原理图楼主看一下合适不
截图40.jpg
发表于 2010-11-25 15:22:34 | 显示全部楼层 来自: 中国安徽马鞍山
在换向阀的出口要加一个液压锁,好控制重物定位。
发表于 2010-11-25 15:34:08 | 显示全部楼层 来自: 中国辽宁沈阳
看楼主图示的系统,似乎采用机械驱动或传动系统较为常见,而在此处如此使用液压缸及其系统,却并不多见。
发表于 2010-11-25 16:08:24 | 显示全部楼层 来自: 中国北京
我也正找液压设计资料呢,学习,呵呵
发表于 2010-11-25 16:46:03 | 显示全部楼层 来自: 中国河南安阳
以上结构如果油缸行程较短,还可以考虑,液压系统,如果行程较长,推荐使用电动丝杠,以避免液压维修的不便,和液压缸活塞杆的弯曲变形形成的动作不顺。
发表于 2010-11-25 20:09:16 | 显示全部楼层 来自: 中国湖南长沙
这种受力方式最好不要用油缸驱动
发表于 2010-11-25 20:35:23 | 显示全部楼层 来自: 中国江苏无锡
这个结构有点像港口卸货的吊车,行走的话可以选择电机带动
发表于 2010-11-30 20:34:23 | 显示全部楼层 来自: 中国江苏南京
如果重物可以装上装两个轮子,应该省力些。
发表回复
您需要登录后才可以回帖 登录 | 注册

本版积分规则

Licensed Copyright © 2016-2020 http://www.3dportal.cn/ All Rights Reserved 京 ICP备13008828号

小黑屋|手机版|Archiver|三维网 ( 京ICP备2023026364号-1 )

快速回复 返回顶部 返回列表