|
|

楼主 |
发表于 2010-11-10 13:30:33
|
显示全部楼层
来自: 中国四川资阳
借者帖子 请教前辈一个问题
/ i9 O, p9 i& ~4 C0 `3 t K
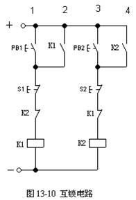
8 V9 ]2 x+ g. N; z0 A1)继电器线圈K1 和 触点K1 是在同一个元件上(继电器)的分支(相当于多用插板) 还是??6 T1 t- l3 \0 z* S( W3 T
2) 按下按钮PB1,继电器线圈K1得电,第2条线上的触点K1闭合,继电器K1形成自保,第3条线上K1的常闭触点断开..., A' C; h6 ]2 e/ M
第3条线上K1的常闭触点断开...为什么会被自动断开?
1 R& `0 y: K0 d2 d" y! L, W! H& }, l9 k* X% s1 ~& ~. k
|
|