QQ登录

只需一步,快速开始

登录 | 注册 | 找回密码

三维网

 找回密码
 注册

QQ登录

只需一步,快速开始

展开

通知     

全站
10天前
查看: 2401|回复: 0
收起左侧

[练习题] 把手

[复制链接]
发表于 2010-11-12 11:57:29 | 显示全部楼层 |阅读模式 来自: 中国安徽蚌埠

马上注册,结识高手,享用更多资源,轻松玩转三维网社区。

您需要 登录 才可以下载或查看,没有帐号?注册

x
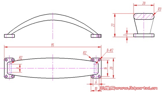
来个简单的题目,我使用2个特征完成的把手。大家练练手,软件不限!
9 G# U% K5 \$ A  W我使用的是Autodesk Inventor软件画的。
把手.jpg
把手1.jpg
把手2.jpg

把手wzv.rar

180.78 KB, 阅读权限: 100, 下载次数: 0

发表回复
您需要登录后才可以回帖 登录 | 注册

本版积分规则


Licensed Copyright © 2016-2020 http://www.3dportal.cn/ All Rights Reserved 京 ICP备13008828号

小黑屋|手机版|Archiver|三维网 ( 京ICP备2023026364号-1 )

快速回复 返回顶部 返回列表