QQ登录

只需一步,快速开始

登录 | 注册 | 找回密码

三维网

 找回密码
 注册

QQ登录

只需一步,快速开始

展开

通知     

全站
4天前
查看: 1825|回复: 9
收起左侧

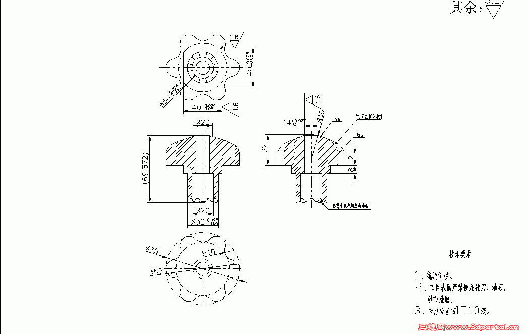
[求助] 如图产品怎样建模,急待高手解决!!

[复制链接]
发表于 2010-11-12 18:27:35 | 显示全部楼层 |阅读模式 来自: 中国重庆

马上注册,结识高手,享用更多资源,轻松玩转三维网社区。

您需要 登录 才可以下载或查看,没有帐号?注册

x
关键是那个 5阶曲线那儿 不知道怎样画  路过高手不吝赐教!!(图片有点模糊,见谅
10.GIF
头像被屏蔽
发表于 2010-11-12 19:58:10 | 显示全部楼层 来自: 中国浙江宁波
提示: 作者被禁止或删除 内容自动屏蔽
发表于 2010-11-13 07:53:48 | 显示全部楼层 来自: 中国陕西西安
扫略!!!
 楼主| 发表于 2010-11-13 09:49:01 | 显示全部楼层 来自: 中国重庆
3# 4kpolo 0 I4 S+ c- p% N
图那点我没看懂?
发表于 2010-11-13 10:35:41 | 显示全部楼层 来自: 中国山东青岛
变化的扫略,楼主试一下
发表于 2010-11-13 10:51:30 | 显示全部楼层 来自: 中国山东济南
像这样的图纸,一定还有其他技术资料辅助,譬如说的“5阶曲线”,一定有“点坐标”的资料,否则,如何做线呢?所以,只有这个图片是没法完成造型的,除非你想随意造点。
发表于 2010-11-14 16:31:26 | 显示全部楼层 来自: 中国广东广州
绝对要支持的!谢谢分享

评分

参与人数 1三维币 -3 收起 理由
beyond2009 -3 灌水,新手请认真学习论坛版规,以免再被扣分

查看全部评分

发表于 2010-11-15 10:22:19 | 显示全部楼层 来自: 中国黑龙江鸡西
不是个很简单的模型吗?
发表于 2010-11-15 10:29:29 | 显示全部楼层 来自: 中国广东东莞
先用旋转,再用外围拉伸,再布尔运算
发表于 2010-11-15 10:50:35 | 显示全部楼层 来自: 中国河北秦皇岛
本帖最后由 YANJIEGAO 于 2010-11-15 17:58 编辑 7 Z0 f& V" O% L: e& D

+ y3 n" S; i/ B7 @; x6 `变化的扫略?有5阶吗?
发表回复
您需要登录后才可以回帖 登录 | 注册

本版积分规则

Licensed Copyright © 2016-2020 http://www.3dportal.cn/ All Rights Reserved 京 ICP备13008828号

小黑屋|手机版|Archiver|三维网 ( 京ICP备2023026364号-1 )

快速回复 返回顶部 返回列表