QQ登录

只需一步,快速开始

登录 | 注册 | 找回密码

三维网

 找回密码
 注册

QQ登录

只需一步,快速开始

展开

通知     

查看: 3001|回复: 9
收起左侧

[讨论] 模具

[复制链接]
发表于 2010-11-15 13:29:41 | 显示全部楼层 |阅读模式 来自: 中国北京

马上注册,结识高手,享用更多资源,轻松玩转三维网社区。

您需要 登录 才可以下载或查看,没有帐号?注册

x
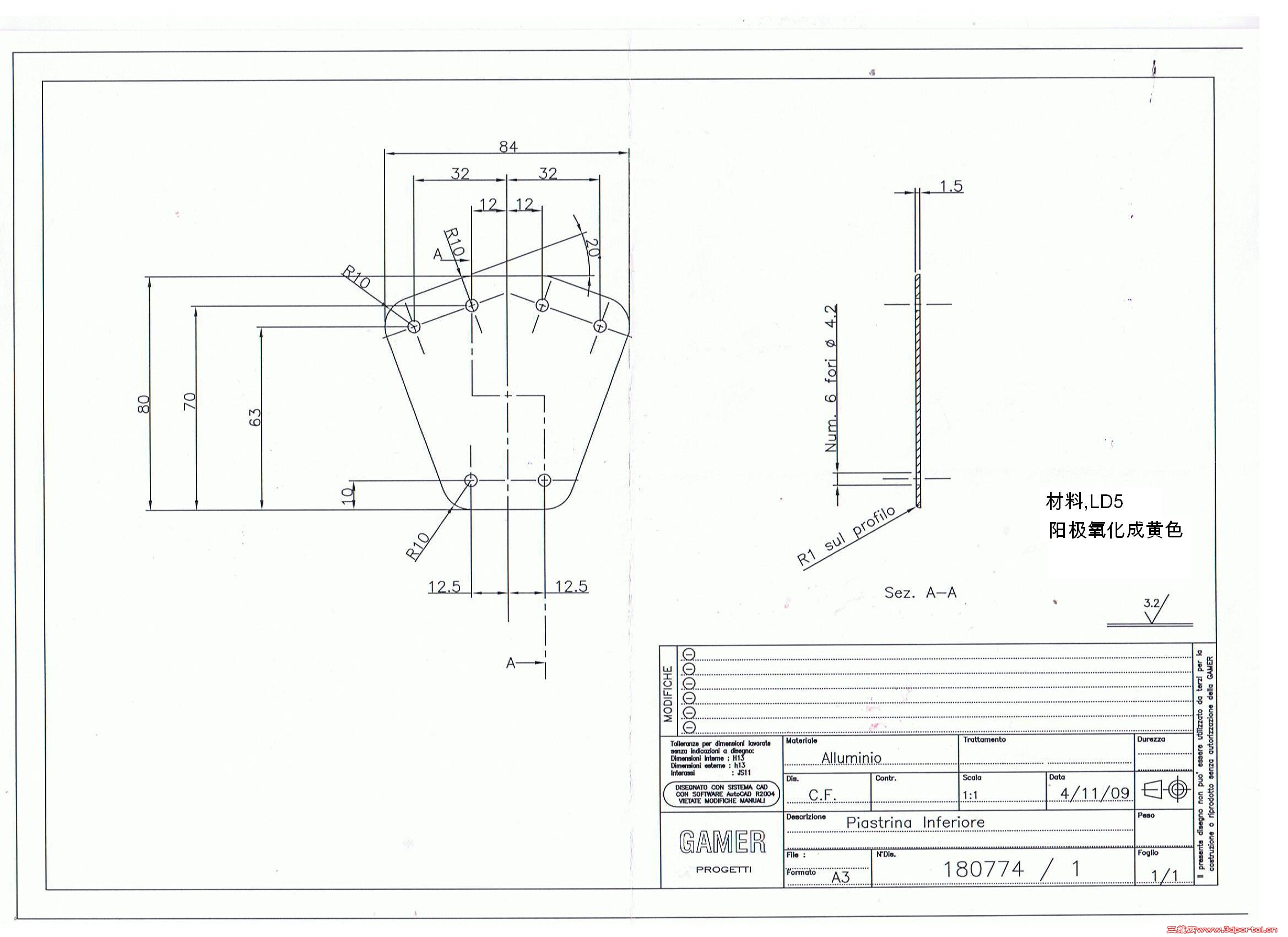
我们现在 要做如图的零件,不知道这个的冲模模具怎么做,个人感觉应该很简单.但是询了几家做这个模具都要6000左右,怎么这么贵啊.还不如直接线切割或是铣床加工呢.0 Z. C% j* M: _4 ^1 H
我们要做的数量是至少1000套/批.2 i1 M# N) j1 F3 p
各位帮忙看看啊,9 ~6 i8 h% [7 B& t8 V; C% h. v
非常感谢
003.jpg
004.jpg
发表于 2010-11-15 17:51:38 | 显示全部楼层 来自: 中国辽宁沈阳
模具6000应该不贵。
发表于 2010-11-16 12:27:35 | 显示全部楼层 来自: 中国广东广州
6000超便宜
发表于 2010-11-16 15:03:31 | 显示全部楼层 来自: 中国广东深圳
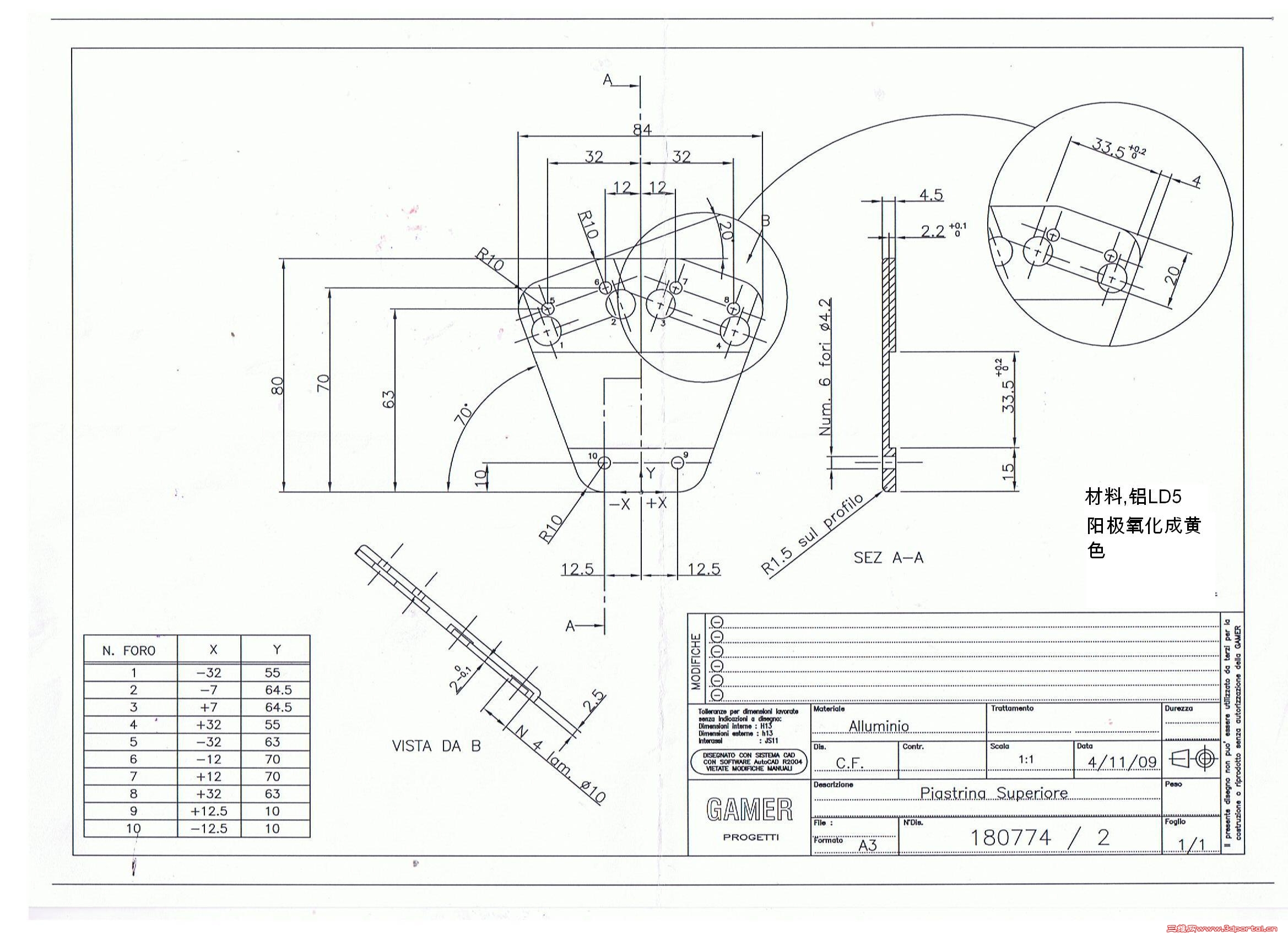
我们现在 要做如图的零件,不知道这个的冲模模具怎么做,个人感觉应该很简单.但是询了几家做这个模具都要6000左右,怎么这么贵啊.还不如直接线切割或是铣床加工呢.& A$ `  R/ B/ V5 T
我们要做的数量是至少1000套/批.# s/ Q2 H: U/ U1 }7 d' v
各位帮忙看看啊,
) Q( S- g  G  U...# L; b) A2 e2 U! Q6 T/ M
zhijian516 发表于 2010-11-15 13:29 http://www.3dportal.cn/discuz/images/common/back.gif

' i% h  N/ `) w. r8 Z0 a您个人感觉应该很简单,那么就自己做呗,省得被别人贵。
& A+ e/ a5 S. ?  |* x3 S* C8 n/ _( a: t! G2 `' ]# L7 J
这个模具6000还嫌贵啊!那么 您就直接线切割或是铣床加工吧!
发表于 2010-11-16 19:01:16 | 显示全部楼层 来自: 中国广东肇庆
最直接就是算下模具用多少料。就知贵与否
发表于 2010-11-19 09:47:47 | 显示全部楼层 来自: 中国上海
开个 模具 6000 不贵 的   那种 模具 而且是一起行 的  看来 你是外行 我们 给你报价 最少在 3 W 模具 的材料费 你算下 吧 我们还要设计 加工费
发表于 2010-11-20 19:07:36 | 显示全部楼层 来自: 中国河北石家庄
该模具6000元,应该不贵。国外尺寸要求非常严!
发表于 2010-11-22 09:26:34 | 显示全部楼层 来自: 中国江苏徐州
模具 6000 不贵
: t  c  {% o# O一般的大多这个价格
发表于 2010-11-26 22:07:17 | 显示全部楼层 来自: 中国江苏苏州
现在的钢材价格上涨,快4500一吨了。
0 x5 \2 b9 m9 Q* r, b+ l+ Q模具加上加工费,6000不贵啊。
发表于 2011-8-14 19:21:38 | 显示全部楼层 来自: 中国台湾
依目前國際鋼材報價在加上工資行情6000便宜喔
发表回复
您需要登录后才可以回帖 登录 | 注册

本版积分规则


Licensed Copyright © 2016-2020 http://www.3dportal.cn/ All Rights Reserved 京 ICP备13008828号

小黑屋|手机版|Archiver|三维网 ( 京ICP备2023026364号-1 )

快速回复 返回顶部 返回列表