QQ登录

只需一步,快速开始

登录 | 注册 | 找回密码

三维网

 找回密码
 注册

QQ登录

只需一步,快速开始

展开

通知     

全站
6天前
查看: 3085|回复: 1
收起左侧

[转帖] 模拟伺服驱动的老旧数控机床改造

[复制链接]
发表于 2010-11-17 15:20:53 | 显示全部楼层 |阅读模式 来自: 中国江苏常州

马上注册,结识高手,享用更多资源,轻松玩转三维网社区。

您需要 登录 才可以下载或查看,没有帐号?注册

x
摘  要:通过具体实例,从系统选型、电气接线、安装调试等方面,为配置模拟伺服驱动的老旧数控机床改造提供一种方法。
! t8 R! ]7 Y5 y6 L5 t% E2 @9 S$ i    关键词:数控机床 改造 方法 数控系统 安装 调试
    济南二机床集团有限公司1台使用法国数控系统的定梁龙门镗铣床配有4个伺服控制轴(X、Y、Z、刀库)和1个主轴,伺服控制轴均安装外部增量编码器,使用西门子611A模拟伺服驱动装置和1FT5伺服电机,主轴使用611A主轴驱动装置和1PH6主轴电机。目前数控系统元器件老化,故障率高,系统经常死机,严重制约生产,为此,决定对该机床进行改造。- O- b% x8 m! G  q
    一、改造方案
8 I: l# x* l9 U' \    1.数控系统选择7 k0 Y0 k+ G# p! }4 M
    机床西门子611A模拟伺服驱动装置、1FT5伺服电机、1PH6主轴电机性能和机械结构尚好,机械磨损较小。因此为节约成本,使改造周期最短,充分利用现有资源,数控系统选择原则是:①满足控制轴数要求。②数控部分提供足够PLC输入和输出点。③NC部分适合铣、削、镗,操作、编程、调试维护方便。④性价比高。⑤可提供-10V~+10V模拟量控制信号,控制611A驱动模块。⑥可使用外装编码器,实现伺服轴半闭环控制。% ^, S2 F' a, `1 T' H
    综合比较,选择基于PROFIBUS总线,紧凑一体化的Sinu-merik802D数控系统。802D系统可控制4个进给轴和1个主轴,配置3个手轮和两块PP72/48输入输出模块,提供144个输入点和96个输出点。1 X( {- \% `% O1 o& i
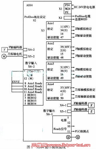
    改造技术难点是802D系统和611A模拟伺服驱动装置的结合,现选择ADI4模拟驱动接口模块,该模块可控制4个带模拟设定值接口驱动装置,有4路输入用于TTL信号增量编码器。
9 n% j0 D4 L4 r9 H    2.电气连接
- ^# w3 L! I/ Y4 `/ Y" B, R. z    ADI4接口模块线路设计简单,1个802D系统通过Profibus总线连接2块ADI4接口模块,分别控制进给轴和主轴,电气接线见图1。使用ADI4模块的4路TTL信号输入连接增量编码器,可选择的方式有:①3个2500线和1个1024线编码器。②9000线、18000线、1024线、2500线编码器各1个。③3个2048线和1个1024线编码器。④9000线、18000线、1024线、2048线编码器各1个。本次改造选择方式①(作为选项功能,ADI4模块可连接光栅尺,则4路TTL信号输入是:3x2500,1x9000;3x5000,1x18000;4x2500;4x5000)。
/ ]; L6 v5 B+ }  X; v0 ^4 F
201010111668.jpg
由于PROFIBUS总线传送输入输出信号,进行位置调节(速度给定和位置反馈信号),因此连接非常重要,应注意以下几点。8 r; n; _$ V3 n/ H% h6 z
    (1)PP72/48的总线地址由模块上地址开关S1设定。第一块PP72/48的总线地址为“9”(出厂设定),若选配第二块PP72/48,总线地址应设定为“8”。5 X) @3 ~1 e& j/ d  n" J7 f
    (2)总线设备(PP72/48和驱动器)在总线的排列顺序没有限制,但总线上不允许出现相同地址。
- m" P  r0 i* d! S1 N6 k. q    (3)PROFIBUS屏蔽网应与插头内部金属衬层保持良好接触,注意插头终端电阻开关位置。
二、安装调试
    1.安装机床的初始化文件; E4 \- c3 T( v+ H5 z9 b( V7 }
    硬件连接完成,调试前将第一、二块ADI4的PROFIBUS-DP地址分别设为16、15。为简化802D系统调试,802D系统工具盒提供机床的初始化文件。使用WinPCIN通信软件将初始化文件传入802D系统,进行系统初始化,步骤如下。5 ^, Z7 V. o5 S; A; q: J- u4 s/ r
    (1)从WINDOWS的“开始”中启动WinPCIN通信软件。+ t9 c$ r8 P2 m; H$ h# c6 J- Y
    (2)选择WinPCIN中“二进制”通信方式,选择发送,WinPCIN出现选择发送文件窗口(图2)。8 x' z& t. L6 C* ~8 L. k
2010101116619.jpg
(3)找到CONFIG文件夹,选择需要的初始化文件。. S& b. U" }, x0 ^9 }8 f4 G
    (4)在802D系统输入制造商口令,进入通信画面,选择“二进制”方式以及和WinPCIN相同的波特率,然后选择“读入启动”。9 b- M! t+ Z' w( C
    (5)选择“OPEN”,开始中文安装。802D屏幕提示“读启动数据?”,按软菜单键“确认”,传输继续进行。传输过程中,802D有若干次自动启动,时间大约4min。
) ]2 @& [3 W" [0 Y9 R+ y9 }    初始化配置系统坐标和车床、铣床工艺参数,而且安装机床的加工工艺循环。如本次改造机床使用3个2500线和1个1024线TTL方波编码器,则使用WINPCIN将TOOLBOX中的配置文件ADI4.INI和1-ADI4.WPC传输至802D系统。若PROFIBUS-DP通信电缆正常,传输文件成功后,ADI4上PW诊断指示灯绿灯亮,EXCH绿灯亮,反之PW绿灯亮,RDY红灯亮。初始化完成,进行后续操作。
    2.PLC调试
, T( }* w7 u% K  ?! s% `1 F1 [    使用programingtoolplc802编程软件进行PLC调试。Sinumerik802DTOOLBOX中有铣床标准PLC程序,根据机床动作要求,修改标准PLC程序,然后通过传输线下载至802D系统进行调试。8 @7 A6 p) m9 ~0 g5 A) ]3 [; g
    (1)使用“802D调试电缆”连接计算机和802D的COM1。8 F4 f7 o, t8 Q" O) z8 y' G
    (2)802D必须进入联机方式:系统→PLC→STEP7连接→设定通讯参数→选择“连接开启”,联机界面见图3。7 G2 a) Q8 g& t9 K
2010101116643.jpg
(3)启动PLC编程工具,进入通信画面,设定通信参数,将编译无误的PLC应用程序下载至802D。
' d9 P5 D/ K7 r/ l, @$ o5 R1 P    (4)下载成功后,启动PLC应用程序。! ~# s2 q  \1 {! \/ W
    (5)可利用programingtoolplc802监控梯形图和内部地址状态,还可利用“交叉引用表”检查地址是否冲突。
    3.PLC报警文本* L( U! d7 d4 C1 _4 r, B
    使用TextManager软件编辑PLC报警文本,通过232口传入系统。系统提供64个PLC用户报警,每个报警对应1个NCK地址位,将该位“置1”可激活对应报警,“置0”则清除报警。
, y" |0 i* P2 l) u, L    4.机床数据调试% g* g" t) I6 H) H
    根据机床特性,设置机床各轴减速比、各轴允许运动速度、各轴加减速参数、各轴回零参数、各轴正负软限位等参数。
; I' @& @7 }/ ?) I: u8 T    5.参数备份
, ]9 q. g$ z4 ?. Q9 ]    数据备份十分重要,机床基本调试完毕,即可进行参数备份。802D系统提供多种数据备份方法,如系统数据可在系统内部、PC卡或计算机硬盘备份。
6 o/ y& t6 z; X! f    三、改造效果
% x; z4 [2 g! A) `    改造后的数控龙门镗铣床功能完善,操作简便,加工产品质量稳定可靠。目前仍有不少配置模拟伺服驱动装置的老旧数控机床,服役多年,数控系统电子元器件趋于老化,而机床模拟伺服驱动装置和机械部分尚可使用,上述实例为此类设备的改造提供了一种方法。

评分

参与人数 1三维币 +3 收起 理由
洪哥 + 3 好资料,O(∩_∩)O谢谢!

查看全部评分

头像被屏蔽
发表于 2010-11-30 06:53:52 | 显示全部楼层 来自: 中国江苏盐城
提示: 作者被禁止或删除 内容自动屏蔽
发表回复
您需要登录后才可以回帖 登录 | 注册

本版积分规则


Licensed Copyright © 2016-2020 http://www.3dportal.cn/ All Rights Reserved 京 ICP备13008828号

小黑屋|手机版|Archiver|三维网 ( 京ICP备2023026364号-1 )

快速回复 返回顶部 返回列表