QQ登录

只需一步,快速开始

登录 | 注册 | 找回密码

三维网

 找回密码
 注册

QQ登录

只需一步,快速开始

展开

通知     

查看: 1909|回复: 15
收起左侧

[求助] 帮忙分析金相组织

[复制链接]
发表于 2010-11-19 14:22:05 | 显示全部楼层 |阅读模式 来自: 中国辽宁沈阳

马上注册,结识高手,享用更多资源,轻松玩转三维网社区。

您需要 登录 才可以下载或查看,没有帐号?注册

x
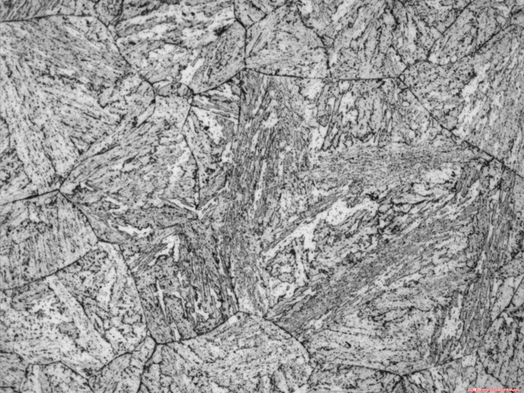
下面2张图为某一钢材调质后的金相照片,帮忙分析这是两种什么组织。为什么同一块料上出现了2种不同的组织结构?
* Z. H* Z9 j, u0 U' G) A' k; } 100(0).JPG 5.JPG
发表于 2010-11-23 13:00:20 | 显示全部楼层 来自: 中国陕西宝鸡
都是回火马氏体组织,第二张晶界分明,与抛光、侵蚀的状态有关

评分

参与人数 1三维币 +2 收起 理由
nel1982 + 2 技术讨论

查看全部评分

发表于 2010-11-23 16:45:27 | 显示全部楼层 来自: 中国天津
本帖最后由 bobqu 于 2010-11-23 16:47 编辑 ; K6 Y: }, W% T; r0 ]- C+ n
$ _7 S; ?6 L/ k! t. P- y
1# 清洁工NO2
; i  z4 x8 g4 O8 W" o  _/ X. n两个样子像是一种组织,除了回火马氏体外好像还有上贝氏体,照片的放大倍数一样么?
 楼主| 发表于 2010-11-24 08:58:18 | 显示全部楼层 来自: 中国辽宁沈阳
1# 清洁工NO2 7 @/ s2 w6 n" b8 n$ T7 W& p2 h
两个样子像是一种组织,除了回火马氏体外好像还有上贝氏体,照片的放大倍数一样么?
1 X. `) i9 U2 K- C# z! `bobqu 发表于 2010-11-23 16:45 http://www.3dportal.cn/discuz/images/common/back.gif

& e# N( ]* }5 s& ^& V% y! \( y! ]
% s  d  W, Q/ W" t0 I9 E4 k. }. L我搞错了,上面一个是放大100倍的,下面一个是500倍的。谢谢?0 n3 i6 G" T9 K6 t, g3 t

% Z3 K2 f# f3 e4 T9 B7 R
2 P/ s) X8 q( I6 Q/ N8 y都是回火马氏体吗?第二张不像啊。详细解释一下好吗?
发表于 2010-11-24 10:21:58 | 显示全部楼层 来自: 中国湖南株洲
虽然不知道是什么 但是上来感慨下。。大学学过这些知识的 但是当时马马虎虎就过去了 后悔
发表于 2010-11-24 12:44:49 | 显示全部楼层 来自: 中国天津
4# 清洁工NO2
1 l  J' W1 @: A7 m- z3 T我觉得第二张形貌挺好认得呀,你觉得像什么呢?对一下金相图谱就可以了
 楼主| 发表于 2010-11-24 13:46:13 | 显示全部楼层 来自: 中国辽宁沈阳
6# bobqu
; O" U( h& b1 |. c7 ~4 I2 p2 y
9 _% {% M. H+ F9 ~: c我觉得像索氏体,一个老师傅说是魏氏组织,我也搞不清了,这体那体的太多了,说实话真看不出太大的差别来。
发表于 2010-11-24 15:14:52 | 显示全部楼层 来自: 中国天津
7# 清洁工NO2 ( \( Z/ m9 i; e
我觉得回火马氏体其实和回火索是体界限不是很清晰,说是回火索是体也说得过去。魏氏组织?那是铁素体针,照片上恐怕没有,但上贝氏体倒是模模糊糊的好像有
发表于 2010-11-24 17:01:30 | 显示全部楼层 来自: 中国浙江
既然是调质,怎么会有回火马氏体出现?" P* r$ Y/ Q# q/ D3 m4 h, `
楼主最好说明是什么钢种,采用什么样的调质工艺,让大家可以针对性地进行分析。
 楼主| 发表于 2010-11-24 17:52:55 | 显示全部楼层 来自: 中国辽宁沈阳
9# wwjxgz
8 K: I" G# V+ K# a1 Z
) B! f+ E6 g  G; c$ W5 b3 U9 r, J调质不是淬火加高温回火吗?高温回火可以有相变吧,老大有何独特看法?
发表于 2010-11-24 18:34:03 | 显示全部楼层 来自: 中国浙江台州
楼主介绍一下现在的工艺和材料的硬度,有上贝氏体及未溶铁素体(成份不均匀引起),回火索氏体。
发表于 2010-11-25 11:09:44 | 显示全部楼层 来自: 中国北京
从照片看应该是中低碳钢或中低碳低合金钢淬火+回火,回火温度不超过500度,请问楼主是否是这样,如果是再详细回复。请楼主还是给出材料和工艺,毕竟盲人摸象只是局部,不会全面。
发表于 2010-11-26 21:36:35 | 显示全部楼层 来自: 中国浙江绍兴
不管是什么组织,这样的形状都是不好的
发表于 2010-12-5 23:39:02 | 显示全部楼层 来自: 中国广东江门
应该是回火索氏体
发表于 2010-12-5 23:40:34 | 显示全部楼层 来自: 中国广东江门
至于前一种 应该是回火马氏体 回火温度不够造成的 预计
发表于 2010-12-7 07:13:48 | 显示全部楼层 来自: 中国江苏苏州
应当是保留马氏体位向的回火索氏体,可能由于材料内部存在偏析局部组织形态出现差异。
发表回复
您需要登录后才可以回帖 登录 | 注册

本版积分规则


Licensed Copyright © 2016-2020 http://www.3dportal.cn/ All Rights Reserved 京 ICP备13008828号

小黑屋|手机版|Archiver|三维网 ( 京ICP备2023026364号-1 )

快速回复 返回顶部 返回列表