QQ登录

只需一步,快速开始

登录 | 注册 | 找回密码

三维网

 找回密码
 注册

QQ登录

只需一步,快速开始

展开

通知     

全站
6天前
查看: 3657|回复: 9
收起左侧

[分享] 冲压模具标准模架

[复制链接]
发表于 2010-11-24 00:13:16 | 显示全部楼层 |阅读模式 来自: 中国广东广州

马上注册,结识高手,享用更多资源,轻松玩转三维网社区。

您需要 登录 才可以下载或查看,没有帐号?注册

x
冲压模具标准模架

冲压模具标准模架.rar

1.15 MB, 下载次数: 140

发表于 2010-11-25 10:38:41 | 显示全部楼层 来自: 中国山东济南
本帖最后由 WHC44 于 2010-11-25 10:44 编辑 0 |9 C; j6 Y  S  P# Z! \

* C: c: ~# r5 c* I& k最好能把标准说一下,谁家生产的,贴个图。
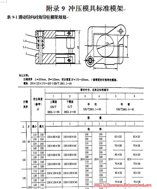
1.JPG

评分

参与人数 1三维币 +5 收起 理由
hxg168 + 5 劳动光荣

查看全部评分

发表于 2010-12-31 22:29:23 | 显示全部楼层 来自: 中国辽宁沈阳
好资料,下载学习学习
发表于 2011-1-1 15:20:24 | 显示全部楼层 来自: 中国广东云浮
谢谢你的好资料,刚好需要用到
发表于 2011-7-19 20:02:41 | 显示全部楼层 来自: 中国广东东莞
谢谢楼主了
发表于 2011-7-19 20:39:21 | 显示全部楼层 来自: 中国台湾
架模標準只是個統稱,也是參考的價值,有時會因時因地而有差別,謝謝分享
发表于 2011-7-22 16:46:25 | 显示全部楼层 来自: 中国北京
大框架都定了
发表于 2011-12-17 21:32:57 | 显示全部楼层 来自: 中国重庆
谢谢你的好资料
发表于 2012-3-6 08:02:45 | 显示全部楼层 来自: 中国广东佛山
有没有冲床规定的
发表于 2017-6-5 11:50:44 | 显示全部楼层 来自: 中国辽宁本溪
楼主,有没有四导柱模架的图纸,,毕业设计急需此图纸
) q: M# i/ ^! ^4 Q1 I
发表回复
您需要登录后才可以回帖 登录 | 注册

本版积分规则


Licensed Copyright © 2016-2020 http://www.3dportal.cn/ All Rights Reserved 京 ICP备13008828号

小黑屋|手机版|Archiver|三维网 ( 京ICP备2023026364号-1 )

快速回复 返回顶部 返回列表