QQ登录

只需一步,快速开始

登录 | 注册 | 找回密码

三维网

 找回密码
 注册

QQ登录

只需一步,快速开始

展开

通知     

全站
6天前
查看: 2437|回复: 3
收起左侧

[讨论结束] 求教:为什么这样设计

 关闭 [复制链接]
发表于 2010-11-27 09:16:01 | 显示全部楼层 |阅读模式 来自: 中国浙江宁波

马上注册,结识高手,享用更多资源,轻松玩转三维网社区。

您需要 登录 才可以下载或查看,没有帐号?注册

x
本帖最后由 deweg 于 2010-11-27 09:17 编辑 7 K" V! ~4 k% a. d; N1 j

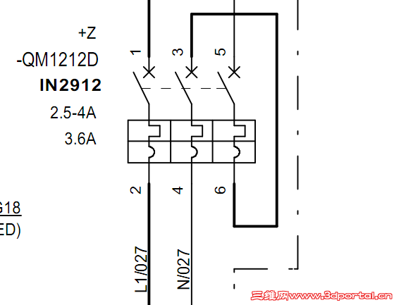
5 O4 R; S, s/ O/ \$ k 未命名.PNG % E* F( X( C0 N% \+ N3 J
如图:两相线用三极的空开。1为L,5为N,为什么不直接用两级开关。图纸为意大利设备电气图。
1 b7 K2 B7 C0 ^4 f' a* h: i/ U谢谢大家指导!
发表于 2010-11-30 08:53:12 | 显示全部楼层 来自: 中国湖北
这是为3P开关当2P开关使用,二极和三极是串联使用这样三极的电流就对称了,如果不对称时间长了空气开关也会跳闸(具体看电流的实际情况)。至于为什么这样个人观点是设计变更的产物,整个设计就没有统一变更。
发表于 2011-10-13 17:40:29 | 显示全部楼层 来自: 中国江苏扬州
多此一举,三极当两极用完全可以。
发表于 2011-10-13 20:37:34 | 显示全部楼层 来自: 中国天津
图示中的三极开关做两极用,技术上当无问题。5 w% {- K5 R4 ?4 G$ E
一个产品的设计和生产,除技术方面外,还有其它诸多因素的影响。诸如器件的供货情况、现有库存、成本因素、已有产品的更新、按用户要求小批量甚至单件产品的临时更改等。个人认为不是单纯的技术问题,应是其它因素所致。我们在产品生产过程中也时有此类看似不合理的处理方式。
发表回复
您需要登录后才可以回帖 登录 | 注册

本版积分规则


Licensed Copyright © 2016-2020 http://www.3dportal.cn/ All Rights Reserved 京 ICP备13008828号

小黑屋|手机版|Archiver|三维网 ( 京ICP备2023026364号-1 )

快速回复 返回顶部 返回列表