QQ登录

只需一步,快速开始

登录 | 注册 | 找回密码

三维网

 找回密码
 注册

QQ登录

只需一步,快速开始

展开

通知     

查看: 1400|回复: 7
收起左侧

[求助] 那里有力士乐泵的油口接头

[复制链接]
发表于 2010-12-2 20:37:56 | 显示全部楼层 |阅读模式 来自: 中国陕西西安

马上注册,结识高手,享用更多资源,轻松玩转三维网社区。

您需要 登录 才可以下载或查看,没有帐号?注册

x
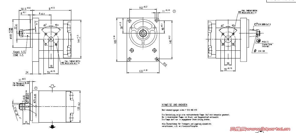
力士乐泵的油口如图,大家有没有用过这款泵的,能给提供一下油口接头吗?
泵.jpg
发表于 2010-12-3 01:22:35 | 显示全部楼层 来自: 中国湖南长沙
本帖最后由 jeromechen 于 2010-12-3 01:32 编辑
$ |. R' O* A1 \# k  X
) P" \8 t! K4 _3 g% Z可以采用派克的BFW90度液压方形弯法兰连接啊2 N8 |9 K# R8 q: F
此液压泵的吸油口和工作油口通径不一样: C6 c) b. W2 E4 o5 D/ x- [  Z
吸油采用-BFW30S/LK55
/ w/ t( E5 J$ r$ F/ I# _' v工作油口-BFW20S/LK55
未命名.JPG
发表于 2010-12-3 08:22:28 | 显示全部楼层 来自: 中国上海
国内做发兰的太多了,很容易找
 楼主| 发表于 2010-12-3 21:14:43 | 显示全部楼层 来自: 中国陕西西安
国内好像没有这种规格的
 楼主| 发表于 2010-12-3 21:22:52 | 显示全部楼层 来自: 中国陕西西安
两个油口的接头可以用同样的吗?我的意思是,如果O形圈能够把油口圈住的话是不是可以不管接头的口径?
 楼主| 发表于 2010-12-3 21:34:21 | 显示全部楼层 来自: 中国陕西西安
比如说两个油口都用BFW20S-LK55,因为两个接头的O形圈是一样的
 楼主| 发表于 2010-12-4 20:37:59 | 显示全部楼层 来自: 中国陕西西安
顺便问一下,派克的BFW90度液压方形弯法兰是不是只有进口的?
发表于 2011-2-25 13:22:58 | 显示全部楼层 来自: 中国北京
困扰很久的问题,现在终于找到了!
: T) C9 u9 l, ]# a2 H2 V. u4 B记得原来在STAUFF样本上看到过,不过后来怎么也找不到了。
* h$ }# d# U/ J- ?6 v不知道这种泵油口法兰执行的是什么标准?
发表回复
您需要登录后才可以回帖 登录 | 注册

本版积分规则


Licensed Copyright © 2016-2020 http://www.3dportal.cn/ All Rights Reserved 京 ICP备13008828号

小黑屋|手机版|Archiver|三维网 ( 京ICP备2023026364号-1 )

快速回复 返回顶部 返回列表