QQ登录

只需一步,快速开始

登录 | 注册 | 找回密码

三维网

 找回密码
 注册

QQ登录

只需一步,快速开始

展开

通知     

全站
5天前
查看: 2025|回复: 8
收起左侧

[已解决] 问一个关于滚动轴承的图纸表达问题

[复制链接]
发表于 2010-12-3 18:22:59 | 显示全部楼层 |阅读模式 来自: 中国山东济南

马上注册,结识高手,享用更多资源,轻松玩转三维网社区。

您需要 登录 才可以下载或查看,没有帐号?注册

x
问一个关于滚动轴承的图纸表达问题8 d: U- N+ o5 C
" A/ u1 f- f% q, e! P
滚动轴承的剖视表达法很简单,只表达出两个滚珠就可以了,但如果实际情况要求要表达一个不剖切的轴承,是不是要依实际情况画出可见的所有滚珠呢?
发表于 2010-12-3 19:49:59 | 显示全部楼层 来自: 中国上海
本帖最后由 evtepe 于 2010-12-3 19:59 编辑 $ o/ ~4 T8 t0 [8 Y& R6 _3 m

- e2 t; n4 M, _. x8 N- l不需要。http://www.imagebam.com/image/39a801109216147.jpg]

评分

参与人数 1三维币 +2 收起 理由
plc + 2 应助

查看全部评分

发表于 2010-12-3 21:47:38 | 显示全部楼层 来自: 中国湖南岳阳
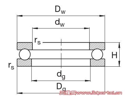
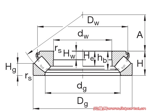
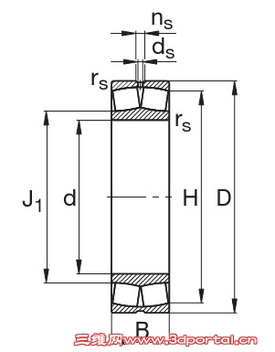
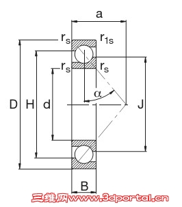
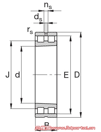
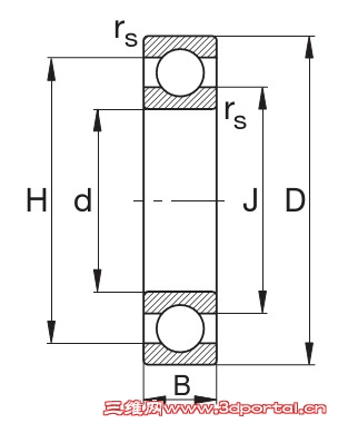
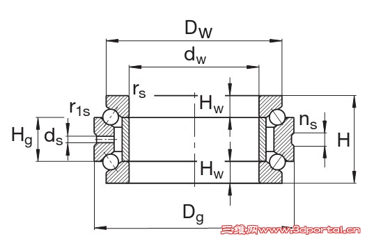
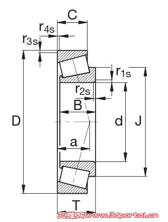
如果只是使用轴承(不是设计生产轴承),完全没有必要将轴承的详细结构表达出来,但必须清楚表达轴承的类型、外形尺寸等。各类轴承请参考FAG图片。
1.jpg
2.jpg
3.jpg
4.jpg
5.jpg
6.jpg
7.jpg
8.jpg
9.jpg
10.jpg

评分

参与人数 1三维币 +4 收起 理由
plc + 4 应助

查看全部评分

发表于 2010-12-5 20:00:34 | 显示全部楼层 来自: 中国重庆
轴承的画法有规定,参照规定表达清楚就可以了吧。

评分

参与人数 1三维币 +2 收起 理由
plc + 2 技术讨论

查看全部评分

发表于 2010-12-9 08:37:36 | 显示全部楼层 来自: 中国陕西西安
剖视,注明轴承型号
发表于 2010-12-9 09:07:25 | 显示全部楼层 来自: 中国上海
本帖最后由 lhf999 于 2010-12-9 09:08 编辑 # e9 C& M* P4 j  s2 ~  l$ }
/ d* u( o& F9 v8 G! T. I0 j/ S" K
滚动轴承在图纸上的画法应按照GB/T 4459.7-1998《机械制图 滚动轴承表示法》。
2 x  t% o5 F4 I楼主说的是不是下面这种情况?
zcd.jpg
发表于 2010-12-9 10:53:46 | 显示全部楼层 来自: 中国重庆
按标准来,3楼已经列举的很详细了
3 p6 ^) S2 F# {. T* k) Z垂直于轴线画轴承的很少吧
发表于 2010-12-10 21:08:17 | 显示全部楼层 来自: 中国辽宁沈阳
关键要看你画图的具体目的。如果,你只是为表示设计所选用标准轴承的某种型式,而不是专门为表示你自行设计的专用轴承结构细节的话,通常,都会按制图标准,采用简化法为之。不同型式轴承的简化图示,一般都会在设计手册或轴承样本中查到的。
 楼主| 发表于 2010-12-12 16:28:37 | 显示全部楼层 来自: 中国山东济南
谢谢大家的帮助,我知道了!再次感谢!
发表回复
您需要登录后才可以回帖 登录 | 注册

本版积分规则

Licensed Copyright © 2016-2020 http://www.3dportal.cn/ All Rights Reserved 京 ICP备13008828号

小黑屋|手机版|Archiver|三维网 ( 京ICP备2023026364号-1 )

快速回复 返回顶部 返回列表