QQ登录

只需一步,快速开始

登录 | 注册 | 找回密码

三维网

 找回密码
 注册

QQ登录

只需一步,快速开始

展开

通知     

全站
6天前
查看: 4704|回复: 21
收起左侧

[求助] 程序有错么?

[复制链接]
发表于 2010-12-5 20:52:40 | 显示全部楼层 |阅读模式 来自: 中国江苏无锡

马上注册,结识高手,享用更多资源,轻松玩转三维网社区。

您需要 登录 才可以下载或查看,没有帐号?注册

x
未命名1.jpg 未命名.jpg
" |, y$ p  [/ S1 B+ r  Q7 j3 E5 l, Y3 z
想问下程序第一行中的点动按钮I0.1为什么不是常闭的,还有热继I0.3为什么不是常闭的?
 楼主| 发表于 2010-12-5 21:03:43 | 显示全部楼层 来自: 中国江苏无锡
未命名2.jpg
; ^! }* d/ Y7 {/ k. h$ l* N9 R# q7 J
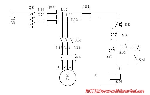
给大家附上继电器控制图
发表于 2010-12-6 11:14:10 | 显示全部楼层 来自: 中国广东深圳
不知道你是否学电气的,这个图PLC图错了
发表于 2010-12-6 11:30:23 | 显示全部楼层 来自: 中国广东深圳
2# 游丝
6 ]0 i" W; k; e如果按照你的图完全翻译成PLC图应该是如下图:
3 d4 U& a, n; ~  F; p  s/ s% L但是一般不会按照你这样的接线做PLC程序的
PLC.jpg

评分

参与人数 1三维币 +2 收起 理由
pangpang + 2 应助。 另外,建议使用“编辑”功能和你的上帖并一帖发表。

查看全部评分

 楼主| 发表于 2010-12-6 16:53:41 | 显示全部楼层 来自: 中国江苏无锡
在网上查了热继一般用的都是常开点,还有I0.3按下常闭点不是断开的吗,构不成自锁了
发表于 2010-12-6 19:41:28 | 显示全部楼层 来自: 中国浙江宁波
SB2的联动开关有问题,如果取消联动就没有问题了。1 L0 v- R8 j6 C( D0 m' H- Z7 X1 o# j
接点的是接常开还是常闭根据现场实际的接法来决定PLC内的组态就好了。这个也没有一定要常开还是常闭。
1 {1 D7 {* B" ?/ [: e$ B但是一般电气控制图中启动都是常开,停止都是常闭的,热继应该是常闭的。
2 y! V, o) s' A供参考
发表于 2010-12-6 23:05:54 | 显示全部楼层 来自: 中国浙江杭州
你的STL中用的LDN已是常闭,只是梯形图上与Q0.0相与的一个I0.1画错了。热继常闭最好不要进PLC,串接在在你PLC输出Q0.0上最好
发表于 2010-12-7 08:54:07 | 显示全部楼层 来自: 中国广东深圳
5# 游丝 * J0 \: J0 J. ?1 m. _
大哥,I0.3是点动啊,也不知道你是怎么想的。
发表于 2010-12-7 10:00:40 | 显示全部楼层 来自: 中国安徽安庆
梯形图(a)有误,楼主所上传的语句表(b)是正确的,指令第一句不就是LDN嘛,你说LDN是常开还是常闭点呢
3 a- V! W! c! b/ {关于热继I0.3——————热继常闭触点串接在硬件回路里,而1#PLC输入实际硬接点用的也是常闭点,即1,而软件梯形图里用常开也表示1,意即接通,若是在梯形图用常闭点,正好相反,变成0了,能流停止,Q0.0不得电。; Q* w. P6 |/ F/ Q) q3 n
一定要理清常开常闭的逻辑关系!
 楼主| 发表于 2010-12-7 19:25:21 | 显示全部楼层 来自: 中国江苏无锡
如果第一个I0.1改为常闭点,个人认为好像也有点问题。用扫描周期来阐述3 n$ n5 }% }2 T& v) i1 M4 @' n

; X% H! q9 U3 _3 Z- ?, `) G 点动的情况下
0 m9 w* v* U) w# B- k: @4 Q; b9 W/ [7 X5 b8 G; Y
      在第一个扫描周期合上I0.1,则Q0.0输出为1;9 Z5 `6 `  Y9 D: r4 ]1 m7 f. @
      在第二个扫描周期中关闭I0.1,此时Q0.0输出仍为1,这样的话就实现不了点动功能了
发表于 2010-12-8 10:08:03 | 显示全部楼层 来自: 中国安徽安庆
10# 游丝 ! N; ^: {% Z: t0 p  N$ v
理论上存在这种几率,并不是一定的。但需要纠正的是,应该不是“第二个扫描周期中关闭I0.1,此时Q0.0输出仍为1”,应该是第一个扫描周期还未结束的时候断开I0.1,此时第二个循环未开始,位于梯形图第一条的程序中的Q0.0常开点依旧是1,此时I0.1常闭点恢复闭合,也为1,线圈Q0.0保持得电状态。——这是点动下断不开Q0.0的情况。之所以说只是有这种几率,因为点动按钮是人手操作的,PLC的扫描是ms级的,不可能保证每次按钮断开都在上述状态中。( n. T- I- A4 b  T' C

, o7 I2 ?- W0 p7 F4 _) ]$ Q  }3 ^/ b" K( ~电脑里未装西门子PLC编程软件,我这里有个三菱的示例,可解决此类问题,楼主可参考一下,转化成西门子的。注:X1为点动按钮
8 |  M# o- i5 k: M: `/ ~) Z
& e6 R0 k( h6 ~: c/ ^5 K! m  M diandong.JPG

评分

参与人数 1三维币 +5 收起 理由
pangpang + 5 应助

查看全部评分

发表于 2011-1-22 15:14:23 | 显示全部楼层 来自: 中国内蒙古呼和浩特
你的电路图本身有问题了,更不要说程序,一塌糊涂
发表于 2011-1-22 15:24:14 | 显示全部楼层 来自: 中国内蒙古呼和浩特
你可以用中间M存储区判断实现
发表于 2011-1-22 19:13:44 | 显示全部楼层 来自: 中国黑龙江哈尔滨
本帖最后由 pangpang 于 2011-1-22 19:16 编辑
: F/ U+ b2 J; m: g/ w( T6 p
你的电路图本身有问题了,更不要说程序,一塌糊涂
6 |* t$ F$ T3 u9 M% Clszdyx 发表于 2011-1-22 15:14 http://www.3dportal.cn/discuz/images/common/back.gif
0 i) V+ V, G6 E
6 n; d2 C5 L* l5 Y, k8 g3 R
2#帖中的电路图有问题吗?没看出来。这是一个标准的“连续与点动混合正转控制线路”,在许多教科书中都有。1 j8 e% G! H, O$ \

6 v, e1 F9 g9 A+ w2 T+ [另外,建议您应避免在较短时间内连续多帖发表。这种情况建议使用“编辑”功能,在一个帖中发表。
发表于 2011-1-24 15:48:46 | 显示全部楼层 来自: 中国山东潍坊
PLC中用长开不用常闭的原因是:
7 b" \* J8 w1 g% ]; T: F  B+ o常闭点发生抖动电位时容易产生误动作,本身是直流低压,电流小,有事接触不良而导致PLC误动作
发表于 2011-1-25 15:24:20 | 显示全部楼层 来自: 中国北京
10# 游丝  
3 H- [2 W8 L( S' o* i/ }( E理论上存在这种几率,并不是一定的。但需要纠正的是,应该不是“第二个扫描周期中关闭I0.1,此时Q0.0输出仍为1”,应该是第一个扫描周期还未结束的时候断开I0.1,此时第二个循环未开始,位于梯形图第一条 ...; L: _) C$ V! r' n" w. I' P
瞧你那小样 发表于 2010-12-8 10:08 http://www.3dportal.cn/discuz/images/common/back.gif
7 A. f$ ?( l+ p4 R, n2 b
对于PLC来说,这不是几率的问题,而是一定的。2 P9 W9 j( m# W! b; [
在使用点动时,Q0.0不会自行断开。
* }$ f, [- R7 Z1 p这就是PLC和实际电路控制的区别,除了使用中继外,别无它法。
' v0 p4 a+ X. q7 e# d% u/ I, J1 X+ A
发表于 2011-2-8 22:35:00 | 显示全部楼层 来自: 中国江西鹰潭
这说明,I0.1和I0.3的外部接线为常闭点,所以PLC内部就要用到常开点了。通电后,PLC内部接点就变成常闭点。。。。
0 P' {2 K' T( O2 S% o根据每个编程人员的习惯不同了而定了,你也可以按照电器原理图来选择PLC的编程,那样就好理解了。
( n: ^# x4 S5 n! C# O$ ]2 F0 |( i" w& I3 |
该编程图是没有办法正常工作的。
发表于 2011-2-10 14:52:52 | 显示全部楼层 来自: 中国湖北武汉
1.电路图是没有什么问题的,可以用。
; {( N) x/ E* Q* A1 B1 {: l* z2.语句表中的指令也是没有什么问题的,对照第一条指令,就知道梯形图中第一个I0.1应该是常闭的。' H0 G* G6 ^3 b
3.该程序一定会产生如“游丝”所说的无法点动的问题,关键就是PLC的连续扫描周期产生,所以学习PLC的一定要注意这个问题。
9 n% H7 N! ^- B. M+ |7 `4.另给一个例程:7 a6 G$ O" A  p  ]4 i
ld i0.0
1 Q+ O! A3 ~/ _* [8 d& k$ y7 }or m0.0
# t7 n; ~. ]! Q" rani i0.2
8 v  @9 D5 f2 }  o. z9 m= m09 Z( Y4 D3 m" T" `
ld m0: r( O* h6 `- n% ?$ S
or i0.1
' R" T9 {, u% l" k1 u9 Lan i0.3& W) L5 }. f* t' @8 U
= q0.07 @, W" T# r9 H# o5 h
这个程序比11#的更好理解一点。
发表于 2011-3-31 13:11:51 | 显示全部楼层 来自: 中国广西百色
这程序好像有点复杂化了,应该很简单的。热继电器的触点看他硬件接的是常开还是常闭才能知道程序里面要用常开还是常闭
发表于 2011-6-20 18:25:51 | 显示全部楼层 来自: 中国江苏扬州
接常开还是常闭看个人习惯。
发表于 2011-6-21 13:16:10 | 显示全部楼层 来自: LAN
热继常闭一般在接触器线圈回路,常开接过载指示灯。
发表于 2011-6-21 21:52:51 | 显示全部楼层 来自: 中国天津
dingyige hah
发表回复
您需要登录后才可以回帖 登录 | 注册

本版积分规则


Licensed Copyright © 2016-2020 http://www.3dportal.cn/ All Rights Reserved 京 ICP备13008828号

小黑屋|手机版|Archiver|三维网 ( 京ICP备2023026364号-1 )

快速回复 返回顶部 返回列表