QQ登录

只需一步,快速开始

登录 | 注册 | 找回密码

三维网

 找回密码
 注册

QQ登录

只需一步,快速开始

展开

通知     

查看: 1467|回复: 2
收起左侧

[求助] O型密封圈的密封槽问题

[复制链接]
发表于 2010-12-6 14:07:27 | 显示全部楼层 |阅读模式 来自: 中国山东青岛

马上注册,结识高手,享用更多资源,轻松玩转三维网社区。

您需要 登录 才可以下载或查看,没有帐号?注册

x
各位好,如果用15X1.8的O型橡胶密封圈,其槽应该尺寸是多少?请指教。非常感谢。
发表于 2010-12-6 15:01:46 | 显示全部楼层 来自: 中国湖南岳阳
本帖最后由 TKG-09 于 2010-12-6 15:04 编辑 9 O( f- |7 _9 V, Y. n# A

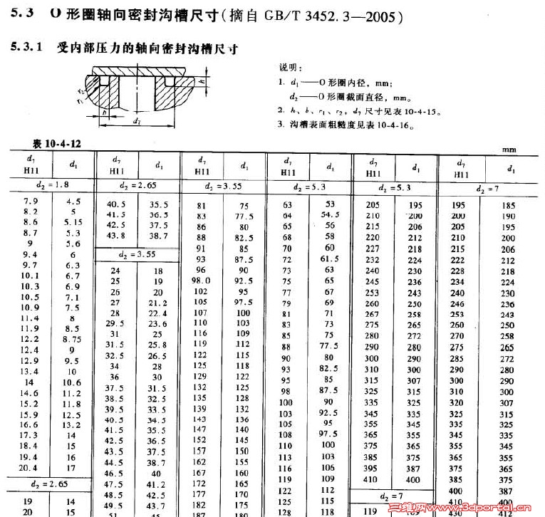
& o' W2 I$ {/ `/ \. T. W' i" CO型密封圈的密封槽应按工作需要来确定尺寸,O型密封圈是安装在活塞上、缸体上?是静密封、还是动密封?是径向密封、还是端面密封等都不相同。搞技术不学会查手册不行啊!
1.jpg
2.jpg
3.jpg
 楼主| 发表于 2010-12-6 17:02:02 | 显示全部楼层 来自: 中国山东青岛
谢谢,查过手册了。
发表回复
您需要登录后才可以回帖 登录 | 注册

本版积分规则


Licensed Copyright © 2016-2020 http://www.3dportal.cn/ All Rights Reserved 京 ICP备13008828号

小黑屋|手机版|Archiver|三维网 ( 京ICP备2023026364号-1 )

快速回复 返回顶部 返回列表