QQ登录

只需一步,快速开始

登录 | 注册 | 找回密码

三维网

 找回密码
 注册

QQ登录

只需一步,快速开始

展开

通知     

全站
5天前
查看: 2633|回复: 10
收起左侧

[求助] 铰链连接,U形叉的应力怎么计算,请看图

[复制链接]
发表于 2010-12-9 16:55:25 | 显示全部楼层 |阅读模式 来自: 中国四川甘孜藏族自治州

马上注册,结识高手,享用更多资源,轻松玩转三维网社区。

您需要 登录 才可以下载或查看,没有帐号?注册

x
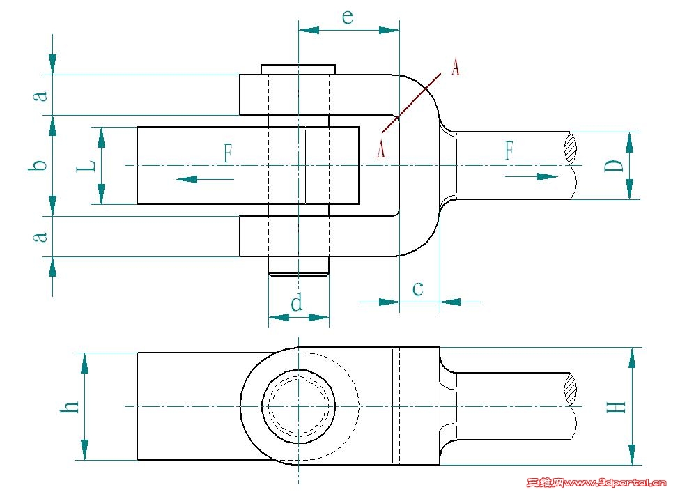
图中是铰链联结的,A——A截面常出现断裂,两杆受拉力F,通过销子联结,  w# E) Z9 p* K$ c; N$ @
各尺寸见图,A——A截面的应力怎么计算,谢谢!
aa.jpg
发表于 2010-12-10 07:03:24 | 显示全部楼层 来自: 中国山东青岛
简单分析这个位置应该受拉力和弯矩的作用
 楼主| 发表于 2010-12-10 08:40:07 | 显示全部楼层 来自: 中国四川甘孜藏族自治州
2# 2374
$ ^5 g2 D6 k) X/ b% v+ i1 k) Z2 u, N/ ^3 x
斑竹,A——A位置的弯矩怎么计算呢?
发表于 2010-12-10 08:58:55 | 显示全部楼层 来自: 中国山西太原
A-A截面处应是主要受拉应力作用,弯曲应力主要是作用在U叉与圆杆根部截面。在U形叉弯曲处制作成形时可能存在有残余应力,此处就成了危险断面。2 X1 g& ~# D( ]) y7 d6 @, Z9 a
U形叉第边受力为F/2,A-A截面面积为H(R-r),R、r分别为外、内弯曲半径。
( O1 j3 Q9 e$ M. w0 ~  h7 WA-A截面受的应力为:σ=F/[ 2H(R-r)]
发表于 2010-12-10 09:37:22 | 显示全部楼层 来自: 中国北京
采用ANSYS等有限元软件计算,很快就能得到其应力分布情况了!
 楼主| 发表于 2010-12-10 11:31:19 | 显示全部楼层 来自: 中国四川甘孜藏族自治州
5# zhaohuijun76 9 o/ e4 R! w0 m# ]9 t  h

* T  A- f* I% f0 R8 K6 d4 l! t要是用软件算就不发贴子问了!
 楼主| 发表于 2010-12-10 11:33:03 | 显示全部楼层 来自: 中国四川甘孜藏族自治州
4# gaoyns 0 V! Q4 W, L+ g: i

9 w5 G# ?% l5 g# Y4 D你只计算了拉应力,还有弯曲应力呢?
发表于 2010-12-10 12:19:40 | 显示全部楼层 来自: 中国北京
本帖最后由 a114977445 于 2010-12-10 13:05 编辑
! L' E1 D1 ~  f8 ~( r9 B  ~8 l  n  s
A-A截面 受力分析如图
5 v; S, B, z, c* q! ?同时受拉力和弯矩作用/ F$ A: m3 |3 L0 _5 {3 z& d6 B
弯曲应力σn=M*v/Ix
: Q$ G  u' l1 M2 ?2 F' s, v: uM - 弯矩/ N) z! _2 D1 Z" g4 c
v - 截面上中心线与最远的点的距离
  O# Y5 a9 o: c4 X2 u- WIx- A-A截面相对于中心线的惯性矩
# Y, G- \! ]  p" T5 _" f; j5 E' i; q- f7 z& T% |
其实弯矩挺小的,主要还是拉应力
analyze.JPG
发表于 2010-12-10 13:34:03 | 显示全部楼层 来自: 中国上海
A——A截面常出现断裂,这个应该是你材料弯曲或冲压成U型件是出现问题的!
1 l3 `5 \1 r3 o' e' i2 U' h. K工业上,我们计算圆孔的拉断力是:截面积X抗拉强度X0.6。
/ ~! J% }8 l8 t3 i' V& L$ H  x假设上面:H=20,a=6,d=10,材料用q235,抗拉系数是:375σb/MPa
. x2 @2 p: I  C" P$ d& ~" c# v那么它的拉断力是:(20-10)X6X375σb/MPax0.6=1.35KG(这个是单面,双面要X2)9 y  L+ J8 k$ c1 D1 C
也就是说:2.7kg的力就可以拉断孔位或致使孔位变形。
 楼主| 发表于 2010-12-14 13:52:35 | 显示全部楼层 来自: 中国四川内江
9# wuweilyy
# S/ \* v2 ]" V; g, r
9 O! `% n: f1 C5 v4 ^. d
5 ?3 U- l$ ], R; V2 o! l$ W我说的是A——A截面,受力你还是没有弄清楚吧,8楼的稍微有点对了,但是还不完善!
发表于 2010-12-14 15:24:51 | 显示全部楼层 来自: 中国山东青岛
%%Cd处的1/2F与力臂1/2b的乘积为A--A面内侧的弯矩
发表回复
您需要登录后才可以回帖 登录 | 注册

本版积分规则

Licensed Copyright © 2016-2020 http://www.3dportal.cn/ All Rights Reserved 京 ICP备13008828号

小黑屋|手机版|Archiver|三维网 ( 京ICP备2023026364号-1 )

快速回复 返回顶部 返回列表