QQ登录

只需一步,快速开始

登录 | 注册 | 找回密码

三维网

 找回密码
 注册

QQ登录

只需一步,快速开始

展开

通知     

全站
6天前
查看: 50727|回复: 13
收起左侧

[已答复] 螺纹钻孔深度如何确定

[复制链接]
发表于 2010-12-16 19:26:11 | 显示全部楼层 |阅读模式 来自: 中国山东潍坊

马上注册,结识高手,享用更多资源,轻松玩转三维网社区。

您需要 登录 才可以下载或查看,没有帐号?注册

x
最近遇到一个问题,拿出来麻烦一下网友:1、螺纹钻孔深度应该如何确定??  特别是螺纹底部盲孔的深度一般应该钻多少呢?和螺纹的直径、螺距有什么关系吗?谢谢
发表于 2010-12-17 07:12:45 | 显示全部楼层 来自: 中国江苏无锡
提问之前,最好先搜索下。看这个帖子的答案。http://www.3dportal.cn/discuz/vi ... F%D7%2B%C9%EE%B6%C8

评分

参与人数 1三维币 +2 收起 理由
天际孤帆 + 2 鼓励交流

查看全部评分

发表于 2010-12-17 07:54:49 | 显示全部楼层 来自: 中国湖北潜江
2# laoxu1112 0 P0 m% K% T2 T: f
设计手册上就有
发表于 2010-12-17 09:24:21 | 显示全部楼层 来自: 中国山西太原
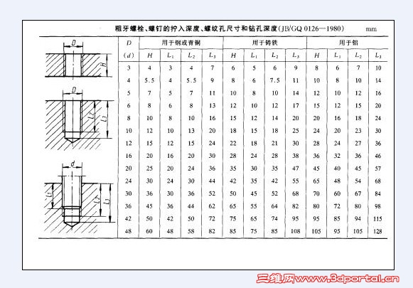
不同规格的螺栓,不同材料,拧入深度和钻孔深度各不相同,见下表:
螺栓拧入和螺孔及钻孔深度.jpg

评分

参与人数 1三维币 +2 收起 理由
asdolmlm + 2 应助

查看全部评分

发表于 2010-12-17 09:40:38 | 显示全部楼层 来自: 中国湖南株洲
不同规格的螺栓,不同材料,拧入深度和钻孔深度各不相同,见下表:& D. Z  M. V6 r+ l# T- z2 [
gaoyns 发表于 2010-12-17 09:24 http://www.3dportal.cn/discuz/images/common/back.gif

8 s0 i6 j; R3 [- @+ x) S& }1 F- o% F
; V2 O2 N  h' l* u4 O
学习了,以前钻孔一般都是留够螺纹深度,对于盲孔深度就随便留了一点!不够细致。谢谢!
发表于 2010-12-17 22:21:33 | 显示全部楼层 来自: 中国北京
机械手册规定的一般情况下尺寸,但是也不是完全按照标准,在一些结构比较紧凑的地方,没有按标准的,也不可能按标准尺寸。诸如航天飞机结构件尺寸与地面上跑的汽车结构件尺寸就是不一样的。
发表于 2010-12-17 22:25:48 | 显示全部楼层 来自: 中国浙江金华
谢谢楼主的资料了。。。我以前也是评经验。
发表于 2010-12-17 22:35:54 | 显示全部楼层 来自: 中国江西九江
攻制不通孔螺纹时,由于丝锥的切削部分有锥角,端部不能攻出完整的螺纹牙形,所以 钻孔深度要大于螺纹的有效长度。一般取: 钻孔深度 H = 螺纹有效长度 h+0.7×螺纹大径 D
发表于 2010-12-20 23:27:12 | 显示全部楼层 来自: 中国重庆
螺纹加工长度=螺纹有效深度+3X螺距7 C' B0 \# k! C' ]" f. N
底孔深度=螺纹加工长度+3X螺距; ~0 e1 V3 m& {, Z$ K& V' f% ?' ~
我一般是这样取的9 v7 ]0 v$ t* s  L' B/ [: @. |
空间太小了有时真的让人为难
发表于 2010-12-21 00:24:14 | 显示全部楼层 来自: 中国江苏南通
最好的办法是找相关标准。
发表于 2010-12-21 00:49:23 | 显示全部楼层 来自: 中国湖北孝感
看情况而定 要考虑攻丝的余量
发表于 2010-12-21 07:54:42 | 显示全部楼层 来自: 中国北京
1、这个手册上有,请查手册;
# q7 N/ \+ u! c. ~2、如果您是设计人员,可以只画出图,不标注尺寸,由工艺人员确定钻孔深度就可以了。
发表于 2011-11-16 13:55:04 | 显示全部楼层 来自: 中国辽宁大连
有关系,一般螺纹拧入的深度大概就是螺纹外径的尺寸,基本上这样强度就够了。也就是说 M10的螺纹 拧入10mm 这样强度就足够了。
发表于 2013-11-3 09:34:33 | 显示全部楼层 来自: 中国江苏苏州
老帖子了,但还是很有借鉴意义。各位讲得很有道理。又学习了一下!
发表回复
您需要登录后才可以回帖 登录 | 注册

本版积分规则

Licensed Copyright © 2016-2020 http://www.3dportal.cn/ All Rights Reserved 京 ICP备13008828号

小黑屋|手机版|Archiver|三维网 ( 京ICP备2023026364号-1 )

快速回复 返回顶部 返回列表