QQ登录

只需一步,快速开始

登录 | 注册 | 找回密码

三维网

 找回密码
 注册

QQ登录

只需一步,快速开始

展开

通知     

查看: 2214|回复: 5
收起左侧

[求助] 各位帮我看看此jet泵润滑原理图是泵是这样的?【加分感谢】

[复制链接]
发表于 2010-12-30 08:11:04 | 显示全部楼层 |阅读模式 来自: 中国江苏南通

马上注册,结识高手,享用更多资源,轻松玩转三维网社区。

您需要 登录 才可以下载或查看,没有帐号?注册

x
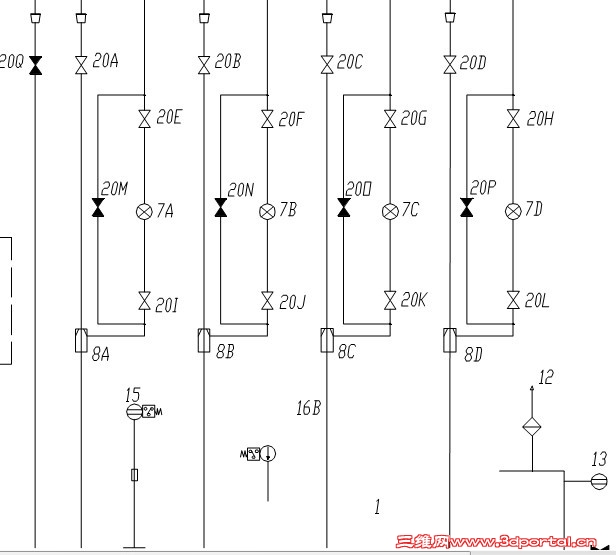
jet 泵,用于立磨磨辊润滑的,也叫喷射泵(自吸泵),自吸磨辊轴承回油用的,但对方的原理图上画的三个口,但jet泵哪里来三个油口啊。难道有反冲洗口或什么的?
/ y/ m# U4 d1 c& r- ~2 r6 `帮我看看。。8A、8B、8C、8D即jet泵- }; l  \$ [. @

0 {8 {& I& S) B, \  ?. ~( W谢谢..
jet泵.jpg
 楼主| 发表于 2010-12-30 10:55:50 | 显示全部楼层 来自: 中国江苏南通
有用过jet泵的指点一下啊,是如何用的?
发表于 2010-12-30 17:51:09 | 显示全部楼层 来自: 中国江苏无锡
喷射泵本来就是三个接口,它的原理(以水泵举例)是高压水进入喷射泵的喷嘴,它的喷嘴的内径是在逐渐减小,这个时候水的流速非常高,然后进入一个大的内腔。这个内腔的另外一个吸口就是接你需要抽出的污水舱,由于之前的水流速非常高,在这个内腔形成了真空,把你的污水吸入,然后进入混合腔,在通过扩压腔,最后排出。
1 x) Z; |3 z4 }$ K3 E   喷射泵本身的作用相当于一个抽真空的装置,船舶上经常用的

评分

参与人数 1三维币 +5 收起 理由
自流井 + 5 非常感谢,但我看样本上没三个口啊

查看全部评分

 楼主| 发表于 2010-12-31 08:16:28 | 显示全部楼层 来自: 中国江苏南通
喷射泵本来就是三个接口,它的原理(以水泵举例)是高压水进入喷射泵的喷嘴,它的喷嘴的内径是在逐渐减小,这个时候水的流速非常高,然后进入一个大的内腔。这个内腔的另外一个吸口就是接你需要抽出的污水舱,由于之 ...# z- A; n1 E  S3 T: u! f
Csxy_co_ltd 发表于 2010-12-30 17:51 http://www.3dportal.cn/discuz/images/common/back.gif
6 b. i0 F$ G2 P' `4 I+ N- H

1 t6 |4 p/ G) m  y# w1 ?  p非常感谢,但样本上是否也是有三个口?9 }2 @; [% ~5 t6 G
6 E) S! B9 u( P( d) r
你有JET泵的样本吗?
发表于 2010-12-31 12:40:15 | 显示全部楼层 来自: 中国江苏无锡
样本没有,发一个原理看看 QQ截图未命名.jpg

评分

参与人数 1三维币 +2 收起 理由
自流井 + 2 感谢,好资料..

查看全部评分

 楼主| 发表于 2011-1-2 07:57:25 | 显示全部楼层 来自: 中国江苏南通
样本没有,发一个原理看看1819076( r9 j& W% t" h  k5 k5 R
Csxy_co_ltd 发表于 2010-12-31 12:40 http://www.3dportal.cn/discuz/images/common/back.gif
  O2 y: x7 s, S+ d0 }; c7 {" _5 C
$ ?- h, {; r' Z
此泵原理是否为jet型式泵呢?
$ M+ E$ V4 h/ f, n) }- n6 f* p% d
谢谢
发表回复
您需要登录后才可以回帖 登录 | 注册

本版积分规则

Licensed Copyright © 2016-2020 http://www.3dportal.cn/ All Rights Reserved 京 ICP备13008828号

小黑屋|手机版|Archiver|三维网 ( 京ICP备2023026364号-1 )

快速回复 返回顶部 返回列表