QQ登录

只需一步,快速开始

登录 | 注册 | 找回密码

三维网

 找回密码
 注册

QQ登录

只需一步,快速开始

展开

通知     

查看: 3550|回复: 13
收起左侧

[求助] 注塑零件请教

[复制链接]
发表于 2011-1-4 10:19:20 | 显示全部楼层 |阅读模式 来自: 中国河北廊坊

马上注册,结识高手,享用更多资源,轻松玩转三维网社区。

您需要 登录 才可以下载或查看,没有帐号?注册

x
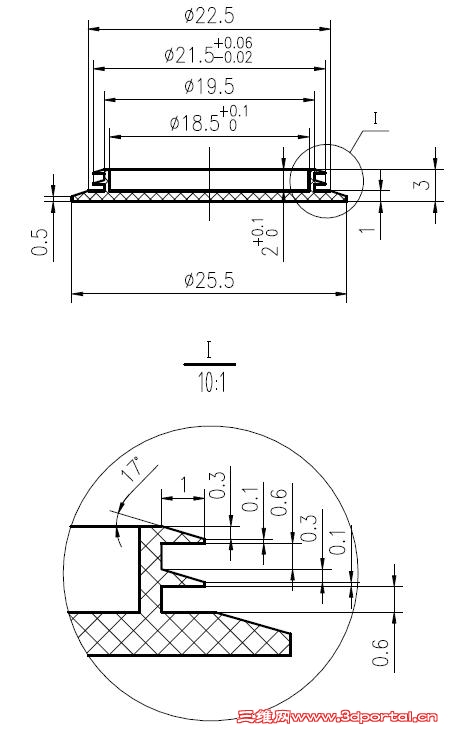
请教各位,如下图零件,我打算开模注塑加工,材料为尼龙,我对注塑了解很少不知能否加工,谢谢大家。! V5 Z+ a! h  h% l/ e# O
固定帽.JPG
发表于 2011-1-4 10:25:17 | 显示全部楼层 来自: 中国湖南长沙
本帖最后由 csdlfj001 于 2011-1-4 10:26 编辑
* O5 v7 b* R5 y& y1 f5 W( x+ k
: M) R% {: `  H( V9 z$ s( q& S) a# c肯定能加工的,发帖到模具设计制造版块,哪里有好多DX会答复你的
发表于 2011-1-4 15:46:21 | 显示全部楼层 来自: 中国安徽芜湖
这种零件结构开注塑模能完成。
 楼主| 发表于 2011-1-5 07:56:35 | 显示全部楼层 来自: 中国河北廊坊
可是我问了几家公司都说周边的小毛刺开模有难度,还说尼龙流动性不好因此注塑有难度,开始我想的是结构与瓶盖差不多,没想到找了几家都说做不了
发表于 2011-1-5 08:32:29 | 显示全部楼层 来自: 中国上海
看你要求的精度有多高了,另外上面那一部分的壁厚太薄,才0.5可能会导致打不满并且容易造成周边2圈筋的变形。
 楼主| 发表于 2011-1-5 10:08:04 | 显示全部楼层 来自: 中国河北廊坊
5# freeshaw1
& f! u$ y) u0 G# s, x# T, ?
* ?" G6 W1 f" m  V, q( }8 O毛刺的直径Φ25.5精度要求比较严,其它自由公差就可以,如果换为其它非金属材料会不会好一点呢,如聚乙烯?
发表于 2011-1-10 19:32:32 | 显示全部楼层 来自: 中国四川成都
这是做什么用的产品?弄清楚用途,是否有必要做这么高的精度?
 楼主| 发表于 2011-1-11 08:18:41 | 显示全部楼层 来自: 中国河北廊坊
7# 云动风清 9 C: E: \  J$ I( J- I

% R+ x" a" g. X是用于磁片的安装,此零件中间的凹槽用于安装磁片,安好磁片后整体安装到一个直孔上,与直孔间靠零件周边的两个毛刺过盈量进行固定,这里要安装可靠拆卸方便,因此毛刺直径要求公差较严。
发表于 2011-1-12 08:32:00 | 显示全部楼层 来自: 中国上海
我建议你把环形面的壁厚加到1毫米,和下面壁厚一样,有利于成型和收缩。此外,毛刺的壁厚才0.3,而高度有1.0,过盈配合的话,估计会破坏掉,建议加壁厚减高度。

评分

参与人数 1三维币 +5 收起 理由
云动风清 + 5 技术讨论

查看全部评分

发表于 2011-1-17 09:08:20 | 显示全部楼层 来自: 中国上海
呵呵,尼龙。我笑了。
2 U0 W! I0 q4 ]% G7 s: n& @听我的,用PPS吧。你如果要求精密度,同心轴什么的。  
: S  L# N8 U2 L% A- a+ d尼龙没偶们指点,做这个一般人玩不转的。+ Z: Y7 `# }, D: i- @$ ?* B
而且如果螺纹壁厚能增强的话,用PP就可以了。为虾米要用尼龙呢?
 楼主| 发表于 2011-1-17 10:28:32 | 显示全部楼层 来自: 中国河北廊坊
10# dg123455 ; U. B! o9 I+ S( |

' N7 F. d8 j/ Y9 A7 I' A5 n没必要必须用尼龙,可以换别的材料,以前是尼龙做的我也没改,所用材料不能太软否则中间2mm沉槽中的零件容易损坏,毛刺的形式可以改变但中间的2mm沉槽尺寸及整体厚度不能改变,因为安装空间有限制。
发表于 2011-1-19 10:35:22 | 显示全部楼层 来自: 中国上海
我知道产品要很硬啊。所以才推荐PPS。这个壁厚,PPS是最硬滴。
$ D+ y4 e; b0 w不然你这个产品的结构和矿泉水瓶盖有什么大的区别?  矿泉水瓶盖有多软,你懂的。
发表于 2011-1-25 15:37:31 | 显示全部楼层 来自: 中国上海
这个的确用尼龙很难做的。
发表于 2011-7-16 04:45:49 | 显示全部楼层 来自: 美国
光看精度就不是塑料能做的,不管什么材料,模具都保证不了你的精度。
发表回复
您需要登录后才可以回帖 登录 | 注册

本版积分规则


Licensed Copyright © 2016-2020 http://www.3dportal.cn/ All Rights Reserved 京 ICP备13008828号

小黑屋|手机版|Archiver|三维网 ( 京ICP备2023026364号-1 )

快速回复 返回顶部 返回列表