QQ登录

只需一步,快速开始

登录 | 注册 | 找回密码

三维网

 找回密码
 注册

QQ登录

只需一步,快速开始

展开

通知     

查看: 2884|回复: 10
收起左侧

[已答复] 请教大家能否开模

[复制链接]
发表于 2011-1-4 14:07:05 | 显示全部楼层 |阅读模式 来自: 中国河北廊坊

马上注册,结识高手,享用更多资源,轻松玩转三维网社区。

您需要 登录 才可以下载或查看,没有帐号?注册

x
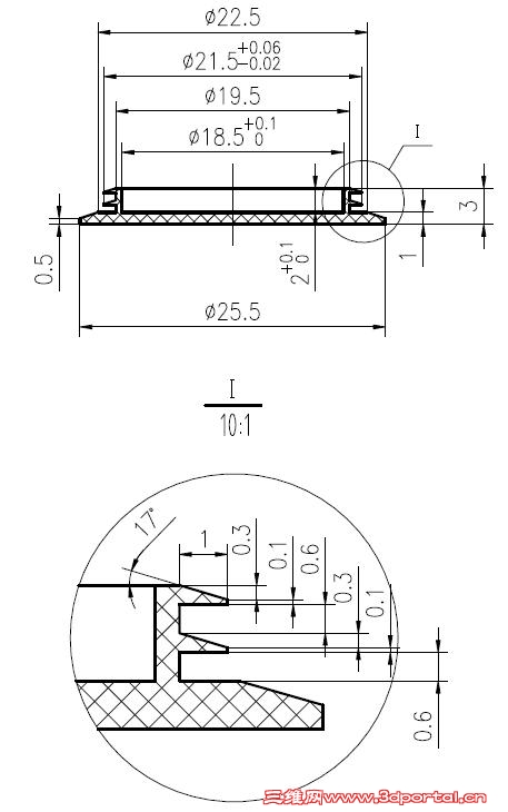
我打算开模注塑加工,材料为尼龙,我对注塑了解很少不知能否加工,谢谢大家。 & n# A; y6 R  B5 q$ |. A
固定帽.JPG
头像被屏蔽
发表于 2011-1-10 21:33:19 | 显示全部楼层 来自: 中国浙江台州
提示: 作者被禁止或删除 内容自动屏蔽
 楼主| 发表于 2011-1-11 08:21:16 | 显示全部楼层 来自: 中国河北廊坊
2# zhucelea
+ N4 }' I0 i: u: }" i! c8 e- d- G" I7 ]
外部不是螺纹而是两层小毛刺,毛刺直径要求较严,我也问过几个厂家,都说这里比较难注满。
发表于 2011-1-13 18:20:39 | 显示全部楼层 来自: 中国浙江台州
完全可以生产的
发表于 2011-1-14 17:54:33 | 显示全部楼层 来自: 中国广东广州
做镶拼。排气好。
头像被屏蔽
发表于 2011-1-15 15:42:13 | 显示全部楼层 来自: 中国浙江宁波
提示: 作者被禁止或删除 内容自动屏蔽
 楼主| 发表于 2011-1-19 08:13:55 | 显示全部楼层 来自: 中国河北廊坊
外圆的毛刺是不不太好做,容易灌不满,需不需要特殊的工艺进行保证,另外其直径工差怎么才能保证呢?谢谢
发表于 2011-1-19 10:38:21 | 显示全部楼层 来自: 中国广东广州
外圆的毛刺是不不太好做,容易灌不满,需不需要特殊的工艺进行保证,另外其直径工差怎么才能保证呢?谢谢
& P: k, q9 q$ k: t( iw-gluby 发表于 2011-1-19 08:13 http://www.3dportal.cn/discuz/images/common/back.gif
- m; Q4 |! \  Q0 N  M# H3 t8 n  q
用叠拼滑块,排气好。胶位放电加工。
发表于 2011-7-26 09:27:50 | 显示全部楼层 来自: 中国浙江宁波
滑块可以成型边缘太薄了容易打不足等缺陷做好用热流道
发表于 2011-9-7 16:41:46 | 显示全部楼层 来自: 中国福建泉州
塑料模怎么跑到五金来
发表于 2011-9-12 15:02:31 | 显示全部楼层 来自: 中国广东
比较难注满
发表回复
您需要登录后才可以回帖 登录 | 注册

本版积分规则


Licensed Copyright © 2016-2020 http://www.3dportal.cn/ All Rights Reserved 京 ICP备13008828号

小黑屋|手机版|Archiver|三维网 ( 京ICP备2023026364号-1 )

快速回复 返回顶部 返回列表