QQ登录

只需一步,快速开始

登录 | 注册 | 找回密码

三维网

 找回密码
 注册

QQ登录

只需一步,快速开始

展开

通知     

全站
7天前
查看: 6090|回复: 3
收起左侧

[分享] 卧式车床改镗床的简介

[复制链接]
发表于 2011-1-4 21:54:10 | 显示全部楼层 |阅读模式 来自: 中国江苏常州

马上注册,结识高手,享用更多资源,轻松玩转三维网社区。

您需要 登录 才可以下载或查看,没有帐号?注册

x
本帖最后由 zpc64 于 2011-1-4 22:02 编辑
4 g# a' b; o% _( J% [( J3 y  y) }
3 C0 N* e" I8 s+ V1 k在机械加工中,镗床是加工箱体、壳体、套管类零件的主要设备。根据实际情况,我们先后利用废旧车床成功地改装成镗床,加工精度基本达到图纸要求,节约了上百万元资金。
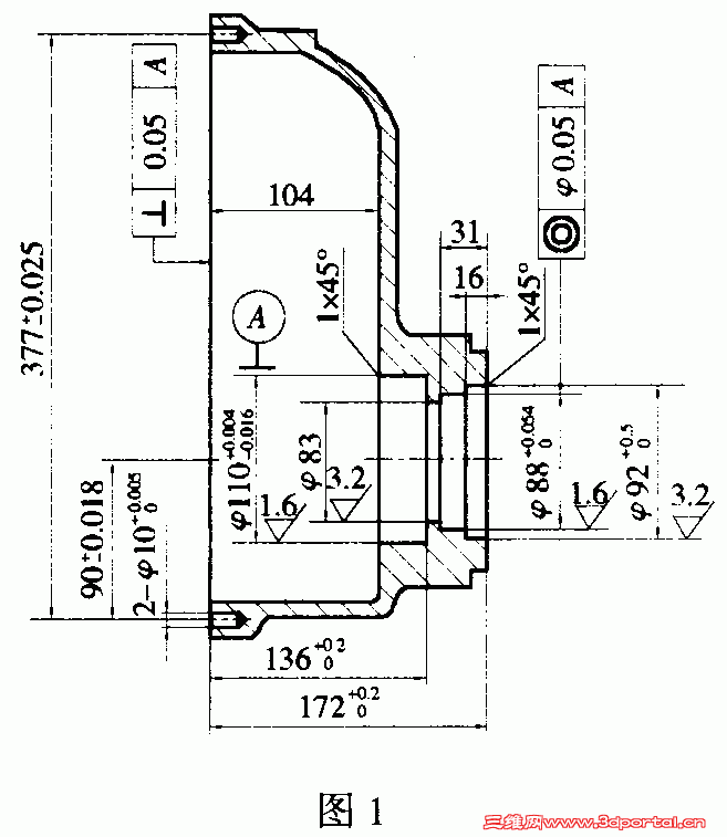
5 @: m* a8 n; D( n, O0 b" W8 w     现以我厂加工汽车变速箱后盖(图1)为例,介绍把卧式车床改装成镗床的一种方法。如图2所示,在车床主轴内孔插入一带锥度的刀杆即为左键头;拆去尾座,在导轨尾端固定一个XD25铣削动力头(最好为镗削动力头)作为右锉头;拆去床鞍上的横向进刀机构,以床鞍上的上平面为基准固定一个弯板,即为工件夹具。
/ ]8 _) j" X3 c3 v3 f
+ P% F  _' P. [# B. G" C0 E
2343001.gif
, G  m: V) p0 f. I( }2 ~
/ Y* ~& `( ]% Z2 j7 \$ m# Z: Q
加工时,工件一面两销孔定位一次装夹,左右镗头只作旋转运动,工件随床鞍做左右纵向运动,实现走刀进给即可粗锉或精锉出工件的两端台阶孔。
2343002.gif
无条件时右镗头可用车床自身的尾座改制或自制镗头。车改镗要点说明:
) Z, `/ Q, C' x2 E# w   1.用废旧车床改装时,根据工件形位公差要求,床身导轨与中溜板摩擦副必须经修磨、刮研调整,基本达到车床几何精度,以满足工件形位公差要求。0 ?; d# V6 P5 ?* g. x& I  C6 W3 \
   2.调整右镗头主轴与车床主轴同轴度,两主轴同轴度不超过工件同轴度的1/3。5 d4 o2 e, Z8 S& x! y0 [3 i( v
车改镗主要优点:6 f: s$ J4 T2 N! x- Z! }7 x/ |0 J
   1.改装时间短,投产见效快。
/ S4 C- e( O1 ?' S) O6 V8 y   2.改装费用低。
* t; o0 t% v$ u# T* l: p   3.适合当前市场发展形势—产品转型快。当产品转型时,只要在原来的基础上不用做大的改动,便可满足新产品的加工要求。       {7 |5 M2 m' n3 @  E

评分

参与人数 1三维币 +8 收起 理由
洪哥 + 8 感谢分享!

查看全部评分

发表于 2011-11-13 21:56:20 | 显示全部楼层 来自: 中国河北沧州
学习了 顶上去
发表于 2017-9-22 15:47:57 | 显示全部楼层 来自: 中国江苏南通
好东东,值得分享。
发表于 2018-3-28 22:38:16 | 显示全部楼层 来自: 中国广西百色
谢谢楼主。
发表回复
您需要登录后才可以回帖 登录 | 注册

本版积分规则


Licensed Copyright © 2016-2020 http://www.3dportal.cn/ All Rights Reserved 京 ICP备13008828号

小黑屋|手机版|Archiver|三维网 ( 京ICP备2023026364号-1 )

快速回复 返回顶部 返回列表