QQ登录

只需一步,快速开始

登录 | 注册 | 找回密码

三维网

 找回密码
 注册

QQ登录

只需一步,快速开始

展开

通知     

全站
7天前
查看: 2407|回复: 14
收起左侧

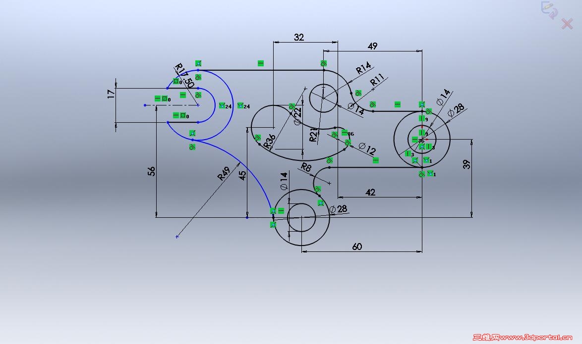
[已解决] 大家帮看看图,这个能画出来吗,少尺寸吗

[复制链接]
发表于 2011-1-6 15:57:02 | 显示全部楼层 |阅读模式 来自: 中国辽宁沈阳

马上注册,结识高手,享用更多资源,轻松玩转三维网社区。

您需要 登录 才可以下载或查看,没有帐号?注册

x
我看好像少了几个尺寸,感觉画不出来啊,但这是论坛里的,好像不能少尺寸啊,请高手指导
未命名.JPG
发表于 2011-1-7 10:19:09 | 显示全部楼层 来自: 中国山东潍坊
本帖最后由 ffda 于 2011-1-7 10:20 编辑
- T, r* i: f$ h. g) }% M. n7 e
0 ^7 C4 r# N5 i1 |6 L# [/ S少一个横向定位尺寸(或约束)和一个纵向定位尺寸(或约束)。
发表于 2011-1-7 11:03:01 | 显示全部楼层 来自: 中国广东惠州
本帖最后由 liuyong453 于 2011-1-7 11:08 编辑
& [* T, X4 a/ K; [: S* f: @
( L5 I; V( m* ]( f3 L2 K0 B" U- p我画了一下,缺一尺寸,如果认为是相切就交叉了
未命名.JPG
相切.JPG
未命名.JPG

评分

参与人数 1三维币 +2 收起 理由
chenjun520601 + 2 技术讨论

查看全部评分

发表于 2011-1-7 11:10:04 | 显示全部楼层 来自: 中国陕西西安
看图视的形状,如果能确认R49与Φ35的切点在圆心的正下方,图纸就不少尺寸了。
发表于 2011-1-7 11:15:04 | 显示全部楼层 来自: 中国湖北武汉
楼主这是工程图吗?此图差尺寸、差视图,是不能准确做出来的!
发表于 2011-1-7 11:17:41 | 显示全部楼层 来自: 中国浙江湖州
本帖最后由 umpire 于 2011-1-7 11:24 编辑
0 y2 k  X. ?: P. B$ M" [3 F$ z
6 D, s7 }$ q* }: n- J+ Z" G+ h" Y除了楼上所注的,另外R6 的圆心纵向位置未定。
发表于 2011-1-7 13:16:03 | 显示全部楼层 来自: 中国福建厦门
是差了尺寸和约束
 楼主| 发表于 2011-1-7 16:59:03 | 显示全部楼层 来自: 中国辽宁沈阳
哦   谢谢大家了    大家好热情啊    这图我看了半天     总以为是自己美看懂呢   呵呵  谢谢大家了
发表于 2011-1-8 09:09:14 | 显示全部楼层 来自: 中国重庆
初看应该不差尺寸。
发表于 2011-1-8 18:09:10 | 显示全部楼层 来自: 中国浙江宁波
学校的练习图吧
发表于 2011-1-9 23:08:56 | 显示全部楼层 来自: 中国重庆
本帖最后由 cncqflq 于 2011-1-9 23:11 编辑
+ R' F! R+ x9 K8 |% P. d) O* T+ k' y" M$ q# W
差尺寸。看下图,如果17缺口的横向尺寸为46.5就行了。
1101061557dea74f9f40d43105.jpg
46.5.jpg
发表于 2011-1-10 15:53:19 | 显示全部楼层 来自: 中国山东烟台
学校的毕业设计吧,挺聪明的啊
发表于 2011-1-10 16:13:51 | 显示全部楼层 来自: 中国浙江杭州
少两尺寸啊。水平重合也要中心线的吧?
发表于 2011-1-12 13:05:09 | 显示全部楼层 来自: 中国广东广州
基本上尺寸齐全!主要是保证几个孔的位置,其余位置无关重要!
发表于 2011-1-12 15:32:19 | 显示全部楼层 来自: 中国北京
自己实际画一次不就知道了缺那个尺寸了吗?
发表回复
您需要登录后才可以回帖 登录 | 注册

本版积分规则


Licensed Copyright © 2016-2020 http://www.3dportal.cn/ All Rights Reserved 京 ICP备13008828号

小黑屋|手机版|Archiver|三维网 ( 京ICP备2023026364号-1 )

快速回复 返回顶部 返回列表