QQ登录

只需一步,快速开始

登录 | 注册 | 找回密码

三维网

 找回密码
 注册

QQ登录

只需一步,快速开始

展开

通知     

全站
7天前
查看: 5070|回复: 27
收起左侧

[讨论] 一个高速差动液压回路

[复制链接]
发表于 2007-8-13 19:45:41 | 显示全部楼层 |阅读模式 来自: 中国

马上注册,结识高手,享用更多资源,轻松玩转三维网社区。

您需要 登录 才可以下载或查看,没有帐号?注册

x
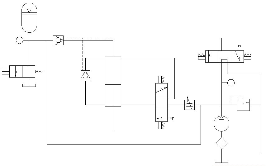
一个高速差动液压回路
( z8 w" o2 R: j大家看看,有什么问题?需要怎样改进?
11d.jpg

评分

参与人数 1三维币 +3 收起 理由
江边 + 3 楼主积极响应主题并参与讨论。鼓励。

查看全部评分

发表于 2007-8-13 23:22:38 | 显示全部楼层 来自: 中国安徽铜陵
还真没见过这样的差动回路!能说说您的设计思想吗?特别是液控单向阀与三位换向阀的组合对回油流量有什么样的影响。
发表于 2007-8-14 07:31:49 | 显示全部楼层 来自: 中国江苏徐州
   猜想一下楼主的原理:当需要油缸下降时,右边的三位阀左位工作,液压油通过该阀进入液压缸无杆腔,同时打开两个液控单向阀,左边的三位阀在中位,组成差动回路,同时蓄能器可能向无杆腔补油,形成快速差动;
2 e! t& g! v# M   当需要油缸上行时,右边的三位阀右位工作,两液控单向阀关闭,左三们阀下位工作,液压油经过节流阀和三位阀进入油缸有杆腔,同时为蓄能器补油,无杆腔回油通过右三位阀的右位回油箱, _# x& i$ y, C
   最左边的二位阀应该是只为蓄能器卸荷用。
, w. k2 [# n0 ?7 j9 F1 ~9 M4 V   但是有一点没看明白,形成差动可以利用左三位阀的上位进行,为什么还在此处并联一个液控单向阀?

评分

参与人数 1三维币 +5 收起 理由
江边 + 5 鼓励积极参与技术交流、讨论。

查看全部评分

发表于 2007-8-14 08:06:22 | 显示全部楼层 来自: 中国江苏无锡
我想可能是快速差动用的。当差动的速度不够时选用左上位快速
2 e  y* _# M# A6 \/ A2 ~" ]) Y. s7 B  j
[ 本帖最后由 wuwanfu 于 2007-8-14 08:16 编辑 ]
 楼主| 发表于 2007-8-14 10:56:44 | 显示全部楼层 来自: 中国
原帖由 goldfluid 于 2007-8-14 07:31 发表 http://www.3dportal.cn/discuz/images/common/back.gif  @: Y- J6 _. K7 F. O9 j8 v
   猜想一下楼主的原理:当需要油缸下降时,右边的三位阀左位工作,液压油通过该阀进入液压缸无杆腔,同时打开两个液控单向阀,左边的三位阀在中位,组成差动回路,同时蓄能器可能向无杆腔补油,形成快速差动 ...
4 l1 l' a. @' x
一并回复版主和四搂:' w  F' u6 ?. ~- L- H2 ?7 f/ H+ c# _
版主,这位学徒说的原理基本正确,应该给他转正了。 7 Y2 z& g  W, F4 ?1 y" N, l, z' ]
这是个快速差动系统。
1 {+ V( Q. v5 g1 ~7 r油缸左边的液控单向阀和右边的三位阀在上位,是为确保无杆腔的回油量。) ]4 K1 X) Z' o3 F6 C6 i- e
油缸右边的三位阀,本可以用液控单向阀的,是为了保证快速转换而用的。
发表于 2007-8-14 11:00:42 | 显示全部楼层 来自: 中国江苏无锡
蓄能器到泵那条油路上需加个单向阀

评分

参与人数 1三维币 +3 收起 理由
江边 + 3 鼓励参与技术交流

查看全部评分

 楼主| 发表于 2007-8-14 11:03:41 | 显示全部楼层 来自: 中国
原帖由 goldfluid 于 2007-8-14 07:31 发表 http://www.3dportal.cn/discuz/images/common/back.gif7 T* o- r; p3 \/ V
   猜想一下楼主的原理:当需要油缸下降时,右边的三位阀左位工作,液压油通过该阀进入液压缸无杆腔,同时打开两个液控单向阀,左边的三位阀在中位,组成差动回路,同时蓄能器可能向无杆腔补油,形成快速差动 ...

; Y% O( ?1 x2 S& W1 E/ h更正一点:当需要油缸下降时,……左边的三位阀应在上位……
发表于 2007-8-14 11:08:49 | 显示全部楼层 来自: 中国江苏无锡
另外觉得楼主右面的液单可以不要.0 U: r. {4 u! `  |. v8 W
右边电磁阀左电磁铁得电,左边电磁阀无论上位还是下位都能形成差动
 楼主| 发表于 2007-8-14 12:28:00 | 显示全部楼层 来自: 中国
原帖由 xuping5114 于 2007-8-14 11:00 发表 http://www.3dportal.cn/discuz/images/common/back.gif
6 c& P+ B% _! k蓄能器到泵那条油路上需加个单向阀
6 A$ Z+ b# h# Z# A9 n+ F) l
谢谢了!很好的提醒。
 楼主| 发表于 2007-8-14 12:29:55 | 显示全部楼层 来自: 中国
原帖由 xuping5114 于 2007-8-14 11:08 发表 http://www.3dportal.cn/discuz/images/common/back.gif( i3 i+ S: g( {/ S3 s
另外觉得楼主右面的液单可以不要.
( h5 X2 ?9 C1 \" |右边电磁阀左电磁铁得电,左边电磁阀无论上位还是下位都能形成差动

7 H2 e4 w) q8 c' d0 w$ B! x, Z是为确保无杆腔的回油量。
发表于 2007-8-14 13:01:06 | 显示全部楼层 来自: 中国江苏无锡
原帖由 qwerty01 于 2007-8-14 12:29 发表 http://www.3dportal.cn/discuz/images/common/back.gif
& U5 S: m7 L. P, s- K  k
5 ^  \% ~. T# _6 u0 u是为确保无杆腔的回油量。
. {9 X' J* Q# S
确保回油量可以通径选大点,并不赞成靠2路并联来增大油的流量的.+ y( Q9 w9 E# `) u. O
这里不是很理解
 楼主| 发表于 2007-8-14 13:33:43 | 显示全部楼层 来自: 中国
原帖由 xuping5114 于 2007-8-14 13:01 发表 http://www.3dportal.cn/discuz/images/common/back.gif8 z0 d2 _+ _3 v" _/ i* p: v' u

+ M8 \- O* T1 Z) n. n1 P% A' S确保回油量可以通径选大点,并不赞成靠2路并联来增大油的流量的.
: K6 j4 H% b3 F4 x$ `8 K. \) O. J这里不是很理解
/ ]0 r& \% V9 a& J7 i4 K" [
缸径50或63,通径能多大?
发表于 2007-8-14 13:48:38 | 显示全部楼层 来自: 中国江苏无锡
阀的通径选择看流量的,50或63的,一般10通径足够了.
- I) j3 b+ ~( g7 N! ]. h% t10通径阀的流通能力可以达到100L/min: W$ z9 e  p- P2 }: c, f2 S. y: m
如果是63的缸,活塞杆取小值36.
; H# U; q8 l' A- {" T7 a& y* w0 I9 [如果要使有杆腔的有到无杆腔的油流量达到100L/MIN, A; A" z( V3 X$ T5 k' R4 @
则油缸的速度需达到0.83M/S.即使再快速也不可能比这个速度更快吧
0 ~. K1 Q& Z3 K9 }# ]0 ^. `$ a% o一般我见过的油缸,所能接受的最快速度也就0.5M/S

评分

参与人数 1三维币 +5 收起 理由
晨砂 + 5 积极参与技术讨论!

查看全部评分

 楼主| 发表于 2007-8-14 13:57:59 | 显示全部楼层 来自: 中国
问题是要求约=4.5M/S左右。要用到高速油缸。
发表于 2007-8-14 15:40:39 | 显示全部楼层 来自: 中国江苏无锡
4.5米/秒?那也太恐怖了吧5 U9 A0 }3 o% j9 X2 k% e* E
液压管路用多大的啊,63的缸,连的管子就要60X?的
 楼主| 发表于 2007-8-14 17:03:09 | 显示全部楼层 来自: 中国
原帖由 xuping5114 于 2007-8-14 15:40 发表 http://www.3dportal.cn/discuz/images/common/back.gif: f2 n; J; o6 w6 u
4.5米/秒?那也太恐怖了吧
* d. h0 O; Z* V* B6 \0 ~, H7 g液压管路用多大的啊,63的缸,连的管子就要60X?的

  r$ C3 U0 J  d2 @6 b$ c) y4 Y% A) \没那么也恐怖吧?

评分

参与人数 1三维币 +3 收起 理由
晨砂 + 3 楼主辛苦了,再加些!

查看全部评分

发表于 2007-8-14 22:09:47 | 显示全部楼层 来自: 中国安徽铜陵
原帖由 qwerty01 于 2007-8-14 10:56 发表 http://www.3dportal.cn/discuz/images/common/back.gif
3 I+ [# b% s8 x9 L8 w% g. O
1 p  I# L6 l9 ^0 r油缸左边的液控单向阀和右边的三位阀在上位,是为确保无杆腔的回油量。
5 p6 i# N1 Z+ b1 ?: x  C/ V油缸右边的三位阀,本可以用液控 ...
; I$ M% V3 ]! U+ |, F6 r6 G. w# E
有道理!感谢您的回复。原先也是如此猜测的,但觉得没必要。只是没想到您的回路速度这么快! 再问下:实际使用效果如何,可达到要求吗?
 楼主| 发表于 2007-8-15 10:07:39 | 显示全部楼层 来自: 中国
原帖由 晨砂 于 2007-8-14 22:09 发表 http://www.3dportal.cn/discuz/images/common/back.gif# o- r" p# @& R8 m5 R3 b
  L7 b' R; n! I( W; u& b
有道理!感谢您的回复。原先也是如此猜测的,但觉得没必要。只是没想到您的回路速度这么快! 再问下:实际使用效果如何,可达到要求吗?
  ]5 A& @0 C; u5 R8 _
谢谢版主光顾!
8 u; W3 s2 q  @2 t1 @从理论计算看是完全可以达到要求的,现在需要考量的是各相关元件是否能胜任的问题了.
0 k$ m& h0 h8 B. }" a所以盼望更多的朋友们能一起参与讨论.
发表于 2007-8-15 10:32:12 | 显示全部楼层 来自: 中国江苏无锡
不知道楼主的油缸行程多少.那速度走完一个行程1秒都不到.  D7 ^% `1 ~0 O$ x5 z, n6 v
而且得从速度0加速到4.5M/S加速度得几十甚至几百.
6 N* z8 H6 k8 {& P/ U而且电磁阀的响应可能也危险.一般电磁阀1秒也就能换向2次左右
, j- W5 V# q- t" t7 a我觉得听恐怖的.! i, k7 R; x3 \; [
楼主:那系统还在设计阶段吧
 楼主| 发表于 2007-8-15 14:14:42 | 显示全部楼层 来自: 中国
原帖由 xuping5114 于 2007-8-15 10:32 发表 http://www.3dportal.cn/discuz/images/common/back.gif( t( x% }$ ^$ h" x$ y
不知道楼主的油缸行程多少.那速度走完一个行程1秒都不到.
- d) Z2 E0 i3 w+ h而且得从速度0加速到4.5M/S加速度得几十甚至几百.# u+ b) `1 S- d% j6 y: a
而且电磁阀的响应可能也危险.一般电磁阀1秒也就能换向2次左右
  x% x- a8 C- |  l1 D我觉得听恐怖的.
! _1 v  K  Z2 a1 H楼主:那系统还在设 ...

" k4 c: H, ?6 n- M% J# |/ v, P杆出的快,回得慢(0.2M/S).
* R+ I) `& v) h6 F, F8 I还在设计阶段.
发表于 2007-8-15 15:41:00 | 显示全部楼层 来自: 中国江苏徐州
这么快的速度,还要注意液压冲击了,不知道负载有多大,那个冲击能量不能低估的。
发表于 2007-8-16 19:45:14 | 显示全部楼层 来自: 中国天津
楼主的项目挺有挑战性4.5M!,一般情况的差动回路用缸左边或右边回路就可以了,楼主左右合用以确保小腔的回油量good ,但有一点有些不明白向楼主请教,左右回路间有没有可能产生流动影响速度,还请楼主从理论上给分析分析, ,另外油缸进口楼主选多大的负载有多大,关注楼主的话题,期待楼主成功。
 楼主| 发表于 2007-8-17 11:36:52 | 显示全部楼层 来自: 中国
原帖由 goldfluid 于 2007-8-15 15:41 发表 http://www.3dportal.cn/discuz/images/common/back.gif( i2 |( [0 Q4 y! Y. K. D
这么快的速度,还要注意液压冲击了,不知道负载有多大,那个冲击能量不能低估的。
' p' s( ?. ~. p+ q* R% [3 |; j- c5 l6 |
谢谢关注和提醒!
/ B) p8 K- k, r/ ~负载不大200KG左右。
 楼主| 发表于 2007-8-17 11:48:03 | 显示全部楼层 来自: 中国
原帖由 cn9696 于 2007-8-16 19:45 发表 http://www.3dportal.cn/discuz/images/common/back.gif9 r" G4 g3 x5 x  A, w& E
楼主的项目挺有挑战性4.5M!,一般情况的差动回路用缸左边或右边回路就可以了,楼主左右合用以确保小腔的回油量good ,但有一点有些不明白向楼主请教,左右回路间有没有可能产生流动影响速度,还请楼主从理论上 ...

+ j6 m; ~3 |5 O" d0 F谢谢关注!这的确有挑战性。
0 Q7 r: B! R. [; ~9 S从回路可以看出,左右回路间不可能产生流动,也不会因此而影响速度的。
) @6 ?2 k$ C, k0 |  l; r9 @而且整个回路受安装空间的限制,驱动系统和缸的距离在1米内,这也同时限制并保证了左右回路间产生流动的可能了。
发表于 2007-8-18 20:59:29 | 显示全部楼层 来自: 中国辽宁大连
提醒大家注意一下题目是存在的问题。: Q! S* w# \% U$ L
我认为上面的两个液控单向阀的控制油压力要引出,同时考虑在动作停止后将油压卸掉,否则液控阀始终打开,油缸将保持浮动状态。
发表回复
您需要登录后才可以回帖 登录 | 注册

本版积分规则

Licensed Copyright © 2016-2020 http://www.3dportal.cn/ All Rights Reserved 京 ICP备13008828号

小黑屋|手机版|Archiver|三维网 ( 京ICP备2023026364号-1 )

快速回复 返回顶部 返回列表