QQ登录

只需一步,快速开始

登录 | 注册 | 找回密码

三维网

 找回密码
 注册

QQ登录

只需一步,快速开始

展开

通知     

全站
11天前
楼主: binzhang
收起左侧

[讨论] 柱塞泵技术交流专贴(参与有奖)

[复制链接]
发表于 2007-11-28 13:26:11 | 显示全部楼层 来自: 中国上海
怎么没人接了?楼主忙啊,有空帮我解释下.谢谢!
头像被屏蔽
 楼主| 发表于 2007-11-28 16:10:42 | 显示全部楼层 来自: 中国浙江杭州
提示: 作者被禁止或删除 内容自动屏蔽
头像被屏蔽
 楼主| 发表于 2007-11-28 16:23:11 | 显示全部楼层 来自: 中国浙江杭州
提示: 作者被禁止或删除 内容自动屏蔽
发表于 2007-11-30 10:58:13 | 显示全部楼层 来自: 中国上海
谢谢楼主的回复!!你的疑问我也解释下. I: k( D, d! j4 u/ W$ O7 f* v
1、那我公司现用的恒功率变量泵选用时按照泵的最大流量和最大工作压力来算的,这样算出来的电机不是有点浪费,偏大了。楼主可否举个你设计过的列子算给我看看?
5 H* p4 _: u$ y8 |0 O; W9 k+ H' D9 ^/ d2、那个是双方向的齿轮泵,我们的系统也是很一般的没有变量系统的,只不过都用的插件(德国的),试车时负载是定的不动的,我们是做抓斗的,试车时几个油缸都做闭合动作,油缸带动的机构碰到一起就起压力,到额定压力时停止,这时测保压的。% w0 v6 I2 Q4 l8 g
3、活塞环是柱塞上的
头像被屏蔽
 楼主| 发表于 2007-11-30 19:41:11 | 显示全部楼层 来自: 中国浙江杭州
提示: 作者被禁止或删除 内容自动屏蔽
发表于 2007-12-5 14:47:13 | 显示全部楼层 来自: 中国广东广州

请教

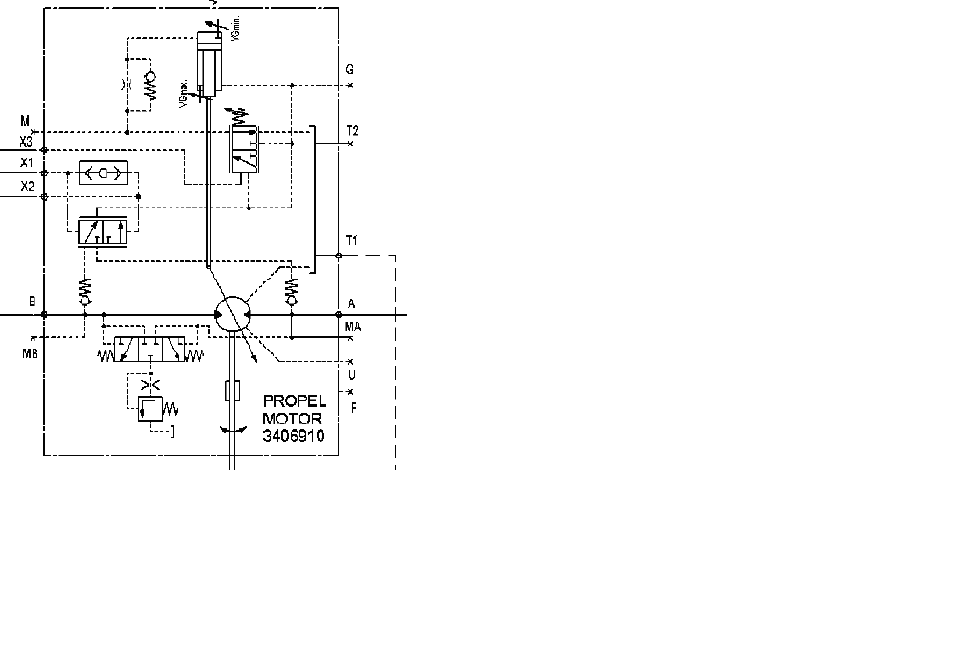
帮忙讲解一下下图各阀件的作用  这是力乐士A6VM马达原理图。
2 |7 g8 K. o5 P4 N0 z! o5 `. U3 k' G* l7 ]( ^& C7 m9 z( L7 S
[ 本帖最后由 yukixue 于 2007-12-5 16:22 编辑 ]
A6v 马达.bmp
发表于 2007-12-5 20:30:40 | 显示全部楼层 来自: 中国河南郑州
我在论坛里求助过一个柱塞泵的问题:我单位一台高低压油站,所用润滑油是220工业齿轮油,最近天气变冷后,经常出现柱塞泵损坏。
  r$ ]( E2 J' J- e: p# `请问:生产厂家配备的柱塞泵供220工业齿轮油合适吗?
发表于 2007-12-7 11:44:44 | 显示全部楼层 来自: 中国河南新乡
斑竹,你好,关于斜轴马达的拆卸,传动轴一侧的如何拆下,好像有两排轴承,可以使用拔轴器硬拉吗?谢谢
发表于 2007-12-7 20:08:24 | 显示全部楼层 来自: 中国安徽铜陵

回复 258# 的帖子

替binzhang回复一下,用拔销(轴)器硬拔不好(虽说有二盘轴承,有的是三盘轴承,还是深沟球轴承)对轴承还是有损害的,建议用专用拉具、或专用拉马。那样轴承所受的冲击载荷就要比用拔销器小的多了!

评分

参与人数 1三维币 +15 收起 理由
binzhang + 15 谢谢帮忙 最近实在太忙

查看全部评分

发表于 2007-12-8 11:57:40 | 显示全部楼层 来自: 中国河南新乡
谢谢,我还想问一下,有没有较为简便的方法去鉴别柱赛和缸体之间的缝隙过大,需要维修。
发表于 2007-12-11 17:19:21 | 显示全部楼层 来自: 中国湖北十堰
修理柱塞泵时应该注意什么问题?
发表于 2007-12-11 19:52:21 | 显示全部楼层 来自: 中国安徽铜陵

回复 260# 的帖子

这个恐怕没有什么简便的方法,应用量具测量,超过极限就应更换了。
发表于 2007-12-11 19:54:19 | 显示全部楼层 来自: 中国安徽铜陵

回复 261# 的帖子

论坛有相关的资料,但您现在还没流量下载,多参与液压版块的活动,很快就可达到下载要求的了
发表于 2007-12-12 14:28:02 | 显示全部楼层 来自: 中国北京

柱塞泵压力/流量电控

小弟正在修理A10VSO100DFE0/31R-PPA12N00不知泵上的比例阀如何控制,他的控制板是什么型号?望大家多多赐教.
头像被屏蔽
 楼主| 发表于 2007-12-13 09:11:05 | 显示全部楼层 来自: 中国浙江杭州
提示: 作者被禁止或删除 内容自动屏蔽
发表于 2007-12-14 16:07:59 | 显示全部楼层 来自: 中国四川成都
请问版主:国内泵有没有代替A4SO250(rexroth)泵的?
头像被屏蔽
 楼主| 发表于 2007-12-17 09:17:34 | 显示全部楼层 来自: 中国浙江杭州
提示: 作者被禁止或删除 内容自动屏蔽
发表于 2008-1-8 20:18:13 | 显示全部楼层 来自: 中国广东韶关
国产的一台25PCY14-1B 斜盘式恒压变量柱塞泵,安装后调试过程中,把斜盘调到了最小斜度,造成了该泵没有了压力(没有了流量),再无法调到正常使用。请问,这是什么原因?这台泵还可以正常使用吗?谢谢!
头像被屏蔽
 楼主| 发表于 2008-1-9 09:32:41 | 显示全部楼层 来自: 中国贵州贵阳
提示: 作者被禁止或删除 内容自动屏蔽
发表于 2008-1-11 14:23:50 | 显示全部楼层 来自: 中国河南信阳

关于斜轴马达的问题

楼主你好,拆开了一个斜轴马达,明白了他和斜盘式马达在压紧配流盘上不同,1。不知斜轴马达用的弹垫式压紧方式,应该是多大力?2。如何判断压力正好合适?3。再一个问题是斜轴式变量泵在最大流量和最小流量的时候,这个弹簧说受力士不一样的,这是不是说明这个力要求不是太严格呢?谢谢: I; N, x: X; ^! L
( V1 p9 v- Y) i; |0 n/ V
[ 本帖最后由 jingdongbo 于 2008-1-11 14:27 编辑 ]
头像被屏蔽
 楼主| 发表于 2008-1-15 10:41:21 | 显示全部楼层 来自: 中国贵州贵阳
提示: 作者被禁止或删除 内容自动屏蔽
发表于 2008-2-28 20:41:18 | 显示全部楼层 来自: 中国浙江宁波

回复 266# 的帖子

宁波恒力液压机械制造有限公司 生产 A4Vso系列柱塞泵, 排量从40到250
发表于 2008-3-16 21:37:30 | 显示全部楼层 来自: 中国河北秦皇岛
我请教一下:我们厂使用的液压泵是parker0920 轴向变量柱塞泵 现在经常出现的两个问题是 第一  液压泵在停止使用后不泄压 导致再次启动时电机空开跳闸 甚至烧坏保险。第二 此泵在使用时采取二级调压方式 甭体本身带有一个调压阀 工作时先调定到50bar 然后通过先导溢流阀调定到120bar ,现在的问题是 先导阀得电后系统压力建立不起来 更换新阀也没有效果,但是调松溢流阀后 ,调整泵上的调压阀至系统工作压力, 工作正常。请问是什么原因 如何修理?急!!!

评分

参与人数 1三维币 +10 收起 理由
binzhang + 10 技术讨论

查看全部评分

头像被屏蔽
 楼主| 发表于 2008-3-17 08:06:53 | 显示全部楼层 来自: 中国贵州贵阳
提示: 作者被禁止或删除 内容自动屏蔽
发表于 2008-3-17 09:51:06 | 显示全部楼层 来自: 中国上海

关于手动柱塞泵的应用

大家好我们意大利汉莎公司专业生产手动泵,力士乐公司的手动泵都是由我公司提供并且贴上力士乐牌子的。现在我们汉莎公司希望进一步开拓中国市场,请问大家有类似力士乐GL型的手动泵在那些领域有广泛应用。详细型号参数见附件。欢迎大家跟帖讨论,并加QQ 41033015 请注明手动泵感谢 楼主给我们一个平台讨论柱塞泵的问题。借楼主宝地抛砖引玉。望楼主帖子再火爆些!

GL型手动泵.pdf

214.46 KB, 下载次数: 5

GLR型手动泵.pdf

128.16 KB, 下载次数: 5

GL型手动泵.pdf

214.46 KB, 下载次数: 5

发表回复
您需要登录后才可以回帖 登录 | 注册

本版积分规则


Licensed Copyright © 2016-2020 http://www.3dportal.cn/ All Rights Reserved 京 ICP备13008828号

小黑屋|手机版|Archiver|三维网 ( 京ICP备2023026364号-1 )

快速回复 返回顶部 返回列表