QQ登录

只需一步,快速开始

登录 | 注册 | 找回密码

三维网

 找回密码
 注册

QQ登录

只需一步,快速开始

展开

通知     

楼主: lxq11047
收起左侧

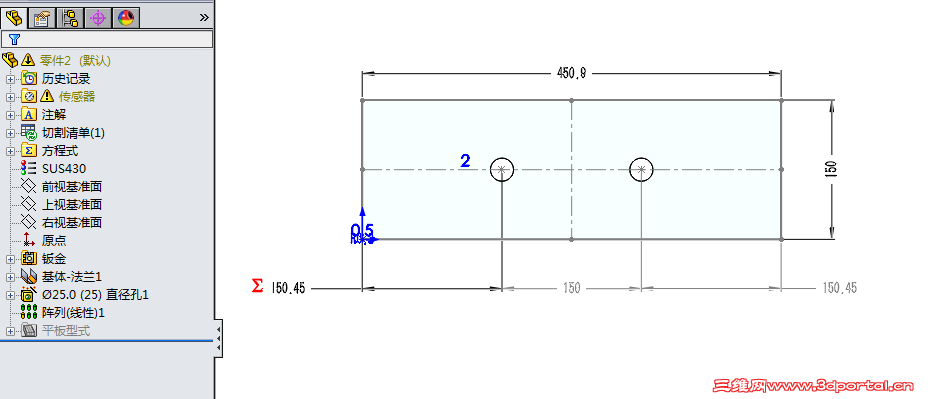
[求助] 开孔问题(大多数人可能会遇到)

[复制链接]
发表于 2014-1-16 17:50:53 | 显示全部楼层 来自: 日本
gt.adan 发表于 2014-1-16 00:42 static/image/common/back.gif! E7 h  B' \3 V( P
謝謝前輩回覆~以下接續討論。
/ C5 o, ~# b7 e( s1 _誠如阿丹樓上所述,此例變量最多只得兩個,無法三者兼備。
0 d/ ^2 w& `5 b5 B% _. G例如 ...
8 Q4 n4 R# L" N8 Y. B  r
阿丹兄所言极是,要是约束边距的尺寸,可以推出总长度,比较简单。
" M  y# w2 r# Q! v/ u; n5 I/ m' X0 b4 l4 L9 ]: j# ?
也都不是很了解楼主的意图,按照自己的意图,尽量达到楼主的要求,不知是否可行?
& h  R) }7 _8 j" D6 T" B阿丹兄看出是使用了iif语句,使用iif语句也许可以做到楼主的要求,通过建模报错来提示,尺寸关系有误,需要调整,不知如何?
+ j$ J0 m0 W0 G) e( i" b2 y, m$ e1 Z$ ~
捕获3.PNG
; r6 N0 o0 ^5 h$ T2 b6 q# c* A7 M0 k' k3 b

9 R1 U+ M4 k1 U! x) L. J; ?1 S/ l' h) _' `4 D3 N$ c/ ]
7 Q9 G) c2 e! ~2 t3 x/ X8 j8 t' S3 Z
: x8 L5 L& h: w& N% G' B

5 f( }% x- W& n
: [0 V) R& ]) c" j  Y; s( ?$ W7 |- I8 c& w# s0 R  Q( \/ m/ `

! w, S1 `: D& n& f$ P& s) G# h. R# t: K  y$ f
发表于 2014-1-16 18:02:43 | 显示全部楼层 来自: 中国台湾
hongwei_1987jp 发表于 2014-1-16 17:50 static/image/common/back.gif. o1 j/ a% o2 ^6 }0 n! _! p
阿丹兄所言极是,要是约束边距的尺寸,可以推出总长度,比较简单。7 W* {7 o, W4 a0 {1 o! o

+ b. R# s! X; v; Y% r& C: G也都不是很了解楼主的意图,按照自 ...

; f- c. R1 i3 ?. I6 Q8 Z謝謝前輩回覆~9 w$ |+ e4 p1 d) k5 K& Z4 B
阿丹以為,總是能找出個權宜之策,重要的是看樓主如何回覆了~~
发表于 2014-1-16 23:25:47 | 显示全部楼层 来自: 日本
gt.adan 发表于 2014-1-16 16:32 static/image/common/back.gif
! |9 g4 }8 E( W再三呼籲,煩請樓主說明一下具體要求以方便接續討論~/ I4 T+ x& _; j2 F; Y1 Z9 ^

2 `8 ]  y: T$ W7 f樓上20~23樓的內容請仔細看一下,謝謝 ...

$ _1 o3 N  g/ c9 i: c0 j+ D楼主睡觉了
( W1 f( E& s* @. z0 s/ e. {" r" a( a1 R
两边等距,加上这样一个报错功能(问题1的要求),应该OK啦,不用使用iif语句来限制边距,就是你动画的做法。% g8 m- q6 R3 d3 ^
捕获.PNG
# g) @; q6 d7 S4 ~) @3 N& A( p9 r3 C0 T( d
捕获2.PNG 4 T3 B% J2 Y! j( |) h# X8 o. g# B7 s

0 z2 G* n" W# g% |8 o 捕获3.PNG
" Y3 Y/ Y5 L: k9 q+ S3 d5 K, x+ N6 [
# `: g! D# V1 u; X
发表于 2014-1-17 02:23:03 | 显示全部楼层 来自: 中国香港
簡單做了一下,數量少于2會出錯,奉上劣作的源文件。(2008版本)
3 w' p4 e. e2 _/ g) y* x1 O9 _. x lxq11047.gif

lxq11047.rar

44.98 KB, 下载次数: 21

 楼主| 发表于 2014-1-17 09:38:48 | 显示全部楼层 来自: 中国上海
gt.adan 发表于 2014-1-16 18:02 static/image/common/back.gif" k( f  h% ?% p; K
謝謝前輩回覆~; ?( A3 G- e5 @$ ~
阿丹以為,總是能找出個權宜之策,重要的是看樓主如何回覆了~~

9 x6 n  H5 A! D感谢,大多数情况下两边孔是控制在50-160之间(有时也有变化)
 楼主| 发表于 2014-1-17 09:40:13 | 显示全部楼层 来自: 中国上海
hongwei_1987jp 发表于 2014-1-16 23:25 static/image/common/back.gif
8 J" o% t( J$ g  q' {楼主睡觉了
- `3 f; M5 S5 V; I/ ^/ R4 V( l
. G) L) e, ~2 |两边等距,加上这样一个报错功能(问题1的要求),应该OK啦,不用使用iif语句来限制边 ...

; G7 B0 X. s* u  t, P" L" [非常感谢你的指导5 N' v$ U7 j7 Y& V
5 u2 Y; @) ]8 U" Y( m; o
大多数情况下两边孔是控制在50-160之间(有时也有变化)
发表于 2014-1-17 10:14:58 | 显示全部楼层 来自: 中国香港
lxq11047 发表于 2014-1-17 09:40 static/image/common/back.gif( c% F% c" Q* I' f6 @: m% X* \: @* ]! C5 E
非常感谢你的指导2 n' J* t, ?  W6 V2 W
: D7 U5 \" i' U8 N: C2 U7 v
大多数情况下两边孔是控制在50-160之间(有时也有变化)

* x: S  `$ u  [" W+ z  F步進150,最大余數就是150,每邊步進差就是75,如果下限是50,上限就是125。
. z9 @5 k$ _1 d- n/ q; C
& m. }: Y0 @% u如果要求50-160之間,會出現多解情況。
 楼主| 发表于 2014-1-17 10:25:45 | 显示全部楼层 来自: 中国上海
Francis 发表于 2014-1-17 10:14 static/image/common/back.gif/ @# I0 J! P& L. u' _
步進150,最大余數就是150,每邊步進差就是75,如果下限是50,上限就是125。
9 f' S1 j' Y; I! [( E# e0 P' U; F+ j! K
如果要求50-160之間,會出 ...

6 z7 A( \, `/ I非常感謝你的指点,你的附件里的做的很好
发表于 2014-1-17 10:35:19 | 显示全部楼层 来自: 日本
lxq11047 发表于 2014-1-17 09:40 static/image/common/back.gif! M6 `, S' h: u- o$ Z
非常感谢你的指导5 B; H4 n! w! ~: [

$ ^+ M  p7 o8 b7 ?7 B& `! }, |大多数情况下两边孔是控制在50-160之间(有时也有变化)

! F6 f' k9 g1 T4 X- ]& U要在50-160之间的话,用我的报错方法可以自由设定范围的,你试试
发表于 2014-1-17 11:33:17 | 显示全部楼层 来自: 中国台湾
雖然樓主還是沒有說明具體要求,但此帖應該可以下課了~因為方式各隨喜變。
! ?' ^- E7 P' z: p' h0 K悶大和 hongwei 兄的方法都很值得學習~1 y  ]: M* B5 O0 P' H8 H! U
发表于 2014-1-17 13:25:33 | 显示全部楼层 来自: 中国香港
gt.adan 发表于 2014-1-17 11:33 static/image/common/back.gif2 M( ^, m: _1 i% C; R3 W
雖然樓主還是沒有說明具體要求,但此帖應該可以下課了~因為方式各隨喜變。/ F) A" v6 G3 y6 g( e, f
悶大和 hongwei 兄的方法都很值 ...

9 e1 K1 E. ?/ D, i& y2 _% {在這個論壇只有丹哥看到悶人的東東,可能這個系統有選擇性透明的特異功能。
发表于 2014-1-17 15:18:02 | 显示全部楼层 来自: 中国台湾
本帖最后由 hero522 于 2014-1-17 15:21 编辑 ! k/ Z/ I' [  P/ j; z- I1 b* [

1 z* e% I) w0 @& @" mA.邊距50-150條件設定有問題。如下圖,第1孔邊距40,第2孔邊距190。
% A& A- r+ H, v0 H        鈑長680時第一孔畫與不畫都不符合要求
; T- G5 m% o* F/ C, P. JB.邊距變更為50-200,用區域填入也可達到樓主要求: d1 _: G, _) J7 Z2 G& K' W2 y
. {  s7 q6 u+ z9 U. v3 R
圖片1.jpg ) ^2 a  {% t2 ?4 u! I4 e( y
圖片2.jpg
6 S- |+ ?! D7 O& x' h+ x
发表于 2014-1-17 21:00:05 | 显示全部楼层 来自: 中国广东深圳
讨论得好深奥呀。幸好有个附件可以下载了研究下。谢谢上附件的那位朋友
发表于 2014-1-17 23:29:12 | 显示全部楼层 来自: 中国广东深圳
好资料啊。谢谢分享,
发表于 2014-1-23 11:39:47 | 显示全部楼层 来自: 中国天津
Francis 发表于 2014-1-17 13:25 static/image/common/back.gif) p; Q8 Z! |1 K( N8 Y
在這個論壇只有丹哥看到悶人的東東,可能這個系統有選擇性透明的特異功能。

% ^  V  S; W5 u, I: a5 E8 n& B闷大,您怎么把小翔给忘了,除了丹哥,小翔也一直关注您的一举一动,
( o" ~4 Y. B1 f9 M& A只是天资有限,有的时候小翔只有看的份,
+ ^6 n' O5 {5 R2 ]+ l# r) p闷大永远是小翔的偶像,人生前进的目标
发表于 2014-1-24 00:42:43 | 显示全部楼层 来自: 中国香港
zh_x0511 发表于 2014-1-23 11:39 static/image/common/back.gif& e, ^! r# k' `# n7 h
闷大,您怎么把小翔给忘了,除了丹哥,小翔也一直关注您的一举一动,+ f* n& d; T' D( z+ l4 X: B
只是天资有限,有的时候小翔只有看 ...
1 x5 F5 a6 y1 k4 Y4 W/ s7 z9 M4 i4 }
感謝小翔的關注,說到當作悶人是偶像那就言重了。. f* F6 Q0 F. w
可以一起討論就足夠了,只是這裡的討論氣氛不好,不是互相指罵就是蔑視他人的回復。
; {5 J+ P5 j6 K+ G% p8 N: p; f' y: c0 K& S+ F, w
就好像近幾天有位仁兄求助編寫一個有意思的“宏”,) ]+ e  J- X6 J* w5 t
悶人思考了半天有了初步構思,于是回帖提出“有一些前設必須厘清”,(見鏈接)# U# `9 ?4 I: `$ e/ @5 w
http://www.3dportal.cn/discuz/fo ... 9&fromuid=140662 y5 |, C' I4 h# J0 V# @
發帖後繼續編寫,差不多完成的時候回來看看,希望看到答復就可以隨即完成那個宏,再上傳供各位測試。
8 X# I( r& R8 Q. ]$ g# H4 _(情況有如小翔那次“坐標填入表格”的求助)http://bbs.icax.org/thread-912629-2-1.html
1 l* t: H) q. F4 v) o% o心想可能會比起小翔的情況更為順利,
" z# O  m  n6 b) g( C3 ?6 W3 p3 ^豈料非但沒看到求助者的回復,更看到一些不友善的回復,感到非常無奈,也不打算再回復該求助者的提問。
0 Z) H. q& T" C4 j  _+ ?
  u% D. X0 n4 U3 D' R4 d0 c, a- h9 ]3 I2 V1 G. \4 `
发表于 2014-1-24 09:10:10 | 显示全部楼层 来自: 中国浙江嘉兴
Francis 发表于 2014-1-24 00:42 static/image/common/back.gif+ n1 _' \3 u2 e
感謝小翔的關注,說到當作悶人是偶像那就言重了。$ c3 u/ q+ [) h9 {8 l
可以一起討論就足夠了,只是這裡的討論氣氛不好,不是 ...
- I7 X; ~0 S- t+ V: o
谢谢闷大的回复,但闷大确实是小翔的偶像。
& _/ @0 B; T. X3 L$ `3 W! f小翔一般都是在开思交流比较多,而在此也是追随闷大,悄悄的看看闷大的回帖而已。% y4 _; p0 r# H' l  W( d; l
其实闷大为各大论坛所做的贡献小翔都看在眼里,记在心里(除了玩家论坛,因为内地登不上)
: f  O+ [  o% H( }3 v由于工作原因,需要用宏来提高效率,但小翔又是宏盲(其实最近有在学习了)" l5 M( s0 P! y
闷大上次3坐标导入工程图的宏大大提高了小翔的工作效率,小翔深表感谢,
4 I8 G1 C& x+ R9 d# ]- Y# @在此也呼吁得到闷大帮助的人最起码说声谢谢,9 a5 ~: s$ k4 ]9 S/ i5 H
内地有句俗话:“人家帮你是福分,人家不帮你是本分”
* S: ^  A) a7 U8 _5 S! j; m最后想请闷大帮忙看下一个宏:http://www.solidworks.org.tw/forum.php?mod=viewthread&tid=23972&page=1#pid192086
6 ]8 ]8 X/ U- a; F% L12楼是小翔根据梁大修改的,但是不知道为什么,系统总是默认将最后一点连接到原点,这样就多了一条直线。. n( a& Q3 S; \$ `
希望闷大有时间能讨论一下。谢谢。0 y" B) u+ o$ H* M- f5 z
发表回复
您需要登录后才可以回帖 登录 | 注册

本版积分规则


Licensed Copyright © 2016-2020 http://www.3dportal.cn/ All Rights Reserved 京 ICP备13008828号

小黑屋|手机版|Archiver|三维网 ( 京ICP备2023026364号-1 )

快速回复 返回顶部 返回列表