QQ登录

只需一步,快速开始

登录 | 注册 | 找回密码

三维网

 找回密码
 注册

QQ登录

只需一步,快速开始

展开

通知     

全站
9小时前
楼主: yl7267
收起左侧

[讨论] 在一个小厂遇到的

[复制链接]
发表于 2007-4-14 23:08:52 | 显示全部楼层 来自: 中国河南安阳
原帖由 yl7267 于 2007-4-12 19:39 发表 http://www.3dportal.cn/discuz/images/common/back.gif
$ T: n* F6 s! G' c/ D但换向阀还是有一定量的内泻。 ...
$ w( D  T8 R$ I. |5 }8 [) K7 w
加一个液控单向阀就可以解决,可以在换向阀下面垫一个叠加型的液控单向阀。如图:
123.JPG
发表于 2007-4-14 23:24:41 | 显示全部楼层 来自: 中国黑龙江佳木斯
修阀吧,先看一下弹簧的状态,如不行换掉,阀体内孔进行研磨,做一研棒(HT250),精研,研后,配磨一阀芯,即可搞定,精度保证后,重新用,应该没问题?
 楼主| 发表于 2007-4-16 05:48:00 | 显示全部楼层 来自: 中国吉林长春
原帖由 qq12142111 于 2007-4-14 23:24 发表 http://www.3dportal.cn/discuz/images/common/back.gif2 q2 }/ N) S, [) O
修阀吧,先看一下弹簧的状态,如不行换掉,阀体内孔进行研磨,做一研棒(HT250),精研,研后,配磨一阀芯,即可搞定,精度保证后,重新用,应该没问题?
& U5 @. ?$ g$ ~6 t0 Y
弹簧是好的,就是换向阀的间隙大了点,P O间有窜油。
 楼主| 发表于 2007-4-16 05:56:21 | 显示全部楼层 来自: 中国吉林长春
原帖由 9619 于 2007-4-14 23:08 发表 http://www.3dportal.cn/discuz/images/common/back.gif9 e6 L% H, p7 n# F+ P$ ]: q# d
4 t# y5 v. z( N8 U  f
加一个液控单向阀就可以解决,可以在换向阀下面垫一个叠加型的液控单向阀。如图:

1 F/ ?) z  B) t. K3 F7 X, C/ N3 o+ F- s$ x' p1 c
谢谢你的回复,却是一个绝决问题的好方法,但具体操作是与一定难度的。还有就是在油泵供油时,换向阀还是有泄漏的。: h1 C* k" @+ W5 u8 H- H; F8 I
* @; K7 ^2 L6 ~: [* p. J9 q

. o2 [& j' G, G8 Q你看像我下面这样解决好么?
$ G+ w% ~/ P1 V8 a3 m# R0 \3 T& Z" j5 e$ b9 H( y
[ 本帖最后由 yl7267 于 2007-4-16 06:17 编辑 ]
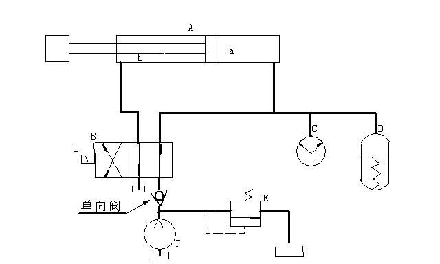
 楼主| 发表于 2007-4-16 06:14:03 | 显示全部楼层 来自: 中国吉林长春

全部解决过程

1.油缸内漏问题:更换活塞密封件,保证油缸无内漏1 C2 r& ~( `. J, O- n/ u; c4 O! N* _
2.油泵在停车瞬时高压泻油问题:在油路的供油系统加一个管式单向阀,既简单又解决问题。
8 v3 ]- D0 x1 v3 Z0 e8 u3.换向阀窜油问题:把三位四通的换成两位四通的。管它中位机能那,终归是起一个换向作用就可以啦。三位四通的换成两位四通修理成本低了好多。
# N) Z- l* q! C0 |: }
/ F9 _8 i- N" F  K* Q& v[ 本帖最后由 yl7267 于 2007-4-16 06:20 编辑 ]
456.JPG
发表于 2007-4-19 20:29:05 | 显示全部楼层 来自: 中国黑龙江佳木斯
上面的原理图是不是这样,一开机,活塞杆就窜出去了,有这样工作的吗?
 楼主| 发表于 2007-4-20 03:39:59 | 显示全部楼层 来自: 中国吉林长春
原帖由 qq12142111 于 2007-4-19 20:29 发表 http://www.3dportal.cn/discuz/images/common/back.gif! i- T: R! A3 N
上面的原理图是不是这样,一开机,活塞杆就窜出去了,有这样工作的吗?

9 ]7 S& Q4 }3 L7 F0 s8 |. r( k. U; T* A; r* c

  A; Q/ d0 t! Z  r. ~丁胶机的工作需要就是保持胶缸的压力,该液压系统就为这个胶缸工作。
发表于 2007-4-20 12:33:20 | 显示全部楼层 来自: 中国黑龙江哈尔滨
是不是阀坏了?4 U) {- Z3 x& N0 l# k3 Y# }
阀的出油口与A缸相连了?
发表于 2007-4-20 12:59:01 | 显示全部楼层 来自: 中国北京
如无外泄,则是油缸或电磁阀内泄, 电磁阀频繁启动,看看是否安装压力开关。如油缸能正常保压,应该就不会出现频繁启动的问题啦,也可以将系统断开分步检查。
发表于 2007-4-20 13:56:40 | 显示全部楼层 来自: 中国湖北武汉

呵呵

我认为阀没有问题,如果阀有问题的话,就应该有泄露油。
/ c2 Z7 x- D: W! k+ \最有可能就是蓄能器坏了
 楼主| 发表于 2007-4-21 06:08:29 | 显示全部楼层 来自: 中国吉林长春
楼上的几位我就不一一回答了,出现的问题在一楼。即缸和换向阀内泻,电器控制有一些问题。解决的过程在30楼。
发表于 2008-9-12 11:32:19 | 显示全部楼层 来自: 中国河南新乡
出现的问题在一楼。即缸和换向阀内泻,电器控制有一些问题
发表于 2008-9-12 12:08:29 | 显示全部楼层 来自: 中国浙江杭州
那个中位机能确实诡异
发表于 2008-9-12 20:19:14 | 显示全部楼层 来自: 中国江苏镇江
我教你一个省钱办法,在a 腔油管加个手动高压阀,保压时关阀。
发表于 2008-9-15 21:46:57 | 显示全部楼层 来自: 中国湖北武汉
1.检查蓄能器的压力是否正常
  h, {6 w, D% e0 B' p  L% D2.检查油缸是否有内泄$ J# r4 Q. q  w, l* F7 j% r1 A" l8 h
3.经常换向阀是否有内泄的问题(主要问题)
发表于 2008-9-15 22:51:39 | 显示全部楼层 来自: 中国山东青岛

回复

不会是小厂出得换向阀吧 泄露很大的  加液控单向阀吧 没几个钱
发表于 2008-9-16 08:46:18 | 显示全部楼层 来自: 中国
原帖由 9619 于 2007-4-14 23:08 发表 http://www.3dportal.cn/discuz/images/common/back.gif
; ^, v6 A( {# A' R+ `1 c" j; b4 O$ G* {1 ]6 \" N6 I9 p
加一个液控单向阀就可以解决,可以在换向阀下面垫一个叠加型的液控单向阀。如图:

4 p/ i# X3 p# w" r, v' |( W1、原来可以正常使用,现在才出问题,说明系统设计可行,只是不够完善;7 @& u% m: g: T" N$ `2 t
2、同意96196液控单向阀的方案;但必须去掉泵出口单向阀(背压可能造成液控单向阀打开或关闭滞后);! c) @' Z6 _: S# [" l; K$ e
3、h型机能可能买不到,直接换j型阀叠加b口单锁吧。
发表于 2008-9-16 08:55:47 | 显示全部楼层 来自: 中国河北唐山
建议楼主在a腔进口加装液控单向阀,以保证阀B在换向过程没有卸荷。
发表于 2008-9-16 16:10:26 | 显示全部楼层 来自: 中国湖南长沙
加需保压侧加一液控单向阀。
发表于 2008-9-16 16:17:55 | 显示全部楼层 来自: 中国浙江温州
26楼的说得很好,加了一个液控单向锁。由液控单向锁锁紧。
发表于 2008-9-16 19:31:03 | 显示全部楼层 来自: 中国河北廊坊
将换向阀换成Y型机能的,并加液压锁,可实现
发表于 2008-9-17 11:33:35 | 显示全部楼层 来自: 中国湖北武汉
到市场上去配,有这种阀卖。我是武汉的
发表于 2008-9-17 22:38:46 | 显示全部楼层 来自: 中国北京
滑阀是不可能保压的6 A+ k# S9 I4 f8 q
加液压锁吧
发表回复
您需要登录后才可以回帖 登录 | 注册

本版积分规则

Licensed Copyright © 2016-2020 http://www.3dportal.cn/ All Rights Reserved 京 ICP备13008828号

小黑屋|手机版|Archiver|三维网 ( 京ICP备2023026364号-1 )

快速回复 返回顶部 返回列表