|
|

楼主 |
发表于 2007-10-6 18:17:24
|
显示全部楼层
来自: 中国河南信阳
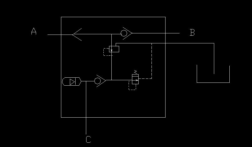
谢谢大家关注,4 h' s0 K9 I, j k _; q
29楼,不是中位闭式,因为,在两泵出口加压力表,不动作阀时,两表基本无压力,
- H+ M" B8 E6 \$ ^2 C+ {- e30楼
! i5 v' V, D7 O$ L a,轮式挖机,1。液压泵应该是双并联柱赛泵,发动机功率47kw# A# a" D( Y; g2 J0 w ~8 l: w( E' D3 q
2。因为行走无力,大臂和挖斗不动作
8 G4 J) e" D: d# k, T: U5 X 3。没动其他的,现在加油后,控制压力恢复。
. ]" x! a* K k# {6 k 是漏 油太多造成的
p! h3 S( T. }$ L b.1."先到油源阀或先到供油阀"我不太明白是什么意思,情解释一下,
/ P8 e+ S2 z' U c.因为系统有些地方一直漏油,加油后,控制压力恢复。( W. J D/ Z( j M1 x% }) f P
是漏油太多造成的,但是泵口两个压力表的压力始终没有什么变化,发动机油门加大,会有微微晃动,但控制压力确实建立了。我有点想不明白。会不会系统压力很低就可以建立控制压力?
( _, j( F# W) a( \. q0 w 31楼, 在两泵出口加压力表,不动作阀时,两表基本无压力,也就是说A/B口无压力。* D+ I5 g8 _% W! D. y" I' D6 i, D
对于你在24楼提出的问题4,我核对了一下,确实不是中位导通的,不好意思,我又画了一下,
, I- o2 k+ ~8 p8 x. c. V) a2 v$ g+ L- {& w$ [# A* K8 S
[ 本帖最后由 jingdongbo 于 2007-10-6 18:52 编辑 ] |
|