QQ登录

只需一步,快速开始

登录 | 注册 | 找回密码

三维网

 找回密码
 注册

QQ登录

只需一步,快速开始

展开

通知     

全站
10天前
楼主: muhdi
收起左侧

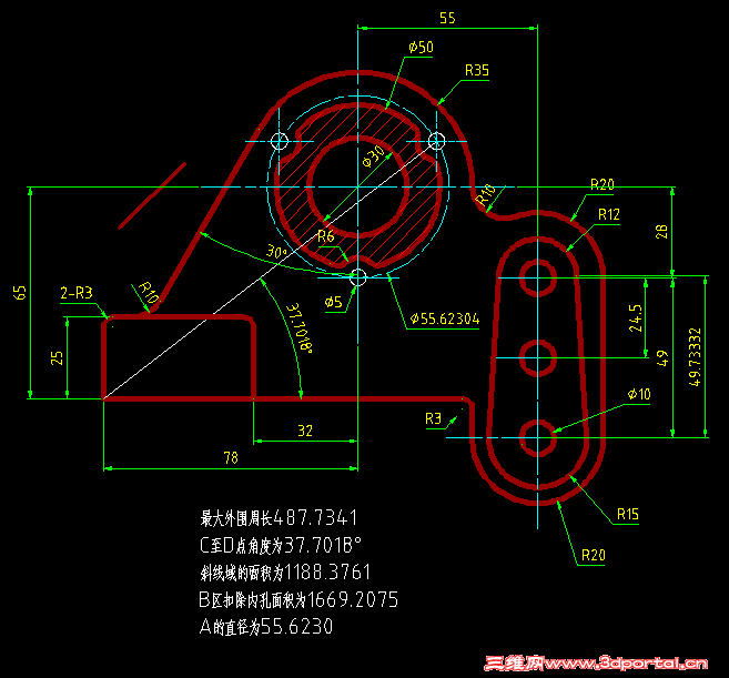
[练习题] 基础综合练习40

[复制链接]
发表于 2011-4-21 21:29:59 | 显示全部楼层 来自: 中国湖北咸宁
本帖最后由 woaishuijia 于 2011-4-28 00:42 编辑
9 X8 m6 E1 b4 R/ H9 m. c
! @( q" l3 `8 _8 a2 G第一次做题,呵呵
QQ截图未命名.png

评分

参与人数 2三维币 +15 收起 理由
2005llnn + 10 三等奖
woaishuijia + 5 参与鼓励

查看全部评分

发表于 2011-4-21 23:17:49 | 显示全部楼层 来自: 中国广东中山
本帖最后由 woaishuijia 于 2011-4-28 00:42 编辑
8 z% N* {5 B5 X% J. b3 y- c/ S
! Y1 Y2 x2 W4 i更新速度再快点就好了! }4 k; r2 J, W. v8 W/ y
40题.jpg

评分

参与人数 2三维币 +25 收起 理由
2005llnn + 20 二等奖
woaishuijia + 5 参与鼓励

查看全部评分

发表于 2011-4-22 08:02:01 | 显示全部楼层 来自: 中国上海
本帖最后由 woaishuijia 于 2011-4-28 00:43 编辑 2 T# j- U& Q" u9 d+ F4 _

, g! J5 ~# n0 _8 P! P这次时间较晚,昨天才看上

CAD几何作图竞赛题2011-4答案-wheasy027.pdf

71.24 KB, 下载次数: 1

评分

参与人数 2三维币 +35 收起 理由
2005llnn + 30 完全正确,授予一等奖!祝贺!
woaishuijia + 5 参与鼓励

查看全部评分

发表于 2011-4-22 08:33:46 | 显示全部楼层 来自: 中国广东佛山
本帖最后由 woaishuijia 于 2011-4-28 00:43 编辑 ! J; u4 {8 o4 r0 H2 k& k
; P+ l; }# s; ?: c
重在参与活动!俺的作业
2011-04-22_083027.jpg

评分

参与人数 1三维币 +5 收起 理由
woaishuijia + 5 参与鼓励

查看全部评分

发表于 2011-4-22 09:24:59 | 显示全部楼层 来自: 中国江苏苏州
本帖最后由 woaishuijia 于 2011-4-28 00:43 编辑
% N+ p  P/ V, n( T" E  p0 g  g* I2 v+ V: E
积极参与 创造财富
未命名.jpg

评分

参与人数 2三维币 +25 收起 理由
2005llnn + 20 二等奖
woaishuijia + 5 参与鼓励

查看全部评分

发表于 2011-4-22 10:13:42 | 显示全部楼层 来自: 中国安徽合肥
本帖最后由 woaishuijia 于 2011-4-28 00:43 编辑
  R: q, s- v! _
( A' x* ]6 \+ i9 z' L9 Y第二次交作业了,希望能满分!
基础练习题40.jpg

评分

参与人数 2三维币 +35 收起 理由
2005llnn + 30 完全正确,授予一等奖!祝贺!
woaishuijia + 5 参与鼓励

查看全部评分

发表于 2011-4-22 11:03:03 | 显示全部楼层 来自: 中国湖南邵阳
本帖最后由 woaishuijia 于 2011-4-28 00:44 编辑 ) ~, o# F* w3 l% _3 Y0 q- ~
2 g( X/ |% i1 t# G
我是新手  也做了一下
QQ截图未命名.png

评分

参与人数 1三维币 +5 收起 理由
woaishuijia + 5 参与鼓励

查看全部评分

发表于 2011-4-22 11:23:04 | 显示全部楼层 来自: 中国四川成都
本帖最后由 woaishuijia 于 2011-4-28 00:44 编辑 " O8 G& ]7 l: B& J. d$ t8 }# U
; D( a" d  @* s" g9 \. \: {0 k
参与" N# c- |3 J: d4 |8 ]
4月份 练习.jpg

评分

参与人数 2三维币 +35 收起 理由
2005llnn + 30 完全正确,授予一等奖!祝贺!
woaishuijia + 5 参与鼓励

查看全部评分

发表于 2011-4-22 14:43:53 | 显示全部楼层 来自: 中国福建三明
本帖最后由 woaishuijia 于 2011-4-28 00:44 编辑
9 ]! T  W# N! u1 @0 V& R8 p6 c, Z7 A2 l% p1 ^& l
2# 2005llnn 1 |8 E/ S* @2 n# r/ H

, F  w3 W) v! Z# U4月作图 再参与,请帮解压,谢谢!
4月作图.jpg

4月作图.rar

68.3 KB, 下载次数: 1

评分

参与人数 2三维币 +25 收起 理由
2005llnn + 20 二等奖
woaishuijia + 5 参与鼓励

查看全部评分

发表于 2011-4-22 15:00:46 | 显示全部楼层 来自: 中国北京
本帖最后由 woaishuijia 于 2011-4-28 00:44 编辑 % o- X9 D( j3 G/ R7 ^

2 {% C9 \$ N& t+ n9 { 全对.jpg

评分

参与人数 1三维币 +5 收起 理由
woaishuijia + 5 参与鼓励

查看全部评分

发表于 2011-4-22 15:42:34 | 显示全部楼层 来自: 中国北京
本帖最后由 woaishuijia 于 2011-4-28 00:45 编辑
! {, v+ t+ I! ?4 G" O9 J/ ]( ?, m4 [# q8 m& Z
试试.jpg

评分

参与人数 1三维币 +5 收起 理由
woaishuijia + 5 参与鼓励

查看全部评分

发表于 2011-4-22 15:50:52 | 显示全部楼层 来自: 日本
本帖最后由 woaishuijia 于 2011-4-28 00:45 编辑 7 t8 z- N, M9 ^/ o# c- z

- H* c. V' M3 W- n" I9 D$ o參與一下。。非常米自信。。。><;
スクリーンショット(2011-04-22 16.45.00).png

评分

参与人数 1三维币 +5 收起 理由
woaishuijia + 5 参与鼓励

查看全部评分

发表于 2011-4-22 17:30:15 | 显示全部楼层 来自: 中国安徽芜湖
本帖最后由 woaishuijia 于 2011-4-28 00:45 编辑
5 b9 K$ ]' N% \" D, y6 _
% c- K3 J. j1 V重在参与:
answer.jpg

评分

参与人数 2三维币 +35 收起 理由
2005llnn + 30 完全正确,授予一等奖!祝贺!
woaishuijia + 5 参与鼓励

查看全部评分

发表于 2011-4-22 19:35:48 | 显示全部楼层 来自: 中国北京
本帖最后由 woaishuijia 于 2011-4-28 00:45 编辑 # P5 \% E8 C9 E, d$ y7 D) n

' ~' S% b  [$ w+ d$ ` 竞赛.jpg

评分

参与人数 1三维币 +5 收起 理由
woaishuijia + 5 参与鼓励

查看全部评分

发表于 2011-4-22 20:46:12 | 显示全部楼层 来自: 中国辽宁大连
本帖最后由 woaishuijia 于 2011-4-28 00:46 编辑
$ s6 L4 u- N$ H# c5 x0 b
$ A* P) ]3 Y  Y* R 2011-4.jpg

评分

参与人数 2三维币 +35 收起 理由
2005llnn + 30 完全正确,授予一等奖!祝贺!
woaishuijia + 5 参与鼓励

查看全部评分

发表于 2011-4-22 22:23:01 | 显示全部楼层 来自: 中国福建莆田
本帖最后由 woaishuijia 于 2011-4-28 00:46 编辑 1 M; [' L$ P3 x
! n4 u! l7 _7 ~) p
交作业!) i" d5 h/ @% e6 m0 l! U7 i
20110422.jpg

评分

参与人数 2三维币 +35 收起 理由
2005llnn + 30 完全正确,授予一等奖!祝贺!
woaishuijia + 5 参与鼓励

查看全部评分

发表于 2011-4-23 07:16:11 | 显示全部楼层 来自: 中国北京
本帖最后由 woaishuijia 于 2011-4-28 00:46 编辑   H8 L: R0 ~- c0 p9 q+ z* ^1 O

0 T7 `6 {7 T6 P1 `) M# y/ ` 参赛.jpg

评分

参与人数 1三维币 +5 收起 理由
woaishuijia + 5 参与鼓励

查看全部评分

发表于 2011-4-23 18:36:37 | 显示全部楼层 来自: 中国台湾
本帖最后由 woaishuijia 于 2011-4-28 00:46 编辑
# X" c- a$ {; J; g; Q
& [) i% ~- n6 F距離10很頭痛-.-
) H% i% z2 ?( G' P' i! L9 k+ Z 快照40.jpg

评分

参与人数 1三维币 +5 收起 理由
woaishuijia + 5 参与鼓励

查看全部评分

发表于 2011-4-25 21:48:59 | 显示全部楼层 来自: 中国上海
本帖最后由 woaishuijia 于 2011-4-28 00:46 编辑 ) u  Q% x$ o" m
& ~8 D. @$ h/ e7 r9 k
答案.JPG 题目不难,关键是作图步骤与熟练度问题。

评分

参与人数 1三维币 +5 收起 理由
woaishuijia + 5 参与鼓励

查看全部评分

发表于 2011-4-26 16:42:43 | 显示全部楼层 来自: 中国江苏南通
本帖最后由 woaishuijia 于 2011-4-28 00:47 编辑 3 V8 H0 i: T/ z5 V8 \% `

( P8 _- r$ z/ k+ U. ~来凑个热闹:

cadlx Model.pdf

26.95 KB, 下载次数: 2

评分

参与人数 2三维币 +25 收起 理由
2005llnn + 20 二等奖
woaishuijia + 5 参与鼓励

查看全部评分

发表于 2011-4-26 20:14:07 | 显示全部楼层 来自: 中国广东佛山
本帖最后由 woaishuijia 于 2011-4-28 00:47 编辑
4 ~* D2 ]/ U; {. ^6 E) w( W5 L9 Q! H: ]# Q4 x
额~
, s# K+ G! o3 w7 `' d/ r- C% {这两个月都没怎么来了
/ |4 k7 k) z, D今天刚好上来+ W8 O) r+ v; n2 ~  R% L% K% a

' ?; v( ]3 `, M( n Drawing1-Model.jpg

评分

参与人数 2三维币 +15 收起 理由
2005llnn + 10 三等奖
woaishuijia + 5 参与鼓励

查看全部评分

发表于 2011-4-26 22:17:59 | 显示全部楼层 来自: 中国河北石家庄
本帖最后由 woaishuijia 于 2011-4-28 00:47 编辑 / K5 j# C$ v$ b5 ]1 H% |8 ]# y" t
# Q$ j5 E& v8 }2 J/ R* t
我的答案,请查收
4月份答案.JPG

评分

参与人数 2三维币 +25 收起 理由
2005llnn + 20 二等奖
woaishuijia + 5 参与鼓励

查看全部评分

发表于 2011-4-26 22:30:28 | 显示全部楼层 来自: 中国湖南长沙
本帖最后由 woaishuijia 于 2011-4-28 00:47 编辑
% g2 |9 ?; O8 W  ]# g$ ~3 C( T
- j! O7 I. e6 B- H1 cCA D几何作图竞赛题(2011年4月)
未命名.jpg

评分

参与人数 2三维币 +25 收起 理由
2005llnn + 20 二等奖
woaishuijia + 5 参与鼓励

查看全部评分

发表于 2011-4-27 12:13:00 | 显示全部楼层 来自: 中国广东广州
本帖最后由 woaishuijia 于 2011-4-28 00:47 编辑 7 C- |7 u0 E$ U" q) B
- ^" y4 M/ M# e6 G7 Z
末班车··················
4月.JPG

评分

参与人数 2三维币 +15 收起 理由
2005llnn + 10 三等奖
woaishuijia + 5 参与鼓励

查看全部评分

发表于 2011-4-27 15:41:54 | 显示全部楼层 来自: 中国重庆
本帖最后由 woaishuijia 于 2011-4-28 00:48 编辑
6 M/ S- h3 U+ b
* V1 Z( p) M- e3 e不知道还赶得上不?
竞赛题.jpg

竞赛题.dwg

39.51 KB, 下载次数: 0

评分

参与人数 2三维币 +35 收起 理由
2005llnn + 30 完全正确,授予一等奖!祝贺!
woaishuijia + 5 参与鼓励

查看全部评分

发表回复
您需要登录后才可以回帖 登录 | 注册

本版积分规则


Licensed Copyright © 2016-2020 http://www.3dportal.cn/ All Rights Reserved 京 ICP备13008828号

小黑屋|手机版|Archiver|三维网 ( 京ICP备2023026364号-1 )

快速回复 返回顶部 返回列表