QQ登录

只需一步,快速开始

登录 | 注册 | 找回密码

三维网

 找回密码
 注册

QQ登录

只需一步,快速开始

展开

通知     

楼主: muhdi
收起左侧

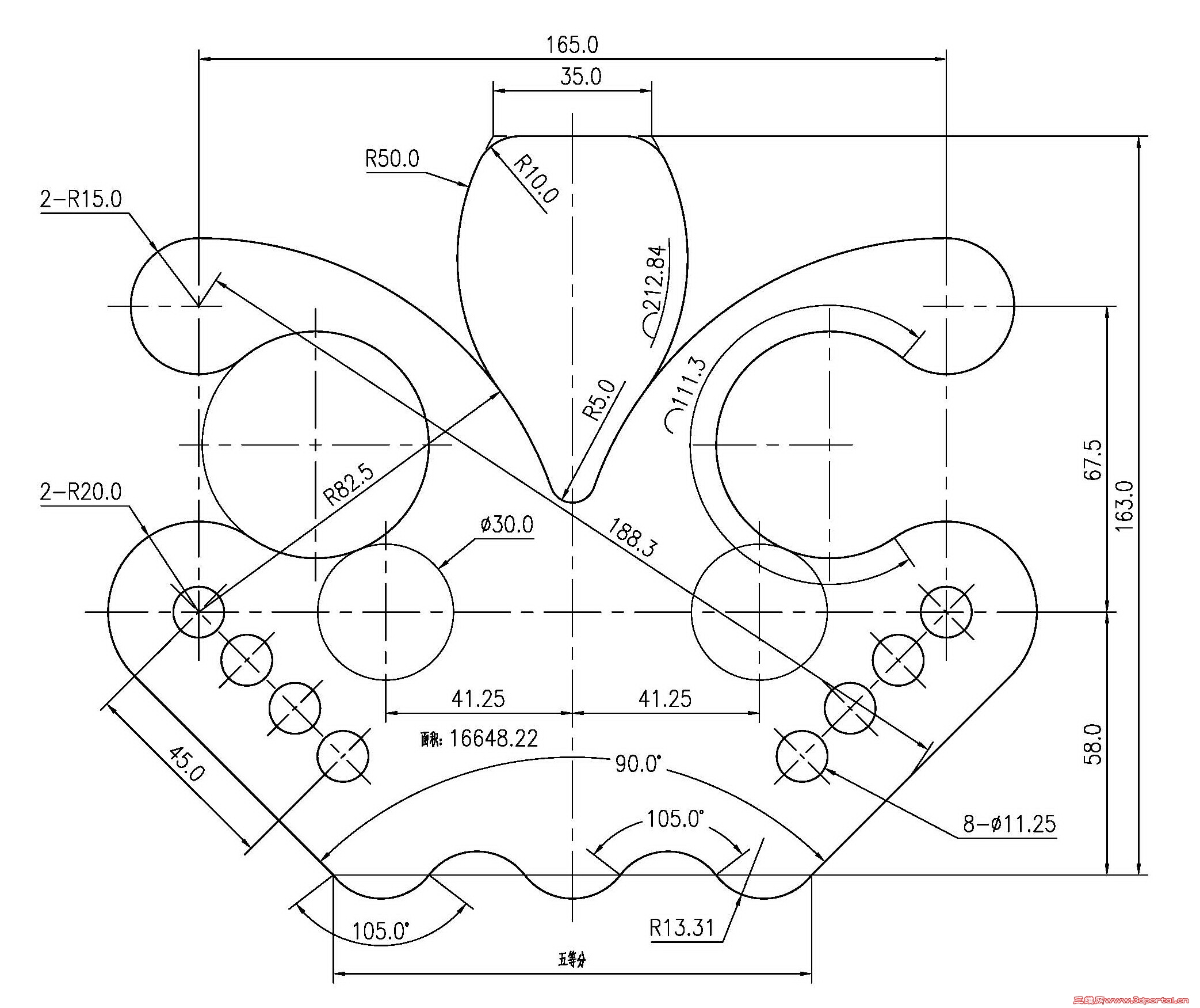
[练习题] 基础综合练习38

[复制链接]
发表于 2011-2-20 00:23:32 | 显示全部楼层 来自: 中国广东深圳
本帖最后由 woaishuijia 于 2011-2-24 14:13 编辑
" {% T* l+ u0 D0 Y$ u. S, Z0 A9 Z/ H/ W5 C
O啦~請審閱~
homework.jpg

评分

参与人数 2三维币 +15 收起 理由
2005llnn + 10 三等奖
woaishuijia + 5 参与鼓励

查看全部评分

发表于 2011-2-20 10:59:43 | 显示全部楼层 来自: 中国山西运城
本帖最后由 woaishuijia 于 2011-2-24 14:13 编辑 / Y' L/ E' W1 u
+ J4 Q. K' m8 V" S
五等份让我无主意了。, u, B' ^, Y  L; r
小圆弧和90度两斜边相切吗????. \+ |7 X  [# t0 T& K
/ ?) B; o# R, q. s
基础综合练习38.JPG

基础综合练习38.dwg

55.23 KB, 下载次数: 0

评分

参与人数 2三维币 +35 收起 理由
2005llnn + 30 完全正确,授予一等奖!祝贺!
woaishuijia + 5 参与鼓励

查看全部评分

发表于 2011-2-20 14:51:33 | 显示全部楼层 来自: 中国江苏无锡
本帖最后由 woaishuijia 于 2011-2-24 14:13 编辑
- H! q" w* U8 F# v4 S. k
% N/ g$ T- Z" l* b! c 38.JPG
, U* G& W5 [* H4 T: g8 [: C& m 38.dwg (118.31 KB, 下载次数: 1)

评分

参与人数 2三维币 +35 收起 理由
2005llnn + 30 完全正确,授予一等奖!祝贺!
woaishuijia + 5 参与鼓励

查看全部评分

发表于 2011-2-20 18:02:19 | 显示全部楼层 来自: 中国贵州黔东南苗族侗族自治州
本帖最后由 woaishuijia 于 2011-2-24 14:13 编辑 0 z9 t3 u& O% x7 K) m

* W. @6 G, f& W6 f" f我参与,我快乐

参数图片

参数图片

38.dwg

32.14 KB, 下载次数: 1

评分

参与人数 2三维币 +25 收起 理由
2005llnn + 20 二等奖
woaishuijia + 5 参与鼓励

查看全部评分

发表于 2011-2-21 15:30:04 | 显示全部楼层 来自: 中国浙江杭州
本帖最后由 woaishuijia 于 2011-2-24 14:13 编辑 6 U& P7 K% ]: M7 }
* K" }" H% p- X8 I2 ^8 h
来参与下 支持
截图1298273263.jpg

评分

参与人数 2三维币 +25 收起 理由
2005llnn + 20 二等奖
woaishuijia + 5 参与鼓励

查看全部评分

发表于 2011-2-21 16:37:47 | 显示全部楼层 来自: 中国浙江台州
本帖最后由 woaishuijia 于 2011-2-24 14:14 编辑 7 q8 N9 k+ C9 I

0 s4 x0 L, g, c3 U/ m交卷迟了。。。
CAD绘图竞赛201102.jpg

CAD作图竞赛201102.dwg

98.47 KB, 下载次数: 1

评分

参与人数 2三维币 +25 收起 理由
2005llnn + 20 二等奖
woaishuijia + 5 参与鼓励

查看全部评分

发表于 2011-2-21 17:10:07 | 显示全部楼层 来自: 中国北京
本帖最后由 woaishuijia 于 2011-2-24 14:14 编辑
8 y1 H8 }  ~1 c
, ]; M4 P, |# W+ z& y% Z( G) R交作业:
$ Q; {9 c, K- Z4 [* ?$ a 做题.jpg

做题.dwg

89.35 KB, 下载次数: 0

评分

参与人数 1三维币 +5 收起 理由
woaishuijia + 5 参与鼓励

查看全部评分

发表于 2011-2-21 21:39:20 | 显示全部楼层 来自: 中国广东深圳
本帖最后由 woaishuijia 于 2011-2-24 14:14 编辑 ' A; _+ F2 a% N

1 \+ u; K! ]7 MForrest做题~
FORREST做题.JPG
图.JPG

评分

参与人数 2三维币 +35 收起 理由
2005llnn + 30 完全正确,授予一等奖!祝贺!
woaishuijia + 5 参与鼓励

查看全部评分

发表于 2011-2-21 22:02:16 | 显示全部楼层 来自: 中国江苏苏州
本帖最后由 woaishuijia 于 2011-2-24 14:14 编辑
& E) @  E9 c. L
6 W" ~1 l( R: ^& ~4 z2 X  r挣点钱花9 k, g; V' A2 R) F! }& E+ M
2011-02-21_214945.jpg

评分

参与人数 1三维币 +5 收起 理由
woaishuijia + 5 参与鼓励

查看全部评分

发表于 2011-2-21 22:10:36 | 显示全部楼层 来自: 中国安徽蚌埠
本帖最后由 woaishuijia 于 2011-2-24 14:14 编辑 ; p' d' J7 h. [0 V, I' Q

2 Z9 |# |6 |* V3 s! G/ V+ A我也来试试,
CA D几何作图竞赛题(2011年2月),至2月23日止.png

评分

参与人数 2三维币 +25 收起 理由
2005llnn + 20 二等奖
woaishuijia + 5 参与鼓励

查看全部评分

发表于 2011-2-21 23:07:29 | 显示全部楼层 来自: 中国江苏镇江
本帖最后由 woaishuijia 于 2011-2-24 14:19 编辑 . t+ k+ Z5 u0 _& w* `, F8 Q" p

" \( ^- ?+ R) o  \: T交作业了,希望都对!!!
基础综合练习38(2011年2月) .JPG

基础综合练习38(2011年2月).dwg

209.81 KB, 下载次数: 0

评分

参与人数 2三维币 +25 收起 理由
2005llnn + 20 二等奖
woaishuijia + 5 参与鼓励

查看全部评分

发表于 2011-2-22 11:03:34 | 显示全部楼层 来自: 中国北京
本帖最后由 woaishuijia 于 2011-2-24 14:19 编辑 & F. F3 u' A; Y2 T. p

$ p; F& h# b* T) S! o我的理解是:
8 \: |! ]1 ~6 O; I+ |0 vR50的圆弧通过线段35的端点," h, E3 m6 t$ @& o% g1 R1 _
不知对不对
38-A.JPG

评分

参与人数 2三维币 +35 收起 理由
2005llnn + 30 完全正确,授予一等奖!祝贺!
woaishuijia + 5 参与鼓励

查看全部评分

发表于 2011-2-22 12:16:11 | 显示全部楼层 来自: 中国辽宁营口
本帖最后由 woaishuijia 于 2011-2-24 14:19 编辑
3 Q$ M, K4 V3 g( o4 G
* q5 T' o4 v  C4 O赶个末班车
图.jpg

评分

参与人数 2三维币 +25 收起 理由
2005llnn + 20 二等奖
woaishuijia + 5 参与鼓励

查看全部评分

发表于 2011-2-22 12:37:24 | 显示全部楼层 来自: 中国安徽芜湖
本帖最后由 woaishuijia 于 2011-2-24 14:19 编辑 + f0 r& h3 F0 A* M$ J! N0 I2 e
% m: @0 F3 Q+ _0 Z, j# e2 T
参与竞赛。
answer.jpg

评分

参与人数 2三维币 +35 收起 理由
2005llnn + 30 完全正确,授予一等奖!祝贺!
woaishuijia + 5 参与鼓励

查看全部评分

发表于 2011-2-22 15:03:35 | 显示全部楼层 来自: 中国广东佛山
本帖最后由 woaishuijia 于 2011-2-24 14:19 编辑
& b9 ]9 r/ \, V; e
1 e9 B5 t: w. |4 p$ z* U这几天一直忙
0 X0 M" @2 _8 \' R) B几天下午抽点空来做" g1 d, w# g) x
还赶得上1 }# l6 m& y2 Z  ]3 {
11年2月.jpg

评分

参与人数 2三维币 +35 收起 理由
2005llnn + 30 完全正确,授予一等奖!祝贺!
woaishuijia + 5 参与鼓励

查看全部评分

发表于 2011-2-22 16:26:56 | 显示全部楼层 来自: 中国江苏无锡
本帖最后由 woaishuijia 于 2011-2-24 14:20 编辑 5 W' G( n' }3 K0 _7 l
+ T) o) U4 k' v4 K# l1 s& C+ ^
春光明媚,一起动动脑!
竞赛答题.jpg

评分

参与人数 2三维币 +25 收起 理由
2005llnn + 20 二等奖
woaishuijia + 5 参与鼓励

查看全部评分

发表于 2011-2-22 16:40:30 | 显示全部楼层 来自: 中国河南新乡
本帖最后由 woaishuijia 于 2011-2-24 14:20 编辑
$ I& }: J7 A: L* w2 r  X' Y& ^1 i) {$ s. q% y0 I) n+ ^
我做了一下,保存了CAD2004$ a6 s! n! ~* G9 ?+ B# N7 P9 i
6 a! I$ A: D4 k& f& j
错误的地方还望指正
5 L: a' n- S+ _( M) |
$ a( h% }7 [7 i初学% n5 u" A* B3 D: O: u0 y+ Q

0 q( k' T( S) N谢谢您传这么好的试题

计算答案.dwg

99.52 KB, 下载次数: 1

评分

参与人数 1三维币 +5 收起 理由
woaishuijia + 5 参与鼓励

查看全部评分

发表于 2011-2-22 17:25:53 | 显示全部楼层 来自: 中国安徽蚌埠
本帖最后由 woaishuijia 于 2011-2-24 14:20 编辑 # z* X! _- w0 L/ U& i7 J/ E
$ S$ E! f. U: x5 c
参与练习~/ E1 n4 b! B; P9 g* N
2月竞赛题.jpg
- t: L! h  o6 _: h  G 2月竞赛题.dwg (41.46 KB, 下载次数: 0)

评分

参与人数 2三维币 +35 收起 理由
2005llnn + 30 完全正确,授予一等奖!祝贺!
woaishuijia + 5 参与鼓励

查看全部评分

发表于 2011-2-22 17:45:20 | 显示全部楼层 来自: 中国山东烟台
本帖最后由 woaishuijia 于 2011-2-24 14:20 编辑 & O2 _5 Z) e9 U  L/ i9 T' @
% f1 K. Z: Q6 Z% X+ D# e* N
20110222.jpg

评分

参与人数 2三维币 +25 收起 理由
2005llnn + 20 二等奖
woaishuijia + 5 参与鼓励

查看全部评分

发表于 2011-2-22 20:24:58 | 显示全部楼层 来自: 中国江西九江
本帖最后由 woaishuijia 于 2011-2-24 14:21 编辑
% c" G7 A. @% k$ D7 ~( p+ f7 {9 B. n' ]* ~5 B+ g* h
参加了。多练习有好处。/
练习题.jpg

评分

参与人数 2三维币 +25 收起 理由
2005llnn + 20 二等奖
woaishuijia + 5 参与鼓励

查看全部评分

发表于 2011-2-23 08:41:47 | 显示全部楼层 来自: 中国北京
本帖最后由 woaishuijia 于 2011-2-24 14:21 编辑
8 i& h4 @3 v8 B2 ?! x' B3 m, I
1 }4 ~3 x5 D8 g 2月.jpg 参与

评分

参与人数 2三维币 +25 收起 理由
2005llnn + 20 二等奖
woaishuijia + 5 参与鼓励

查看全部评分

发表于 2011-2-23 09:27:46 | 显示全部楼层 来自: 中国北京
本帖最后由 woaishuijia 于 2011-2-24 14:21 编辑 6 D8 k  j6 y% J. v/ O
0 d2 w6 N: _$ b  @$ h& U* f0 ]8 V

参与

参与

评分

参与人数 2三维币 +25 收起 理由
2005llnn + 20 二等奖
woaishuijia + 5 参与鼓励

查看全部评分

发表于 2011-2-23 10:09:57 | 显示全部楼层 来自: 中国福建福州
本帖最后由 woaishuijia 于 2011-2-24 14:21 编辑 - c' ~2 I1 d8 W/ T( V5 t3 c: E" s
( q8 R% J% E6 Y8 P3 V
今天完成应该还来得急吧?
完成作业.jpg

评分

参与人数 2三维币 +25 收起 理由
2005llnn + 20 二等奖
woaishuijia + 5

查看全部评分

发表于 2011-2-23 10:09:59 | 显示全部楼层 来自: 中国北京
本帖最后由 woaishuijia 于 2011-2-24 14:21 编辑 # a$ x1 j6 A8 }& ^
0 \9 ^# j1 k! h1 U0 ?. r
niudaoxiaoshi.jpg

评分

参与人数 2三维币 +25 收起 理由
2005llnn + 20 二等奖
woaishuijia + 5 参与鼓励

查看全部评分

发表于 2011-2-23 11:07:40 | 显示全部楼层 来自: 中国北京
本帖最后由 woaishuijia 于 2011-2-24 14:21 编辑
7 ~6 }% [  Y8 P2 q6 r4 {$ y, `
1 K: J! Y7 q, F$ R cansai.jpg

评分

参与人数 2三维币 +25 收起 理由
2005llnn + 20 二等奖
woaishuijia + 5 参与鼓励

查看全部评分

发表回复
您需要登录后才可以回帖 登录 | 注册

本版积分规则


Licensed Copyright © 2016-2020 http://www.3dportal.cn/ All Rights Reserved 京 ICP备13008828号

小黑屋|手机版|Archiver|三维网 ( 京ICP备2023026364号-1 )

快速回复 返回顶部 返回列表