QQ登录

只需一步,快速开始

登录 | 注册 | 找回密码

三维网

 找回密码
 注册

QQ登录

只需一步,快速开始

展开

通知     

楼主: muhdi
收起左侧

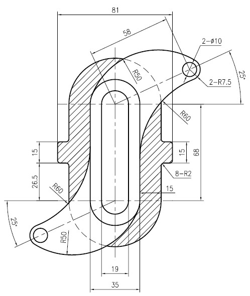
[练习题] 基础综合练习12-原題

[复制链接]
发表于 2008-11-6 09:30:56 | 显示全部楼层 来自: 中国江苏无锡
完成练习。
9 \% i' M( _+ m 未命名.JPG

评分

参与人数 1三维币 +8 收起 理由
2005llnn + 8 很好

查看全部评分

发表于 2008-11-11 21:14:36 | 显示全部楼层 来自: 中国浙江杭州
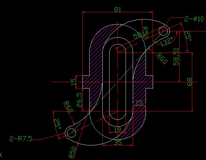
做题练习。第二问用查询在特性栏里,其余标注于图中。
2008-11-11 21-07-12.png

评分

参与人数 1三维币 +10 收起 理由
2005llnn + 10 很好

查看全部评分

发表于 2008-11-12 01:10:22 | 显示全部楼层 来自: 马来西亚
练习!练习!:D
$ E1 z6 @5 ~0 x! Q: b3 ~" c
( A! E& @  _; [% P; Y2 z5 e) u 1.JPG

评分

参与人数 1三维币 +8 收起 理由
2005llnn + 8 很好

查看全部评分

发表于 2008-11-12 10:37:20 | 显示全部楼层 来自: 中国河北邯郸
基础练习12 、6 H+ I, o! ?5 f' }, F' p
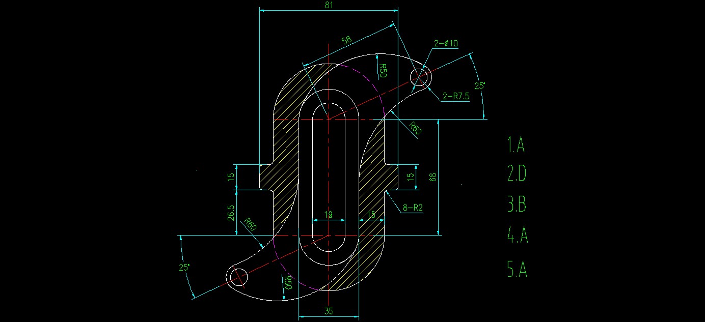
答案: A D B A A
5.JPG
6.JPG
7.JPG
8.JPG

评分

参与人数 1三维币 +10 收起 理由
2005llnn + 10 很好

查看全部评分

发表于 2008-11-15 11:01:56 | 显示全部楼层 来自: 中国山东烟台
A D B A A: d/ w* O2 t/ G

4 P2 y8 ]0 Q. M5 ~ Snap2.jpg . U4 l7 K9 D' a: c
3 a- j; _9 X0 c- S% m! v' g
[ 本帖最后由 jianlicui 于 2008-11-15 11:03 编辑 ]

评分

参与人数 1三维币 +10 收起 理由
2005llnn + 10 很好

查看全部评分

发表于 2008-11-16 20:46:39 | 显示全部楼层 来自: 中国河北唐山
(1).A     (2).D     (3).B     (4).A     (5).A
. _- u- d+ [! s3 @4 N, c请问怎么把面积标注在图中,象27楼那样.# V8 M/ U  O+ s# e

, \! D' C2 I7 A4 n- _[ 本帖最后由 绝对 于 2008-11-17 16:47 编辑 ]
12.jpg

评分

参与人数 1三维币 +8 收起 理由
2005llnn + 8 很好,引线标注

查看全部评分

发表于 2008-11-17 07:09:47 | 显示全部楼层 来自: 中国重庆

safasdf练习12

dsfsafadsfasf
ssss.jpg

评分

参与人数 1三维币 +5 收起 理由
2005llnn + 5 鼓励

查看全部评分

发表于 2008-12-1 11:42:15 | 显示全部楼层 来自: 中国广东佛山

基础综合练习12

基础综合练习12
J12.jpg

J12.rar

40.84 KB, 阅读权限: 100, 下载次数: 0

评分

参与人数 1三维币 +10 收起 理由
2005llnn + 10 很好,以后可以不用上传dwg格式附件。

查看全部评分

发表于 2008-12-16 16:49:34 | 显示全部楼层 来自: 中国北京
1A、2D、3B、4A、5A
未命名.JPG

评分

参与人数 1三维币 +10 收起 理由
2005llnn + 10 很好

查看全部评分

发表于 2008-12-20 09:10:55 | 显示全部楼层 来自: 中国广东中山
复习增强,,,,,
基礎綜合練習12.jpg

基础综合练习12.dwg

56.65 KB, 阅读权限: 80, 下载次数: 0

评分

参与人数 1三维币 +5 收起 理由
wang2003 + 5 正确

查看全部评分

发表于 2008-12-22 10:57:48 | 显示全部楼层 来自: 中国辽宁大连
练习一下
练习题.jpeg

评分

参与人数 1三维币 +5 收起 理由
wang2003 + 5 正确

查看全部评分

发表于 2008-12-22 21:27:59 | 显示全部楼层 来自: 中国江苏无锡

坚持就能进步

学海无边。。。要告别菜鸟" `% X8 M/ c' _

4 ~, I/ h( I  n0 R4 Q/ I5 {[ 本帖最后由 幕后。。。 于 2008-12-22 21:34 编辑 ]
练习12.jpg.jpg

评分

参与人数 1三维币 +5 收起 理由
wang2003 + 5 很好

查看全部评分

发表于 2008-12-25 09:17:07 | 显示全部楼层 来自: 中国湖南株洲

每日一练

1.A  2.D  3.B  4.A   5.A
22.jpg

评分

参与人数 1三维币 +6 收起 理由
wang2003 + 6 很好啊~

查看全部评分

发表于 2008-12-29 22:33:49 | 显示全部楼层 来自: 中国江苏扬州
基础综合练习12  练练手
基础综合练习12.jpg

评分

参与人数 1三维币 +3 收起 理由
wang2003 + 3 鼓励参与

查看全部评分

发表于 2008-12-30 11:32:48 | 显示全部楼层 来自: 中国辽宁营口

基础综合练习12-原題

答案A、D、B、A、A
4.jpg

评分

参与人数 1三维币 +3 收起 理由
wang2003 + 3 鼓励参与

查看全部评分

发表于 2008-12-30 21:16:06 | 显示全部楼层 来自: 中国湖南张家界

动画

动画,有谁知道动画怎样做,我的QQ934592469,我会感谢不尽
发表于 2008-12-31 21:51:16 | 显示全部楼层 来自: 中国上海
ADBAA4 @. c: S2 t. H+ y
基础综合练习12.PNG
' y3 r" j6 N/ j& i6 C( @/ p; J, T6 N+ f- I5 {" S6 Y2 Y/ Z- R
[ 本帖最后由 sxinyying 于 2008-12-31 21:55 编辑 ]
基础综合练习12.PNG
基础综合练习12.PNG

评分

参与人数 1三维币 +3 收起 理由
wang2003 + 3 参与奖

查看全部评分

发表于 2009-1-9 20:30:57 | 显示全部楼层 来自: 中国福建厦门
练习12  完成
) m8 G3 }" W  t7 u! u: F( l, V  ]答案:a d b a a
QQ截图未命名.jpg

评分

参与人数 1三维币 +3 收起 理由
2005llnn + 3 参与鼓励

查看全部评分

发表于 2009-1-10 19:02:57 | 显示全部楼层 来自: 新加坡
我要三维币,我来做作业
练习12.JPG

评分

参与人数 1三维币 +3 收起 理由
2005llnn + 3 鼓励参与

查看全部评分

发表于 2009-2-3 12:45:12 | 显示全部楼层 来自: 中国辽宁抚顺
答案:1).A     (2).D     (3).B     (4).A     (5).A
123.JPG

评分

参与人数 1三维币 +3 收起 理由
2005llnn + 3 鼓励参与

查看全部评分

发表于 2009-3-8 10:50:49 | 显示全部楼层 来自: 中国浙江宁波
交作业了! QQ截图未命名6.jpg

评分

参与人数 1三维币 +3 收起 理由
2005llnn + 3 参与鼓励

查看全部评分

发表于 2009-3-10 12:05:01 | 显示全部楼层 来自: 中国广东东莞
:) 我也来一个! tt4.JPG

评分

参与人数 1三维币 +3 收起 理由
2005llnn + 3 参与鼓励

查看全部评分

发表于 2009-4-30 13:06:56 | 显示全部楼层 来自: 中国广东东莞
答案全部标出来了!
xi9.jpg

评分

参与人数 1三维币 +3 收起 理由
2005llnn + 3 参与鼓励

查看全部评分

发表于 2009-4-30 14:33:03 | 显示全部楼层 来自: 中国安徽马鞍山
真累。我觉得设定图层很重要
发表于 2009-5-9 16:58:47 | 显示全部楼层 来自: 中国广东中山

回复 1# muhdi 的帖子

练习练习 2.jpeg

评分

参与人数 1三维币 +3 收起 理由
2005llnn + 3 参与鼓励

查看全部评分

发表回复
您需要登录后才可以回帖 登录 | 注册

本版积分规则


Licensed Copyright © 2016-2020 http://www.3dportal.cn/ All Rights Reserved 京 ICP备13008828号

小黑屋|手机版|Archiver|三维网 ( 京ICP备2023026364号-1 )

快速回复 返回顶部 返回列表