QQ登录

只需一步,快速开始

登录 | 注册 | 找回密码

三维网

 找回密码
 注册

QQ登录

只需一步,快速开始

展开

通知     

楼主: dxm
收起左侧

[讨论] 用UG或SW画图

[复制链接]
发表于 2008-10-27 22:55:15 | 显示全部楼层 来自: 中国四川广元

00000

看什么啊,有什么问题吗?
发表于 2008-10-28 09:16:32 | 显示全部楼层 来自: 中国辽宁沈阳
原帖由 unaki 于 2008-10-27 22:37 发表 http://www.3dportal.cn/discuz/images/common/back.gif
# x* }' U1 }  H看看是这样吗
; |& [2 u# ]  ]* Y

+ K) O/ J9 Q4 l6 Z1 A 1.jpg
发表于 2008-10-28 21:31:37 | 显示全部楼层 来自: 中国天津

图是怎样看

图是怎样看
20081025_6d5976024278a796b15etshfcuE4MlG4.jpg
发表于 2008-10-28 21:36:04 | 显示全部楼层 来自: 中国天津

楼主给解释解释

楼主给解释解释
20081025_6d5976024278a796b15etshfcuE4MlG4.jpg
发表于 2008-10-29 14:54:49 | 显示全部楼层 来自: 中国上海
怎么这么烂的图啊
发表于 2008-10-29 20:59:38 | 显示全部楼层 来自: 中国辽宁沈阳
真的超栏啊 ,研究3天了 越看越不对!
发表于 2008-11-1 11:59:56 | 显示全部楼层 来自: 中国山东济南

题目错误

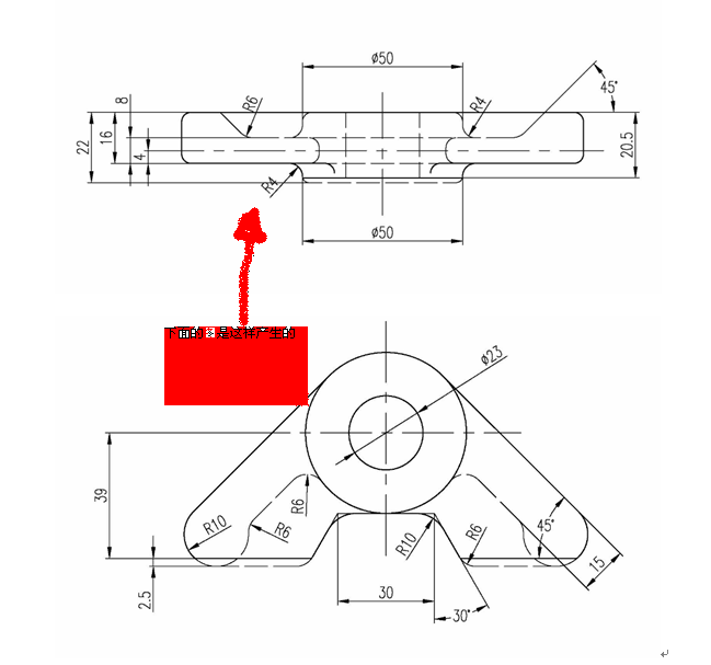
图纸有问题,左边的剖视图总高度与右侧的主视图和俯视图总高度不一致,因此题目本生有问题,最下面的虚线完全是错误的。是迷惑我们的。
 楼主| 发表于 2008-11-5 22:50:47 | 显示全部楼层 来自: 中国四川眉山
此图是国外的图纸,投影方法与我们国家的不同,请大家再仔细看看。
发表于 2008-11-7 15:16:15 | 显示全部楼层 来自: 中国广东惠州
原帖由 dxm 于 2008-11-5 22:50 发表 http://www.3dportal.cn/discuz/images/common/back.gif
* [% |+ T5 O/ q& B. N( m$ }; _此图是国外的图纸,投影方法与我们国家的不同,请大家再仔细看看。

7 d: M1 F" f. v' L2 R7 a3 d# S2 [
违反投影规律不是投影方法问题,边界是虚线是无法解释的,
 楼主| 发表于 2008-11-20 17:13:41 | 显示全部楼层 来自: 中国贵州兴义
边界是虚线有问题吗?这里是铸造成型后加工掉,难道这也不明白吗?
发表于 2008-11-23 15:02:12 | 显示全部楼层 来自: 中国江苏常州
这个图没有错其实,象限投影问题,咋们不能局限于国内。
发表于 2008-11-23 15:03:08 | 显示全部楼层 来自: 中国江苏常州
29楼的 其实都是虚线
发表于 2008-11-23 15:24:28 | 显示全部楼层 来自: 中国江苏常州

图该是这样

应该是这样
未命名.bmp
发表于 2008-11-23 15:25:31 | 显示全部楼层 来自: 中国江苏常州
所有的解释全好啦
发表于 2008-11-28 08:41:11 | 显示全部楼层 来自: 中国广东惠州
原帖由 dxm 于 2008-11-20 17:13 发表 http://www.3dportal.cn/discuz/images/common/back.gif
& w3 N  s- W+ x% D3 h边界是虚线有问题吗?这里是铸造成型后加工掉,难道这也不明白吗?

7 A- G+ U5 m% L7 s, t
7 ?- b, P/ m- i$ F谁告诉你是铸造成形加工掉的?你猜啊?不要自以为是
发表于 2008-11-28 10:18:04 | 显示全部楼层 来自: 中国湖北武汉
学习了,都是高手.
发表于 2008-11-28 17:06:02 | 显示全部楼层 来自: 中国江苏南京
边界虚线应该是毛坯尺寸。即22和39+2.5。6 b5 ^! w1 G) D
而39和20.5应该是加工后的尺寸。! K, U% A% c& V
这张图是老外画的,应该是主视图,右视图和顶视图。
6 ^- L& |6 \1 D! N+ K( ^5 k, B+ |0 f我是这样理解的,不知道对不对
发表于 2008-11-28 22:39:35 | 显示全部楼层 来自: 中国广东广州
这是5.0,大家看看是不是这样子
25.jpg

25.rar

197.97 KB, 下载次数: 1

发表于 2009-4-7 16:40:53 | 显示全部楼层 来自: 中国湖北十堰

回复 1# dxm 的帖子

这个没有人能做的出来的!因为你的尺寸都不全,只有两个视图!最起码不知道零件的高度是多少!尺寸全了就简单了!
发表于 2009-4-7 17:42:25 | 显示全部楼层 来自: 中国上海
都是牛人啊!!!!!!!!!!!我也去画画!!!!!!!!!!!!
发表回复
您需要登录后才可以回帖 登录 | 注册

本版积分规则


Licensed Copyright © 2016-2020 http://www.3dportal.cn/ All Rights Reserved 京 ICP备13008828号

小黑屋|手机版|Archiver|三维网 ( 京ICP备2023026364号-1 )

快速回复 返回顶部 返回列表